Mountfield
  • My account
  • Basket
  • Contact Us
  • 0115 920 0099
  • Home
  •  Spares
    •  Front Mowers
    •  Lawn Tractors
    •  Lawn Mowers
    •  Chainsaws
    •  Brushcutters-Trimmers
    •  Blowers
    •  Scarifiers
    •  Tillers
  •  New products
    •  Lawn Mowers
    •  Lawn Tractors
    •  Front Cut Mowers & Decks
    •  Tractor & Front Cut Accessories
    •  Hedge Trimmers
    •  Trimmers
    •  Cultivators
    •  Blower Vacs
    •  Robot Mowers
    •  Scarifiers
    •  Chainsaws
    •  All Stiga Battery Machinery
    •  Stiga Garden Hand Tools
  • Contact Us

Search by model number

Search by part number

  • Home
  • Stiga Spares
  • Front Mowers
  • Base Machine
  • 2007
  • Park Diesel 4WD (13-6181-33)

Park Diesel 4WD (13-6181-33)

Assembly List For Stiga 2007 Model Park Diesel 4WD (13-6181-33)

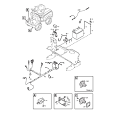
Transmission

Transmission spare parts
View Components

Transmission (2)

Transmission (2) spare parts
View Components

Assembly Parts

Assembly Parts spare parts
View Components

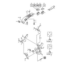
Body Work - Front

Body Work - Front spare parts
View Components

Body Work - Rear

Body Work - Rear spare parts
View Components

Frame

Frame spare parts
View Components

Hydraulic Lift

Hydraulic Lift spare parts
View Components

Seat

Seat spare parts
View Components

Steering

Steering spare parts
View Components

Hand Controls

Hand Controls spare parts
View Components

Foot Controls

Foot Controls spare parts
View Components

EI. Equipment

EI. Equipment spare parts
View Components

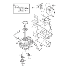
Diesel Engine Hatz

Diesel Engine Hatz spare parts
View Components

Transmission (3)

Transmission (3) spare parts
View Components

Transmission (4)

Transmission (4) spare parts
View Components

Wheels 16"

Wheels 16
View Components

Power Take-Off

Power Take-Off spare parts
View Components

Power Take-Off (2)

Power Take-Off (2) spare parts
View Components

Wsm Park 2000-2007

View PDF

Customer reviews

Realy helpfull
Team of people
Web site for selecting parts simple to use
Prices seem to be very competative for oem parts
First place i visit for stiga genuine parts
nicholas townsend
01/05/2026
Excellent webpage which enabled me to quickly order the parts I required. Prompt despatch and delivery to get the machine up and running again. Fantastic reliable Service, thank you.
richard wilson
01/05/2026
The spare mower bag was late to be delivered. I had to approach WoM to ensure delivery. It was ordered on 14 April and delivered on the 28th.
Jack Rudram
01/05/2026
The parts I needed for my Mountfield mower were a good price. I opted for Royal Mail second class post and delivery was 2 days after ordering.

I have saved WOM to my bookmarks and will definitely be using them again. Good price very efficient.
Curtis Lewis
01/05/2026

View all
All our prices include VAT
Get in Touch

Contact Us

  • Address: Criftin Enterprise Centre, Unit 8, Oxton Road, Epperstone, Nottingham, NG14 6AT

  • Phone: 0115 920 0099

  • Email: info@worldofmowers.co.uk

Product categories

  • Lawn Mowers

  • Lawn Tractors

  • Front Cut Mowers & Decks

  • Tractor & Front Cut Accessories

  • Hedge Trimmers

  • Trimmers

  • Cultivators

  • Blower Vacs

  • Robot Mowers

  • Scarifiers

  • Chainsaws

  • All Stiga Battery Machinery

  • Stiga Garden Hand Tools

Spare parts

  • Front Mowers

  • Lawn Tractors

  • Lawn Mowers

  • Chainsaws

  • Brushcutters-Trimmers

  • Blowers

  • Scarifiers

  • Tillers

Our Blog

  • A Notice On Stock Shortages

    02 July 2022

    In the current climate all business’ have taken a hit from Brexit, the pandemicas well as shortages of vital components needed for the manufacture of heavygoods and machinery, and here at World of Mowers it has finally caught up tous. We value our customers dearly and try to ensure the best possibleshopping experien ... Read More

World of Mowers

© Copyright 2026. All Rights Reserved.

  • About Us
  • Terms & Conditions
  • Privacy
  • Cookie Policy
  • FAQ's
  • Sitemap
  • Contact Us
By using this site you agree to our Terms and Conditions and our Cookie Policy.
Please Accept these before using the site.