Diesel Engine Hatz

Diesel Engine Hatz assembly details for Stiga Park Diesel 4WD (13-6181-33) 2007 model

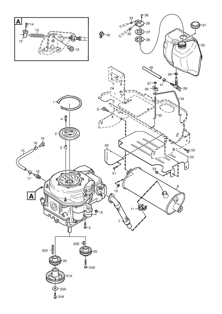
Parts list

Match the number with the image on the left and click "Add" button to add the item to your basket

Please note, that the prices are for individual items

Items might appear more than once on the drawing, please check and adjust the quantity you require.

RefNoDescriptionPrice
0021134-4962-01FAN COVER£67.05 Add to
004112727793/0SCREW M6 x 30£2.06 Add to
0059997-1050-16SCREW M6S M10 x 50£2.87 Add to
0069731-1031-22LOCK NUT M6MF M10£2.47 Add to
0071134-6012-01EXHAUST PIPE£401.85 Add to
008187751507/0MUFFLER ASSY£342.17 Add to
0099959-0820-16FLANGED SCREW M8 x 20 8.8 DIN 6921£2.06 Add to
010112293201/0HEXAGON NUT M8 WITH EXAGONAL FLANGE£2.06 Add to
0119578-0011-01TUBE CLAMP£14.58 Add to
0121134-6118-01CABLE NIPPLE£12.96 Add to
0131134-6126-01SPRING£12.96 Add to
014112788512/0SCREW M4 x 12£2.06 Add to
0151134-5827-04OIL DRAIN ASSEMBLY£34.35 Add to
0161134-5825-01NIPPLE£58.87 Add to
0179578-0023-04HOSE CLAMP£5.32 Add to
0181134-3499-02USE 9578-0023-00£3.69 Add to
0191134-5826-01PLUG£24.95 Add to
0201134-6139-01ENGINE BELT PULLEY£85.54 Add to
022B9600-0251-00KEY L=3/4"£4.91 Add to
0251134-5938-02FUEL TANK (DIESEL)£207.95 Add to
0261134-6130-01FUEL CONNECTION£54.62 Add to
0271134-6136-01SEALING WASHER£13.31 Add to
029118563206/0FUEL SHUT-OFF VALVE (LONCIN)£23.69 Add to
030337260156/0GROMMET£8.84 Add to
031125795001/1FUEL TANK CAP£8.32 Add to
0329578-0023-02HOSE CLAMP£5.73 Add to
0339578-0023-07HOSE CLAMP£4.52 Add to
0341134-5942-01TANK LOOP£9.54 Add to
0351134-5996-01TANK LOOP£7.10 Add to
0361134-4481-02WING NUT£6.14 Add to
037112154510/0LOW SELF-LOCKING NUT M6 UNI7474 ACC.6S£2.06 Add to
0389959-0820-16FLANGED SCREW M8 x 20 8.8 DIN 6921£2.06 Add to
0399997-0520-16SCREW M6S M5 x 20£2.32 Add to
0401134-2975-15FUEL HOSE (L=1400)£32.99 Add to
0419578-0023-02HOSE CLAMP£5.73 Add to
0421134-0994-02TUBE CLAMP£7.10 Add to
0501134-6234-01HEAT DEFLECTOR£17.86 Add to
0519943-0516-16SCREW£2.40 Add to
0521134-6251-01HEAT DEFLECTOR£39.80 Add to
0539959-0612-16SCREW M6SF M6 x 12 TL£1.79 Add to
054112292102/0FLANGED HEXAGONAL NUT M6£2.06 Add to