mtd
  • 0115 920 0099
  • World Of Mowers
  • M T D
  • My account
  • Basket
  •  Spares
    •  Gutbrod
    •  Mastercut
    •  MOWMASTER
    •  MTD
    •  MTD-Engines
  • Contact Us
  • Home
  • MTD Spares
  • 13AH761F624 (2010)

13AH761F624 (2010)

Spindle 618-04474

Spindle 618-04474 spare parts
View Components

Axles

Axles spare parts
View Components

Ignition switch

Ignition switch spare parts
View Components

Throttle cable

Throttle cable spare parts
View Components

Choke control

Choke control spare parts
View Components

Battery

Battery spare parts
View Components

Steering wheel with logo

Steering wheel with logo spare parts
View Components

Seat low back (228mm)

Seat low back (228mm) spare parts
View Components

Deck lift

Deck lift spare parts
View Components

Frame

Frame spare parts
View Components

Steering

Steering spare parts
View Components

Fender

Fender spare parts
View Components

Foot pad

Foot pad spare parts
View Components

Speed control

Speed control spare parts
View Components

Dashboard

Dashboard spare parts
View Components

Battery holder, Fuel tank

Battery holder, Fuel tank spare parts
View Components

Hub caps

Hub caps spare parts
View Components

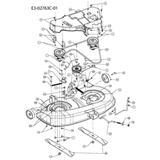
Mowing deck F (38"/96cm)

Mowing deck F (38
View Components

Front belt cover mowing deck F (38"/96cm)

Front belt cover mowing deck F (38
View Components

Deck engagement, Engine pulley

Deck engagement, Engine pulley spare parts
View Components

Seat bracket

Seat bracket spare parts
View Components

Front axle

Front axle spare parts
View Components

Engine accessories

Engine accessories spare parts
View Components

Engine hood 1-Style

Engine hood 1-Style spare parts
View Components

Front wheels 13x5

Front wheels 13x5 spare parts
View Components

Seat

Seat spare parts
View Components

Rear wheels 18x6.5

Rear wheels 18x6.5 spare parts
View Components

Deflector

Deflector spare parts
View Components

Drive system, Pedals

Drive system, Pedals spare parts
View Components

Gearbox 618-04566

Gearbox 618-04566 spare parts
View Components

Electric parts

Electric parts spare parts
View Components

Wiring diagram

Wiring diagram spare parts
View Components

Customer reviews

Order promptly dealt with and delivered on date stated.
Thank you
Stuart Lowe
25/03/2026
Ordered a blade for a Mountfield mower which arrived promptly, really well packaged, and was exactly as described. Easy to order, good value and quick delivery. Thanks
Robert Cordwell
23/03/2026
Really quick delivery and able to get the infornation on part needed.
Steven Foster
22/03/2026
Easy to order correct part online good price quick delivery
Paul Sibley
21/03/2026

View all
All our prices include VAT
Get in Touch

Contact Us

  • Address: Criftin Enterprise Centre, Unit 8, Oxton Road, Epperstone, Nottingham, NG14 6AT

  • Phone: 0115 920 0099

  • Email: info@worldofmowers.co.uk

Spare parts

  • Gutbrod

  • Mastercut

  • MOWMASTER

  • MTD

  • MTD-Engines

Our Blog

  • A Notice On Stock Shortages

    02 July 2022

    In the current climate all business’ have taken a hit from Brexit, the pandemicas well as shortages of vital components needed for the manufacture of heavygoods and machinery, and here at World of Mowers it has finally caught up tous. We value our customers dearly and try to ensure the best possibleshopping experien ... Read More

World of Mowers

© Copyright 2026. All Rights Reserved.

  • About Us
  • Terms & Conditions
  • Privacy
  • Cookie Policy
  • FAQ's
  • Sitemap
  • Contact Us
By using this site you agree to our Terms and Conditions and our Cookie Policy.
Please Accept these before using the site.