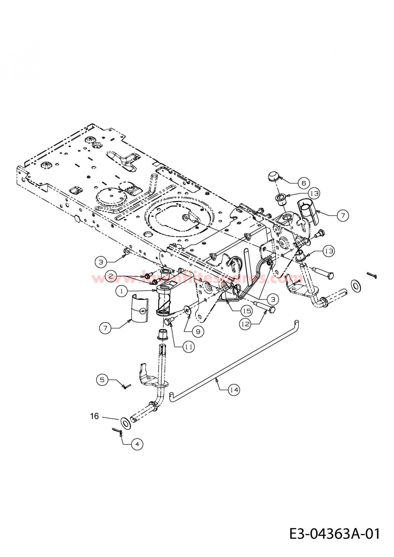
Front axle

Parts list

Match the number with the image on the left and click "Add" button to add the item to your basket

Please note, that the prices are for individual items

Items might appear more than once on the drawing, please check and adjust the quantity you require.

RefNoDescriptionPrice
001683-0128BAXLE ASM:PIVOT BARN/A POA
002710-1260ASCREW£4.00 Add to
003712-04065NUT£4.02 Add to
004714-04039PIN:COT:5/32:1.25£4.70 Add to
005714-0474PIN (RED)£3.20 Add to
006726-0341CAP£4.89 Add to
007731-1291AENDCAP AXLE£10.11 Add to
008736-0316WASHER£5.97 Add to
009736-0331BELL WASHER£3.95 Add to
011738-0143SHOULDER BOLT£12.24 Add to
012738-04128BOLT:SHLDR:.500 X 2.38:3/8-16£7.30 Add to
013741-0660AFLANGE BEARING£6.36 Add to
014747-04299ATRACK ROD£22.37 Add to
015783-05326BRKT:PIVOT:BAR LT-5N/A POA
016736-0316WASHER£5.97 Add to