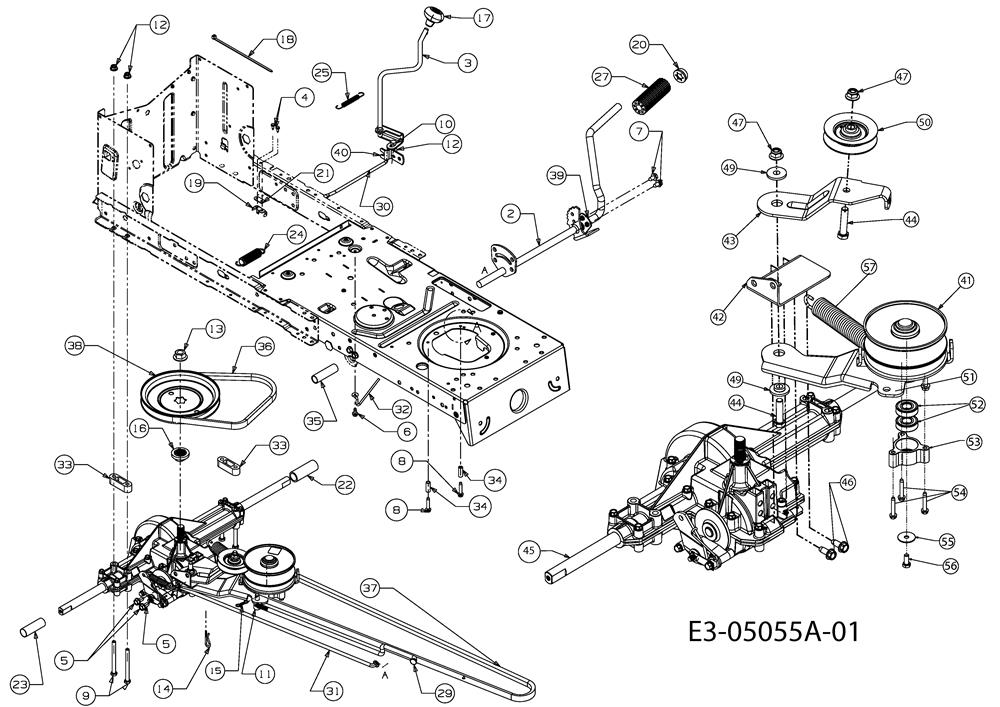
Drive system, Pedals

Parts list

Match the number with the image on the left and click "Add" button to add the item to your basket

Please note, that the prices are for individual items

Items might appear more than once on the drawing, please check and adjust the quantity you require.

RefNoDescriptionPrice
002647-04034CPED ASM:DRIVE LT-5N/A POA
003647-04035SHFT ASM:PIVOT£25.64 Add to
004710-0227SCR:AB:#8-18:0.500:HXINDWH£3.07 Add to
005710-04484SCR:TT:5/16-18:.750:HXINDWSH£5.27 Add to
006710-0599HEX TT SCREW 1/4-20£4.95 Add to
007710-0604ASCREW£3.62 Add to
008710-0809SCR:TT:1/4-20:1.250:HXINDWSH£3.42 Add to
009710-1266SCREW HHCS:5/16-18:3.5:GR5:STD£4.70 Add to
010710-3008HEX BOLT£3.03 Add to
011711-04075AFRL:3/8-24 X.375 DIA£12.75 Add to
012712-04063FLANGED NUT£4.20 Add to
013712-0700NUT:FLANGE:9/16-18:GR2£13.38 Add to
014714-0209INTERNAL COTTER PIN .125 DIA£3.49 Add to
015714-04040PIN-COTTER£4.38 Add to
016718-04407HUB:PUL:5/8 SPLINE£20.19 Add to
017720-04028SHIFT KNOB BLACK£8.34 Add to
018725-0157NO LONGER AVAILABLEN/A POA
019725-1644SWITCH:SPRING:SHORT£6.24 Add to
020726-0214PUSH CAP£5.36 Add to
021726-0320INSULATING PLATE£2.97 Add to
022731-04602SLEV:.758X.821X3.3125£5.91 Add to
023731-04604SLEV:.758X.821X2.4375£5.50 Add to
024732-04306EXTENSION SPRING£12.55 Add to
025732-04488SPRING:EXT:.38 OD x 3.25 LG£16.58 Add to
026732-0716DSPRING EXTENSION£14.42 Add to
027735-0239AFOOT PAD£8.75 Add to
029747-04265ROD:CONT:VARIABLE SPEED£27.23 Add to
030747-04568ROD SHIFT LT-5 46"£20.87 Add to
031747-04733AROD:BRAKE:LT-5 TRANS£25.42 Add to
032747-04969ROD:KEEPR:BELT£16.56 Add to
033748-0334TRANSAXLE SPACER .68£6.32 Add to
034750-0566ASPACER£7.75 Add to
035750-0802SPCR:.640 ID X .76 OD X2.63 LG£3.20 Add to
036754-05040V BELT£38.34 Add to
037754-04001ABELT:V TYP:5L:68.90:POLY£52.55 Add to
038756-04002PULLEY:V-TYPE:7.25 DIA SPUN£35.15 Add to
039783-04536B-SBRKT:PED:SUPT: LT-5£14.02 Add to
040783-04595ABRKT:SHFT:ADJ£7.30 Add to
041656-05011PULLEY£81.80 Add to
042683-04176ABRKT ASM:TRANS:TORQ LT-5£35.04 Add to
043683-04207BRKT ASM:IDLER£96.77 Add to
044710-0347HEX SCR£3.72 Add to
045618-04566TRANS ASM:SNGL SPD£783.54 Add to
046710-1260ASCREW£4.00 Add to
047712-04065NUT£4.02 Add to
049738-0347SPACER£4.16 Add to
050756-04325PULLEY£35.65 Add to
051683-04206BRACKET ASM:VARI:REAR LT-5N/A POA
052741-0124ABALL BEARING£20.00 Add to
053718-04261BEARING HOUSING£15.33 Add to
054710-0778HEX WASHER HEAD SCREW£3.20 Add to
055736-0362WASH-FLAT:.330 x 1.25 x.06:HD£4.66 Add to
056710-0627HEX SCREW£3.32 Add to
057732-04076ASPR:EXTN:1.15 OD x 7.90 LG£17.39 Add to