mtd
  • 0115 920 0099
  • World Of Mowers
  • M T D
  • My account
  • Basket
  •  Spares
    •  Gutbrod
    •  Mastercut
    •  MOWMASTER
    •  MTD
    •  MTD-Engines
  • Contact Us
  • Home
  • MTD Spares
  • 138-3420 (1988)

138-3420 (1988)

Dashboard, Engine hood, Fender

Dashboard, Engine hood, Fender spare parts
View Components

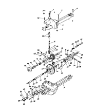
Front axle

Front axle spare parts
View Components

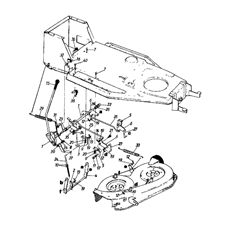
Drive system, Engine pulley, Pedal, Rear wheels

Drive system, Engine pulley, Pedal, Rear wheels spare parts
View Components

Gearbox

Gearbox spare parts
View Components

Deck lift

Deck lift spare parts
View Components

Mowing deck D (32"/81cm)

Mowing deck D (32
View Components

Wiring diagram Vanguard

Wiring diagram Vanguard spare parts
View Components

Customer reviews

All good. Used before.
Paul Bryan
26/03/2026
Excellent service easy to read ordering system
Michael j Hunter
26/03/2026
Great parts, great service, definitely recomanded
enzo palazzoni
26/03/2026
First rate service and price , new blade boss fits perfectly and fast delivery, mower was back working in a couple of days
David Livingstone
26/03/2026

View all
All our prices include VAT
Get in Touch

Contact Us

  • Address: Criftin Enterprise Centre, Unit 8, Oxton Road, Epperstone, Nottingham, NG14 6AT

  • Phone: 0115 920 0099

  • Email: info@worldofmowers.co.uk

Spare parts

  • Gutbrod

  • Mastercut

  • MOWMASTER

  • MTD

  • MTD-Engines

Our Blog

  • A Notice On Stock Shortages

    02 July 2022

    In the current climate all business’ have taken a hit from Brexit, the pandemicas well as shortages of vital components needed for the manufacture of heavygoods and machinery, and here at World of Mowers it has finally caught up tous. We value our customers dearly and try to ensure the best possibleshopping experien ... Read More

World of Mowers

© Copyright 2026. All Rights Reserved.

  • About Us
  • Terms & Conditions
  • Privacy
  • Cookie Policy
  • FAQ's
  • Sitemap
  • Contact Us
By using this site you agree to our Terms and Conditions and our Cookie Policy.
Please Accept these before using the site.