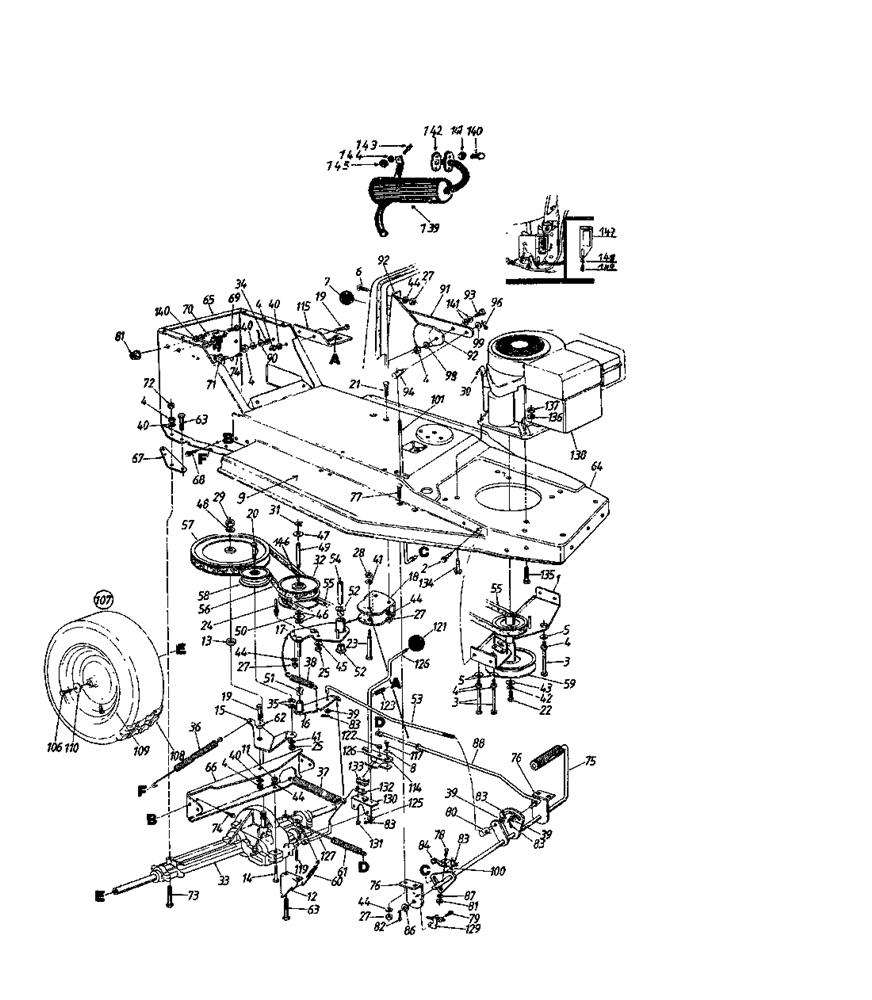
Drive system, Engine pulley, Pedal, Rear wheels

Parts list

Match the number with the image on the left and click "Add" button to add the item to your basket

Please note, that the prices are for individual items

Items might appear more than once on the drawing, please check and adjust the quantity you require.

RefNoDescriptionPrice
002710-0776ASCREW-HEX WASH HD£3.20 Add to
003710-0833SCREW-HEX£22.44 Add to
004712-3010NUT 5/16 x 18£2.77 Add to
004712-0833N/A POA
005736-0242BELL WASHER£3.72 Add to
006710-0286SCREW£3.31 Add to
007720-0232KNOB:SHFT:1.60 OD X 1.56£6.72 Add to
008736-0270BELL WASHER£3.91 Add to
009723-0474FOOT PAD RIGHT£20.71 Add to
011712-0138NUT£3.03 Add to
012783-1325637HALTEWINKEL R CKZUGFEDER DECK£14.28 Add to
014710-0559NO LONGER AVAILABLEN/A POA
01515891CNO LONGER AVAILABLEN/A POA
01616352ANO LONGER AVAILABLEN/A POA
01716676ABRACKET ASSY-VAR SP£29.89 Add to
01816679SLEEVE BEARING 0.75X1.75X0.625£17.51 Add to
019710-3008HEX BOLT£3.03 Add to
020710-0539HHCS:3/8-24:1.75:GR5:STD£4.46 Add to
021710-0703SCR:CRG:1/4-20:.75:GR5£3.07 Add to
022710-0757HEX SCREW£7.96 Add to
023710-0937HEX BOLT 3/8-16 X 2.50" LG.£4.64 Add to
024711-1000BELT KEEPER£9.71 Add to
025712-0241HEX NUT 3/8-24£2.79 Add to
027712-0287NUT HEX£3.31 Add to
028712-0798HEX. NUT£7.61 Add to
029712-0922NO LONGER AVAILABLEN/A POA
031716-0114RING:RET:.56 DIA SHAFT£3.58 Add to
032717-0800APUL:DR:VARI SPD 5.06 DIA£236.50 Add to
033753-0537TRANSAXLE (SEE BREAKDOWN) 717-0775V£625.41 Add to
036732-0384EXT SPRING£15.79 Add to
037732-0459SPRING 6.7£15.10 Add to
038732-0568SPRING EXTENSION£5.45 Add to
039736-0117WASH:FLAT:.385 x.620 x.033£3.31 Add to
040736-0119LOCK WASHER 5/16£3.33 Add to
041736-0169L. WASHER£2.89 Add to
042736-0171WASHER£2.93 Add to
043736-0322FI-WASH£8.68 Add to
044736-0329L. WASHER£3.26 Add to
045736-0331BELL WASHER£3.95 Add to
046736-0355WASHER£3.19 Add to
047736-0414WASHER£5.00 Add to
049738-0569SHAFT V. PULLEY£39.36 Add to
050741-0405NO LONGER AVAILABLEN/A POA
051741-0419FLANGE BEARING (OBSOLETE)N/A
052741-0495FLANGED BRG.£8.22 Add to
053747-0688RodN/A POA
054750-0703SPACER .375 ID X .625 OD X 1.5£11.36 Add to
055754-0280ABELT£70.95 Add to
056754-0281BELT TRANS 620£53.72 Add to
057756-0374NO LONGER AVAILABLEN/A POA
058756-0643APUL IDLER FLAT 3.12£27.94 Add to
059756-0458NO LONGER AVAILABLEN/A POA
060732-0303SPRING:EXTN:.375 x 3.18 LG£6.43 Add to
061732-0413EXT SPRING£12.22 Add to
062748-0234SHOULDER SPACER£5.43 Add to
063710-0176HHCS:5/16-18:2.75:GR5:STD£6.11 Add to
06616654BRACKET-TRANSAXLE SUPPORTN/A POA
06716659637PLATE-REINFORCEMENT£12.14 Add to
068710-0726HEX SCREW AB 5/16-12:0.750£3.19 Add to
072712-0158NUT, HEX CENTER LOCK, 5/16-18£9.35 Add to
073710-0189HHCS:5/16-18:3.00:GR5:STD£4.62 Add to
074710-1388SCREW£3.23 Add to
07516689BPEDAL ASSYN/A POA
07616691BBRACKET-MTG£5.86 Add to
077710-0134BOLT£3.03 Add to
078710-0597HEX SEMS SCREW£2.97 Add to
080711-0198PIVOT BUSHING£12.12 Add to
082714-0111COTTER PIN£3.20 Add to
083714-0507COTTER PIN 3/32 DIA£3.13 Add to
086736-0256WASHER:FL:.635 IDX.930 ODX.03£3.20 Add to
088747-0686ROD ASSY-BRAKEN/A POA
090725-0976ANO LONGER AVAILABLEN/A POA
09117457BNO LONGER AVAILABLEN/A POA
099736-0264WASH:FLAT:.330 x.630x.0635£3.59 Add to
100736-0463WASH:FLAT: .250 x .630 x .052£3.31 Add to
101747-0675ANO LONGER AVAILABLEN/A POA
106710-0627HEX SCREW£3.32 Add to
108734-1423TIRE ONLY£190.62 Add to
109734-1450NO LONGER AVAILABLEN/A POA
110736-0242BELL WASHER£3.72 Add to
115861942T7SHIFT LEVER SPRING BRKT. 16482N/A POA
117710-0289HHCS:1/4-20:.50:GR2:STD£20.02 Add to
119714-0149BCOTTER PIN£3.58 Add to
121631-0009AKNOB:SHIFTER:3/8-16 THRD£9.83 Add to
122725-0231N/A POA
123732-0499COMPRESSION SPRING£4.38 Add to
125736-0226WASHER:FLAT:.474 x.879 x.064£3.39 Add to
127747-0685CLUTCH LINK (OBSOLETE) (OBSOLETE)N/A
129725-0577SICHERUNGSSCHALTER 090.90.040£26.54 Add to
134710-0502ASCR:TTSEMS:3/8-16:1.250:HXLWSH£7.56 Add to
135710-0672HHCS:5/16-24:1.25:GR5:STD£3.51 Add to
136736-0119LOCK WASHER 5/16£3.33 Add to
137712-3057NUT 5/16-24£3.00 Add to
140710-3008HEX BOLT£3.03 Add to
141736-0271WASHER£3.16 Add to
142721-0208EXHAUST GSKT 10 & 11 HP£5.80 Add to
144735-0119N/A POA
145712-3010NUT 5/16 x 18£2.77 Add to
146741-0404BRG:NDL:.5625 IDx.7500x.5550£34.91 Add to