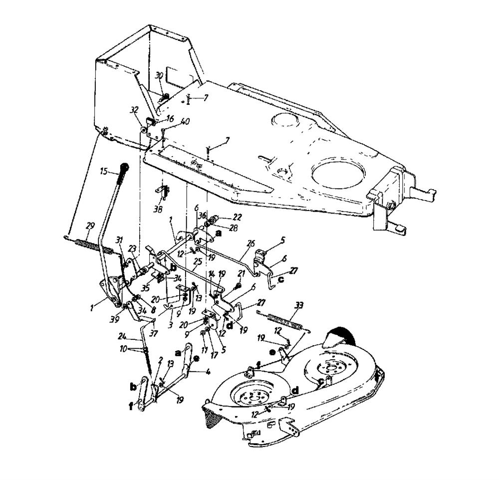
Deck lift

Parts list

Match the number with the image on the left and click "Add" button to add the item to your basket

Please note, that the prices are for individual items

Items might appear more than once on the drawing, please check and adjust the quantity you require.

RefNoDescriptionPrice
00116842SHAFT ASSY-LIFT 16661£124.99 Add to
00216682P637SLEEVE ASSY-PIVOT 16682£25.42 Add to
00316683STOP-DEFLECTORN/A POA
00416688N/A POA
00516692N/A POA
00616698BRACKET-DECK LIFT£39.07 Add to
007710-0134BOLT£3.03 Add to
008712-0158NUT, HEX CENTER LOCK, 5/16-18£9.35 Add to
009712-0287NUT HEX£3.31 Add to
010712-0711NUT£3.07 Add to
011712-0798HEX. NUT£7.61 Add to
012714-0104PIN INTERNAL COTTER£2.78 Add to
013714-0115COTTER PIN£3.42 Add to
014714-0507COTTER PIN 3/32 DIA£3.13 Add to
015720-0143PULL HANDLE 090.47.413£7.63 Add to
017736-0169L. WASHER£2.89 Add to
019736-0185FLAT WASHER (RED)£3.59 Add to
020736-0329L. WASHER£3.26 Add to
021738-0281SCR:SHLDR:.625 x.17:3/8-16£8.44 Add to
022741-0225HEX FLANGE BEARING£4.92 Add to
023741-0495FLANGED BRG.£8.22 Add to
024747-0677ROD-TIEN/A POA
025747-0678ROD-CONNECTING-RH£21.55 Add to
026747-0679ROD-CONNECTING-LH£27.54 Add to
027747-0689STIRRUP£8.42 Add to
028750-0547NO LONGER AVAILABLEN/A POA
029732-0153NO LONGER AVAILABLEN/A POA
030710-0793SCREW-RIBBED NECKN/A POA
031712-0241HEX NUT 3/8-24£2.79 Add to
032736-0354WASHER-FL£3.03 Add to
033732-0564SPRING, GOVERNOR (OBSOLETE) (OBSOLETE)N/A
034712-3010NUT 5/16 x 18£2.77 Add to
035710-0602SCREW:TT:5/16-18:1.00:HXINDWSH£5.64 Add to