mtd
  • 0115 920 0099
  • World Of Mowers
  • M T D
  • My account
  • Basket
  •  Spares
    •  Gutbrod
    •  Mastercut
    •  MOWMASTER
    •  MTD
    •  MTD-Engines
  • Contact Us
  • Home
  • MTD Spares
  • 135C450D678 (1995)

135C450D678 (1995)

Wiring diagram single cylinder

Wiring diagram single cylinder spare parts
View Components

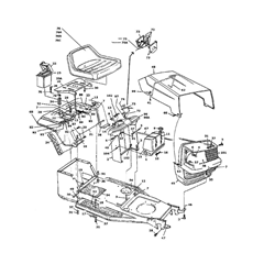
Drive system, Engine pulley, Pedal, Rear wheels

Drive system, Engine pulley, Pedal, Rear wheels spare parts
View Components

Gearbox 618-0166

Gearbox 618-0166 spare parts
View Components

Gearbox 618-0077

Gearbox 618-0077 spare parts
View Components

Gearbox 618-0076

Gearbox 618-0076 spare parts
View Components

Deck lift

Deck lift spare parts
View Components

Mowing deck D (32"/81cm)

Mowing deck D (32
View Components

Spindle 717-0900A

Spindle 717-0900A spare parts
View Components

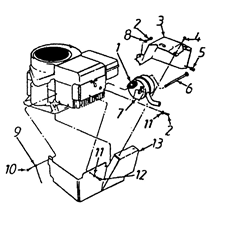
Engine accessories

Engine accessories spare parts
View Components

Wiring diagram single cylinder

Wiring diagram single cylinder spare parts
View Components

Throttle limiter

Throttle limiter spare parts
View Components

Dashboard, Engine hood, Fender

Dashboard, Engine hood, Fender spare parts
View Components

Customer reviews

Easy diagrams to find my part and just a few days for delivery. I would use again..
Richard Wallis
26/03/2026
Great service, had the part in stock when other suppliers didn't. Good price and quick delivery. Will be using them again for sure.
Michael Williams
26/03/2026
My go to for lawn mower parts. Good value, well packaged and prompt. Also very helpful and efficient when I've needed to call.
Michael Williams
26/03/2026
All good. Used before.
Paul Bryan
26/03/2026

View all
All our prices include VAT
Get in Touch

Contact Us

  • Address: Criftin Enterprise Centre, Unit 8, Oxton Road, Epperstone, Nottingham, NG14 6AT

  • Phone: 0115 920 0099

  • Email: info@worldofmowers.co.uk

Spare parts

  • Gutbrod

  • Mastercut

  • MOWMASTER

  • MTD

  • MTD-Engines

Our Blog

  • A Notice On Stock Shortages

    02 July 2022

    In the current climate all business’ have taken a hit from Brexit, the pandemicas well as shortages of vital components needed for the manufacture of heavygoods and machinery, and here at World of Mowers it has finally caught up tous. We value our customers dearly and try to ensure the best possibleshopping experien ... Read More

World of Mowers

© Copyright 2026. All Rights Reserved.

  • About Us
  • Terms & Conditions
  • Privacy
  • Cookie Policy
  • FAQ's
  • Sitemap
  • Contact Us
By using this site you agree to our Terms and Conditions and our Cookie Policy.
Please Accept these before using the site.