Mountfield
  • My account
  • Basket
  • Contact Us
  • 0115 920 0099
  • Home
  •  Spares
    •  Front Mowers
    •  Lawn Tractors
    •  Lawn Mowers
    •  Chainsaws
    •  Brushcutters-Trimmers
    •  Blowers
    •  Scarifiers
    •  Tillers
  •  New products
    •  Lawn Mowers
    •  Lawn Tractors
    •  Front Cut Mowers & Decks
    •  Tractor & Front Cut Accessories
    •  Hedge Trimmers
    •  Trimmers
    •  Cultivators
    •  Blower Vacs
    •  Robot Mowers
    •  Scarifiers
    •  Chainsaws
    •  All Stiga Battery Machinery
    •  Stiga Garden Hand Tools
  • Contact Us

Search by model number

Search by part number

  • Home
  • Stiga Spares
  • Lawn Tractors
  • Lawn Tractor Mowers
  • 2021
  • Estate 5102 HW (2T1710381/ST1)

Estate 5102 HW (2T1710381/ST1)

Assembly List For Stiga 2021 Model Estate 5102 HW (2T1710381/ST1)

CHASSIS HIGH END

CHASSIS HIGH END spare parts
View Components

BODY

BODY spare parts
View Components

STEERING 15"

STEERING 15
View Components

STEERING 15"

STEERING 15
View Components

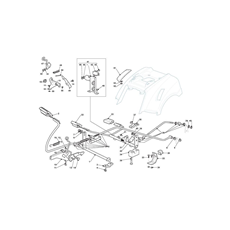
BRAKE AND GEARBOX CONTROL

BRAKE AND GEARBOX CONTROL spare parts
View Components

ENGINE - HONDA GXV 530

ENGINE - HONDA GXV 530 spare parts
View Components

HYDROGEAR TRANSMISSION WITH ELECTROMAGNETIC CLUTCH

HYDROGEAR TRANSMISSION  WITH ELECTROMAGNETIC CLUTCH spare parts
View Components

CUTTING PLATE LIFTING

CUTTING PLATE LIFTING spare parts
View Components

BLADES ENGAGEMENT

BLADES ENGAGEMENT spare parts
View Components

CUTTING PLATE

CUTTING PLATE spare parts
View Components

CUTTING DECK & BLADES TRANSMISSION PLATE ASSY - NJ102

CUTTING DECK & BLADES TRANSMISSION PLATE ASSY - NJ102 spare parts
View Components

GUARDS AND CONVEYOR

GUARDS AND CONVEYOR spare parts
View Components

GRASSCATCHER HIGH END - 290LT

GRASSCATCHER HIGH END - 290LT spare parts
View Components

ELECTRICAL PARTS

ELECTRICAL PARTS spare parts
View Components

OPTIONS ON REQUEST

OPTIONS ON REQUEST spare parts
View Components

LABELS

LABELS spare parts
View Components

TANK 6 LTR

TANK 6 LTR spare parts
View Components

SEAT & STEERING WHEEL

SEAT & STEERING WHEEL spare parts
View Components

WHEELS

WHEELS spare parts
View Components

TRANSMISSION UNIT, HYDRO-GEAR T2-ADBF-2X3C-17X1

TRANSMISSION UNIT, HYDRO-GEAR T2-ADBF-2X3C-17X1 spare parts
View Components

FAN COVER

FAN COVER spare parts
View Components

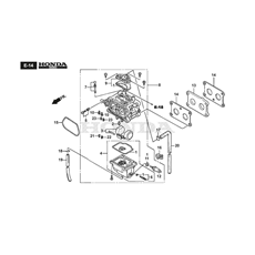
CARBURETOR

CARBURETOR spare parts
View Components

FUEL PUMP

FUEL PUMP spare parts
View Components

FLYWHEEL

FLYWHEEL spare parts
View Components

CYLINDER

CYLINDER spare parts
View Components

IGNITION COIL

IGNITION COIL spare parts
View Components

STARTER MOTOR

STARTER MOTOR spare parts
View Components

CONTROL

CONTROL spare parts
View Components

REGULATOR RECTIFIER

REGULATOR RECTIFIER spare parts
View Components

CRANKCASE

CRANKCASE spare parts
View Components

OIL PAN

OIL PAN spare parts
View Components

PISTON/CONNECTING ROD

PISTON/CONNECTING ROD spare parts
View Components

CAMSHAFT

CAMSHAFT spare parts
View Components

RO-054 Electromagnetic Clutches - air gap adjustment

View PDF

Workshop manual NJ102

View PDF

Customer reviews

Very pleased with the service and delivery.
Nilesh Chudasama
08/11/2025
Very hepful staff, kept me up to date with my order even though it took longer to arrive than expected but that was not their fault. I would use them again, I would recommended this company.
Stuart Campbell
08/11/2025
I had a mower that someone had given me and was missing parts..
I phoned up and and toldthem my situation with the mower and was told exactly what was needed..
Can't thank them enough very knowledgeable...
Than you once again
Lee Jones
07/11/2025
All very helpful and efficient
Jon Richardson
07/11/2025

View all
All our prices include VAT
Get in Touch

Contact Us

  • Address: Criftin Enterprise Centre, Unit 8, Oxton Road, Epperstone, Nottingham, NG14 6AT

  • Phone: 0115 920 0099

  • Email: info@worldofmowers.co.uk

Product categories

  • Lawn Mowers

  • Lawn Tractors

  • Front Cut Mowers & Decks

  • Tractor & Front Cut Accessories

  • Hedge Trimmers

  • Trimmers

  • Cultivators

  • Blower Vacs

  • Robot Mowers

  • Scarifiers

  • Chainsaws

  • All Stiga Battery Machinery

  • Stiga Garden Hand Tools

Spare parts

  • Front Mowers

  • Lawn Tractors

  • Lawn Mowers

  • Chainsaws

  • Brushcutters-Trimmers

  • Blowers

  • Scarifiers

  • Tillers

Our Blog

  • A Notice On Stock Shortages

    02 July 2022

    In the current climate all business’ have taken a hit from Brexit, the pandemicas well as shortages of vital components needed for the manufacture of heavygoods and machinery, and here at World of Mowers it has finally caught up tous. We value our customers dearly and try to ensure the best possibleshopping experien ... Read More

World of Mowers

© Copyright 2025. All Rights Reserved.

  • About Us
  • Terms & Conditions
  • Privacy
  • Cookie Policy
  • FAQ's
  • Sitemap
  • Contact Us
By using this site you agree to our Terms and Conditions and our Cookie Policy.
Please Accept these before using the site.