Mountfield
  • My account
  • Basket
  • Contact Us
  • 0115 920 0099
  • Home
  •  Spares
    •  Front Mowers
    •  Lawn Tractors
    •  Lawn Mowers
    •  Chainsaws
    •  Brushcutters-Trimmers
    •  Blowers
    •  Scarifiers
    •  Tillers
  •  New products
    •  Lawn Mowers
    •  Lawn Tractors
    •  Front Cut Mowers & Decks
    •  Tractor & Front Cut Accessories
    •  Hedge Trimmers
    •  Trimmers
    •  Cultivators
    •  Blower Vacs
    •  Robot Mowers
    •  Scarifiers
    •  Chainsaws
    •  All Stiga Battery Machinery
    •  Stiga Garden Hand Tools
  • Contact Us

Search by model number

Search by part number

  • Home
  • Stiga Spares
  • Lawn Tractors
  • Lawn Tractor Mowers
  • 2022
  • ESTATE 5102 HW (2T1710381/ST1)

ESTATE 5102 HW (2T1710381/ST1)

Assembly List For Stiga 2022 Model ESTATE 5102 HW (2T1710381/ST1)

FRAME

FRAME spare parts
View Components

BODYWORK

BODYWORK spare parts
View Components

STEERING 15"

STEERING 15
View Components

BRAKE AND GEARBOX CONTROLS

BRAKE AND GEARBOX CONTROLS spare parts
View Components

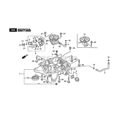
ENGINE - HONDA GXV 530

ENGINE - HONDA GXV 530 spare parts
View Components

HYDROGEAR TRANSMISSION WITH ELECTROMAGNETIC CLUTCH

HYDROGEAR TRANSMISSION WITH ELECTROMAGNETIC CLUTCH spare parts
View Components

CUTTING PLATE LIFTING

CUTTING PLATE LIFTING spare parts
View Components

BLADES ENGAGEMENT

BLADES  ENGAGEMENT spare parts
View Components

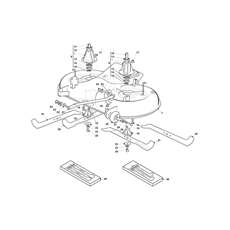
CUTTING PLATE

CUTTING PLATE spare parts
View Components

CUTTING DECK & BLADES TRANSMISSION PLATE - NJ102

CUTTING DECK & BLADES TRANSMISSION PLATE - NJ102 spare parts
View Components

GUARDS AND CONVEYOR

GUARDS AND CONVEYOR spare parts
View Components

GRASS-CATCHER HIGH END - 290LT

GRASS-CATCHER HIGH END - 290LT spare parts
View Components

ELECTRICAL PARTS

ELECTRICAL PARTS spare parts
View Components

OPTIONALS ON REQUEST

OPTIONALS ON REQUEST spare parts
View Components

LABELS

LABELS spare parts
View Components

TANK 6LT

TANK 6LT spare parts
View Components

SEAT & STEERING WHEEL

SEAT & STEERING WHEEL spare parts
View Components

WHEELS

WHEELS spare parts
View Components

FAN COVER

FAN COVER spare parts
View Components

CARBURETTOR

CARBURETTOR spare parts
View Components

FUEL PUMP

FUEL PUMP spare parts
View Components

FLYWHEEL

FLYWHEEL spare parts
View Components

CYLINDER

CYLINDER spare parts
View Components

IGNITION COIL

IGNITION COIL spare parts
View Components

STARTER MOTOR

STARTER MOTOR spare parts
View Components

CONTROL

CONTROL spare parts
View Components

REGULATOR RECTIFIER

REGULATOR RECTIFIER spare parts
View Components

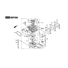
CRANKCASE

CRANKCASE spare parts
View Components

OIL PAN

OIL PAN spare parts
View Components

PISTON , CONNECTING ROD

PISTON , CONNECTING ROD spare parts
View Components

CAMSHAFT

CAMSHAFT spare parts
View Components

TRANSMISSION UNIT , HYDRO-GEAR T2-ADBF-2X3C-17X1

TRANSMISSION UNIT , HYDRO-GEAR T2-ADBF-2X3C-17X1 spare parts
View Components

Customer reviews

Reliable as always - sometimes frustrating that we have to wait for them to get parts from manufacturers, but when they have stock, we get them quickly. Happy with the products and service.
peter ward
16/04/2026
Parts ordered, arrived, fitted, all good.
Bryan Atchison
16/04/2026
Your website showing lawnmower parts is excellent and enabled me to order and receive the spare part I needed. It was delivered in good time too. I did have a query before ordering and tried to contact you by phone over a 2 day period but after several attempts got fed up of listening to your automated response. Are you really that busy that no phone calls are actually answered? I think a call back system would be very helpful to customers and you may even get more sales. I guess many people give up - I nearly did but took a risk in the end.
Michael Hames
15/04/2026
Great people to talk to when I was having problems in knowing what parts to order.
The 2 people that I spoke to were very helpful and friendly.
COLIN JACKSON
14/04/2026

View all
All our prices include VAT
Get in Touch

Contact Us

  • Address: Criftin Enterprise Centre, Unit 8, Oxton Road, Epperstone, Nottingham, NG14 6AT

  • Phone: 0115 920 0099

  • Email: info@worldofmowers.co.uk

Product categories

  • Lawn Mowers

  • Lawn Tractors

  • Front Cut Mowers & Decks

  • Tractor & Front Cut Accessories

  • Hedge Trimmers

  • Trimmers

  • Cultivators

  • Blower Vacs

  • Robot Mowers

  • Scarifiers

  • Chainsaws

  • All Stiga Battery Machinery

  • Stiga Garden Hand Tools

Spare parts

  • Front Mowers

  • Lawn Tractors

  • Lawn Mowers

  • Chainsaws

  • Brushcutters-Trimmers

  • Blowers

  • Scarifiers

  • Tillers

Our Blog

  • A Notice On Stock Shortages

    02 July 2022

    In the current climate all business’ have taken a hit from Brexit, the pandemicas well as shortages of vital components needed for the manufacture of heavygoods and machinery, and here at World of Mowers it has finally caught up tous. We value our customers dearly and try to ensure the best possibleshopping experien ... Read More

World of Mowers

© Copyright 2026. All Rights Reserved.

  • About Us
  • Terms & Conditions
  • Privacy
  • Cookie Policy
  • FAQ's
  • Sitemap
  • Contact Us
By using this site you agree to our Terms and Conditions and our Cookie Policy.
Please Accept these before using the site.