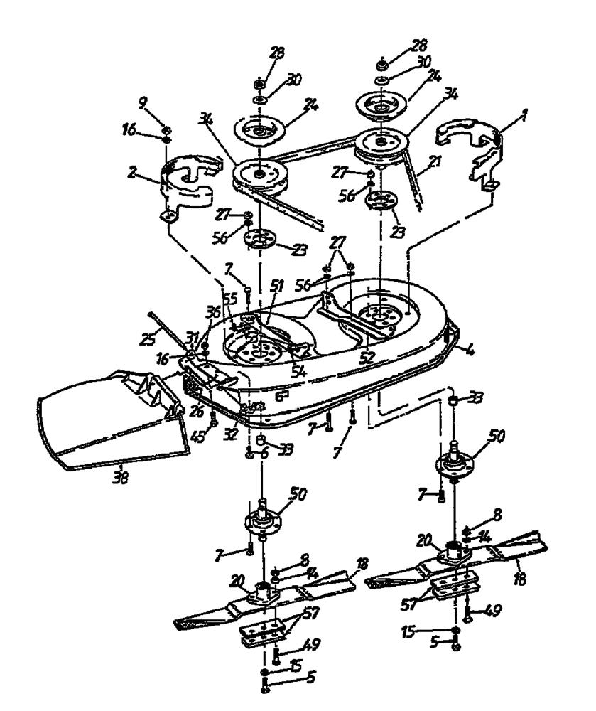
Parts list
Match the number with the image on the left and click "Add" button to add the item to your basket
Please note, that the prices are for individual items
Items might appear more than once on the drawing, please check and adjust the quantity you require.
| Ref |
No |
Description |
Price |
|
|
001
|
16607637
|
BELT GUARD 38 INCH DECK
|
£20.49
|
Add to
|
|
002
|
16608A637
|
NO LONGER AVAILABLE
|
N/A
|
POA
|
|
004
|
17750A637
|
NO LONGER AVAILABLE
|
N/A
|
POA
|
|
005
|
710-0459A
|
TIE ROD BOLT
|
£3.62
|
Add to
|
|
006
|
710-0195
|
HEX BOLT
|
£2.93
|
Add to
|
|
007
|
710-0157
|
HHCS:5/16-24:.75:GR5:STD
|
£6.99
|
Add to
|
|
008
|
712-3057
|
NUT 5/16-24
|
£3.00
|
Add to
|
|
009
|
712-0138
|
NUT
|
£3.03
|
Add to
|
|
014
|
736-0119
|
LOCK WASHER 5/16
|
£3.33
|
Add to
|
|
015
|
736-0217
|
H.L. WASHER (RED)
|
£4.89
|
Add to
|
|
016
|
736-0270
|
BELL WASHER
|
£3.91
|
Add to
|
|
018
|
742-0506A
|
BLADE 16.28IN HIGH LIFT
|
£26.40
|
Add to
|
|
020
|
748-0300
|
BLADE ADAPTOR
|
£20.23
|
Add to
|
|
021
|
754-0151
|
BELT
|
£43.09
|
Add to
|
|
023
|
09164A637
|
PLATE-REINFORCEMENT
|
£17.67
|
Add to
|
|
024
|
09322
|
BLADE BRAKE DISC
|
£10.74
|
Add to
|
|
025
|
711-0792
|
HINGE PIN
|
£12.33
|
Add to
|
|
026
|
732-0602A
|
SPRING
|
£5.20
|
Add to
|
|
027
|
712-3057
|
NUT 5/16-24
|
£3.00
|
Add to
|
|
028
|
712-0318
|
NUT
|
£3.94
|
Add to
|
|
030
|
736-0158
|
WASHER:LOCK:5/8:SPLT:REG
|
£3.47
|
Add to
|
|
031
|
703-1693A
|
CONNECTING PLATE 703-1693
|
£27.59
|
Add to
|
|
032
|
726-0106
|
CAP SPEED NUT
|
£3.33
|
Add to
|
|
033
|
750-0456
|
SPACER .790 ID X .347 LG.
|
£7.02
|
Add to
|
|
034
|
756-0486
|
PULLEY
|
£44.50
|
Add to
|
|
036
|
712-0287
|
NUT HEX
|
£3.31
|
Add to
|
|
038
|
631-0220B
|
CHUTE ASSY
|
£35.56
|
Add to
|
|
045
|
710-0751
|
BOLT 069
|
£3.39
|
Add to
|
|
049
|
710-0888
|
HEX SCR SPECIAL
|
£8.87
|
Add to
|
|
04A
|
813-040070-S
|
NO LONGER AVAILABLE
|
N/A
|
POA
|
|
04B
|
813-03109
|
USE 913-06921
|
£1,227.30
|
Add to
|
|
050
|
753-05405
|
SPINDLE KIT
|
£70.36
|
Add to
|
|
051
|
17692
|
DECK BRACKET--R.H.
|
£355.55
|
Add to
|
|
052
|
17693
|
DECK BRACKET--L.H.
|
£399.18
|
Add to
|
|
053
|
736-0185
|
FLAT WASHER (RED)
|
£3.59
|
Add to
|
|
054
|
714-0104
|
PIN INTERNAL COTTER
|
£2.78
|
Add to
|
|
055
|
714-0507
|
COTTER PIN 3/32 DIA
|
£3.13
|
Add to
|
|
056
|
736-0242
|
BELL WASHER
|
£3.72
|
Add to
|
|
057
|
753-0478
|
NO LONGER AVAILABLE
|
N/A
|
POA
|
|
18A
|
742-0506A
|
BLADE 16.28IN HIGH LIFT
|
£26.40
|
Add to
|
|
45A
|
710-0924
|
TRUSS SCREW (OBSOLETE) (OBSOLETE) (OBSOLETE)
|
N/A
|
|
|
49A
|
710-0624
|
HEX. HEAD SCREW 5/16-24X1.50"
|
£10.65
|
Add to
|
First class service welcome a well run mower parts department
Vernon Simmons
22/05/2026
Gaskets and fuel filter for my Mountfield mower ordered Sunday, arrived Tuesday. Great service.
Trevor Thornton
22/05/2026
Very happy with the service provided. I rang in order to check that I was ordering the correct part before placing my order online and the person that I was spoke to was extremely helpful and knowledgeable. Delivery was very quick. I'd be happy to use this company again if the need should arise.
Rod Nickerson
22/05/2026
All good. Parts as described and perfect fit and working well. Thank you.
Alan Prangnell
22/05/2026
All our prices include VAT