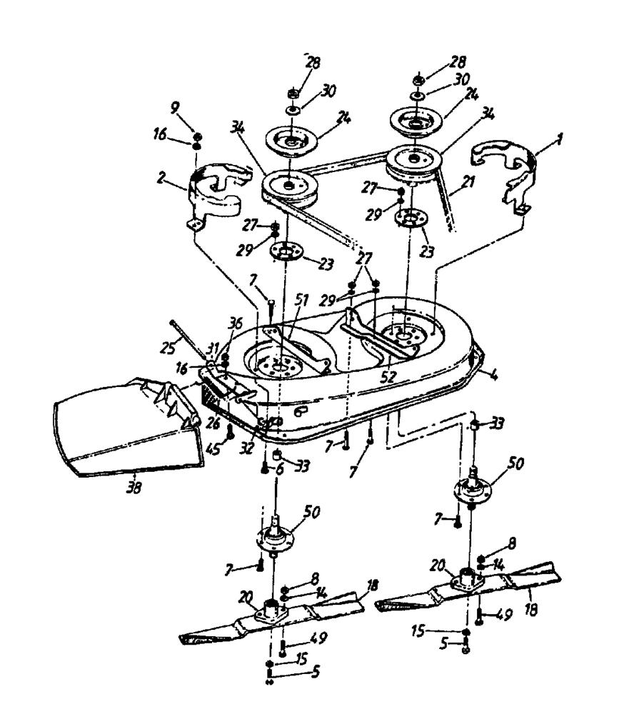
Mowing deck D (32"/81cm)

Parts list

Match the number with the image on the left and click "Add" button to add the item to your basket

Please note, that the prices are for individual items

Items might appear more than once on the drawing, please check and adjust the quantity you require.

Ref No Description Price
001 16607637 BELT GUARD 38 INCH DECK £20.49 Add to
002 16608A637 NO LONGER AVAILABLE N/A POA
004 17750A637 NO LONGER AVAILABLE N/A POA
005 710-1039 HEX BOLT 3/8-24 x 1 INCH Lg £3.62 Add to
006 710-0195 HEX BOLT £2.93 Add to
007 710-0157 HHCS:5/16-24:.75:GR5:STD £6.99 Add to
008 712-3057 NUT 5/16-24 £3.00 Add to
009 712-0138 NUT £3.03 Add to
014 736-0119 LOCK WASHER 5/16 £3.33 Add to
015 736-0217 H.L. WASHER (RED) £4.89 Add to
016 736-0270 BELL WASHER £3.91 Add to
016 736-0217 H.L. WASHER (RED) £4.89 Add to
018 742-04108A BLADE 16in £26.88 Add to
020 748-0300 BLADE ADAPTOR £20.23 Add to
021 754-0151 BELT £43.09 Add to
023 09164A637 PLATE-REINFORCEMENT £17.67 Add to
024 09322 BLADE BRAKE DISC £10.74 Add to
025 711-0792 HINGE PIN £12.33 Add to
026 732-0602A SPRING £5.20 Add to
027 712-3057 NUT 5/16-24 £3.00 Add to
028 712-0318 NUT £3.94 Add to
029 736-0119 LOCK WASHER 5/16 £3.33 Add to
030 736-0158 WASHER:LOCK:5/8:SPLT:REG £3.47 Add to
031 703-1693A CONNECTING PLATE 703-1693 £27.59 Add to
032 726-0106 CAP SPEED NUT £3.33 Add to
033 750-0456 SPACER .790 ID X .347 LG. £7.02 Add to
034 756-0486 PULLEY £44.50 Add to
036 712-0287 NUT HEX £3.31 Add to
038 631-0220B CHUTE ASSY £35.56 Add to
045 710-0924 TRUSS SCREW (OBSOLETE) (OBSOLETE) (OBSOLETE) N/A
049 710-0888 HEX SCR SPECIAL £8.87 Add to
050 753-05405 SPINDLE KIT £70.36 Add to
051 17692 DECK BRACKET--R.H. £355.55 Add to
052 17693 DECK BRACKET--L.H. £399.18 Add to