Transmission

Transmission assembly details for Stiga SRC 775 RG [212751142-POL] 2017 model

Parts list

Match the number with the image on the left and click "Add" button to add the item to your basket

Please note, that the prices are for individual items

Items might appear more than once on the drawing, please check and adjust the quantity you require.

RefNoDescriptionPrice
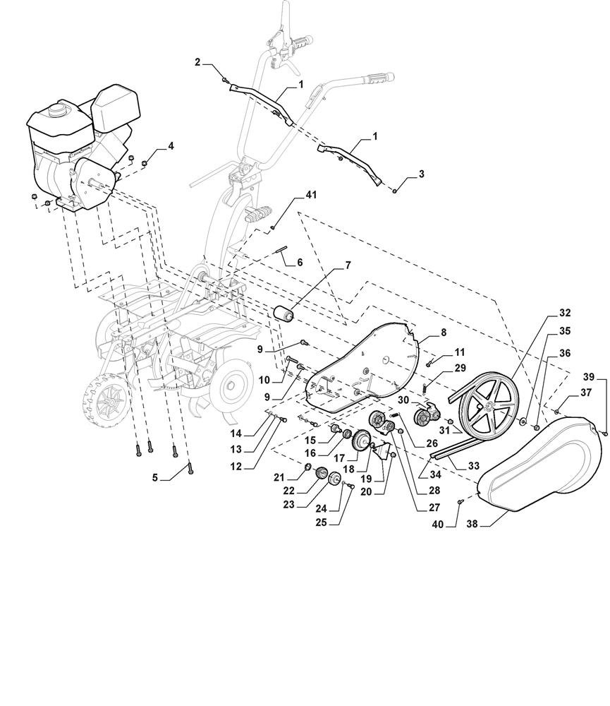
001118802981/0HANDLE SUPPORT£27.09 Add to
002112791500/0SCREW TE M6x25 UNI 5739 ACC.8.8£2.06 Add to
003112154510/0LOW SELF-LOCKING NUT M6 UNI7474 ACC.6S£2.06 Add to
004112293201/0HEXAGON NUT M8 WITH EXAGONAL FLANGE£2.06 Add to
005112691115/0HEX-HEAD SCREW M8 x 40£2.06 Add to
006118803015/0PIN£4.59 Add to
007118802998/0SHAFT GUARD£6.55 Add to
008118802975/0TRANSMISSION PLATEN/A POA
0099959-0825-16SCREW FLANGED TE M6SF M8 x 25£2.06 Add to
010118803019/0SCREW£2.87 Add to
0119959-0616-16SCREW M6SF M6 X 16£2.06 Add to
013112521350/0WASHER M8 8.4 x 16 x 1.6£2.06 Add to
014112521350/0WASHER M8 8.4 x 16 x 1.6£2.06 Add to
015118802993/0SHAFT£34.35 Add to
0169549-0001-00BALL BEARING£6.39 Add to
0171483-2175-01SPROCKETN/A POA
0181483-2145-01SPACERN/A POA
019118802994/0MOUNTING PLATE£6.71 Add to
020112293201/0HEXAGON NUT M8 WITH EXAGONAL FLANGE£2.06 Add to
0211483-2117-01SPACER£2.87 Add to
0221483-2176-01TOOTHED WHEELN/A POA
023118802973/0PULLEY£24.95 Add to
024112521350/0WASHER M8 8.4 x 16 x 1.6£2.06 Add to
0251483-2283-01SCREW£2.06 Add to
0261483-2207-01SPRING£3.69 Add to
027118802996/0TENSION ARM£32.99 Add to
028112293201/0HEXAGON NUT M8 WITH EXAGONAL FLANGE£2.06 Add to
0291483-2207-01SPRING£3.69 Add to
030118802997/0TENSION ARM£31.63 Add to
031112293201/0HEXAGON NUT M8 WITH EXAGONAL FLANGE£2.06 Add to
032118802995/0PULLEY£50.07 Add to
0331483-2149-01DRIVE BELT X10-1128£37.56 Add to
034118802965/0BELT£17.80 Add to
0359699-0105-02WASHER£2.06 Add to
036112156602/0LOW SELF-LOCKING NUT M10£1.79 Add to
037118803014/0WASHERN/A POA
038118802976/0BELT COVER [YELLOW]£48.96 Add to
0399959-0616-16SCREW M6SF M6 X 16£2.06 Add to
040112791400/0SCREW TE M6x20 UNI 5739 ACC.4.8£1.79 Add to
041112154510/0LOW SELF-LOCKING NUT M6 UNI7474 ACC.6S£2.06 Add to