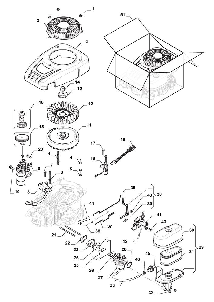
Engine - Carburettor, Air Cleaner Assy.

Engine - Carburettor, Air Cleaner Assy. assembly details for Stiga Combi 1066 HQ (2T0070481/ST1) 2021 model

Parts list

Match the number with the image on the left and click "Add" button to add the item to your basket

Please note, that the prices are for individual items

Items might appear more than once on the drawing, please check and adjust the quantity you require.

RefNoDescriptionPrice
001118550806/0NUT£2.14 Add to
002118551136/1RECOIL ASSY (TRE224)£39.22 Add to
003118551120/0FAN COVER£54.79 Add to
004118551149/0STUD BOLT£7.10 Add to
006118551148/0STUD BOLT£7.10 Add to
0079959-0620-16SCREW£2.32 Add to
008118551435/0IGNITION COIL£34.35 Add to
009118551434/0STARTER MOTOR£171.06 Add to
010112674550/0SCREW TE M6 x 30£2.06 Add to
011118551137/0FLYWHEEL ASSEMBLY£78.80 Add to
012118550254/0FLYWHEEL FAN£21.26 Add to
013118551436/0STARTING DISC£4.78 Add to
014118550336/0NUT£6.42 Add to
015118551155/0STARTER GEAR£23.04 Add to
016118551154/0STARTER DRIVE KIT£54.02 Add to
017112674550/0SCREW TE M6 x 30£2.06 Add to
018118551138/0CHARGE COIL ASSEMBLY£39.80 Add to
019118551140/0STARTING CABLE ASSEMBLY£27.27 Add to
020112674700/0SCREW M6 X 35£2.06 Add to
022118551123/0GASKET£2.47 Add to
023118551125/0INSULATOR£3.15 Add to
025118551126/0INSULATOR CARD£8.45 Add to
026118551122/0CARBURETTOR GASKET£2.74 Add to
027118551496/0CARBURETTOR£75.78 Add to
028118551124/0GASKET£5.19 Add to
029118551133/0AIR FILTER ASSEMBLY£22.23 Add to
030118551156/0AIR FILTER COVER£11.36 Add to
031118551157/0AIR FILTER£11.76 Add to
032118550806/0NUT£2.14 Add to
035118551127/1GOVERNOR ROD£3.69 Add to
036118551437/0THROTTLE RETURN SPRING£2.06 Add to
037118551158/0CHOKE CONTROL ROD£4.61 Add to
038118550266/0GOVERNOR ARM£14.82 Add to
039118550805/0BOLT£4.01 Add to
040118550806/0NUT£2.14 Add to
041118551131/0THROTTLE CONTROL ASSEMBLY£28.90 Add to
042118551128/0GOVERNOR SPRING£2.06 Add to
0439959-0612-16SCREW M6SF M6 x 12 TL£1.79 Add to
044118551146/0BREATHER PIPE£6.69 Add to
045118550427/0FUEL FILTER£5.87 Add to
046118551429/0HOSE CALMP£2.06 Add to
051118551159/2ENGINE ASSEMBLY 224cc TRE224£522.05 Add to