CRANKCASE assembly details for Stiga Tornado Pro 9121 XWSY (2T3040381/ST1) 2020 model
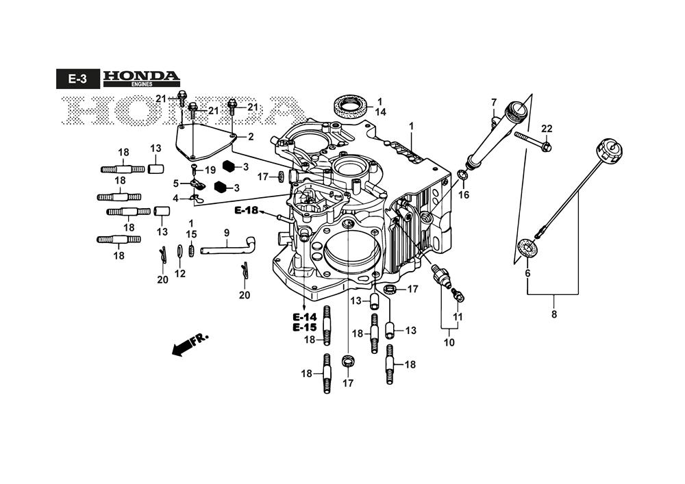
Parts list
Match the number with the image on the left and click "Add" button to add the item to your basket
Please note, that the prices are for individual items
Items might appear more than once on the drawing, please check and adjust the quantity you require.
| Ref | No | Description | Price | |
|---|
| 001 | 118551711/0 | CRANKCASE ASSY. | £2,051.13 | Add to |
| 002 | 118551749/0 | COVER, BREATHER | £22.63 | Add to |
| 003 | 118551752/0 | FILTER, BREATHER | £12.00 | Add to |
| 004 | 118551903/0 | VALVE, OIL OUTLET | £5.19 | Add to |
| 005 | 118551904/0 | PLATE, STOPPER | £3.69 | Add to |
| 007 | 118551911/0 | EXTENSION, OIL FILLER | £39.80 | Add to |
| 008 | 118551916/0 | GAUGE ASSY., OIL LEVEL | £38.44 | Add to |
| 009 | 118551975/0 | SHAFT, GOVERNOR ARM | £58.87 | Add to |
| 010 | 118552206/0 | SWITCH, OIL PRESSURE | £75.23 | Add to |
| 014 | 118552251/0 | OIL SEAL, 38X58X9 | £16.50 | Add to |
| 016 | 118552261/0 | O-RING, 14.8X2.4 | £4.10 | Add to |
| 017 | 118552269/0 | PACKING, OIL PASS | £7.92 | Add to |
Very pleased with the service and delivery.
Nilesh Chudasama
08/11/2025
Very hepful staff, kept me up to date with my order even though it took longer to arrive than expected but that was not their fault. I would use them again, I would recommended this company.
Stuart Campbell
08/11/2025
I had a mower that someone had given me and was missing parts..
I phoned up and and toldthem my situation with the mower and was told exactly what was needed..
Can't thank them enough very knowledgeable...
Than you once again
Lee Jones
07/11/2025
All very helpful and efficient
Jon Richardson
07/11/2025
All our prices include VAT