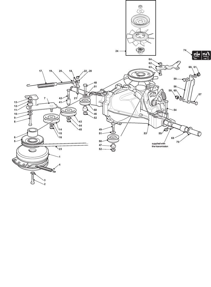
TRANSMISSION WITH ELECTROMAGNETIC CLUTCH

TRANSMISSION WITH ELECTROMAGNETIC CLUTCH assembly details for Stiga Estate 5102 HW (2T1720681/ST1) 2019 model

Parts list

Match the number with the image on the left and click "Add" button to add the item to your basket

Please note, that the prices are for individual items

Items might appear more than once on the drawing, please check and adjust the quantity you require.

RefNoDescriptionPrice
001118399062/0ELECTROMAGNETIC CLUTCH (No Returns on this item)£375.02 Add to
002112737320/0THREADED SCREW 7/16" x 3" 20 UNF£4.78 Add to
003112543000/0SAFETY WASHER D=7/16£2.06 Add to
004122430216/0TENSION SPRING£10.09 Add to
005125601577/0PULLEY£46.61 Add to
006125160059/0PULLEY SPACER L=25.8£6.69 Add to
007382318217/1PULLEY LEVER£24.95 Add to
008112691115/0HEX-HEAD SCREW M8 x 40£2.06 Add to
009112523060/0WASHER M8 8.4 X 24 X 2£2.06 Add to
010327670055/0ANTI-FRICTION WASHER£2.06 Add to
011125510087/0FULCRUM PIN£5.46 Add to
012112523060/0WASHER M8 8.4 X 24 X 2£2.06 Add to
013112155000/0LOW SELF-LOCKING NUT M8£2.06 Add to
014125601554/0PULLEY£26.18 Add to
015112523060/0WASHER M8 8.4 X 24 X 2£2.06 Add to
016112155000/0LOW SELF-LOCKING NUT M8£2.06 Add to
017125430260/1SPRING£6.71 Add to
018325755049/0SUPPORT BRACKET£3.55 Add to
019125840005/0TIE ROD£2.87 Add to
020112293200/0HEXAGON NUT M8 UNI 5588 ACC.6S£1.86 Add to
022112293201/0HEXAGON NUT M8 WITH EXAGONAL FLANGE£2.06 Add to
023135062019/0TRANSMISSION BELT A96 1/2 (HYDRO-GEAR)£38.88 Add to
024118802723/0HYDRO FAN KIT£135.19 Add to
041125160081/0SPACER£8.45 Add to
042112691400/0HEX-HEAD SCREW M8 X 50£1.76 Add to
043325601599/0PULLEY (STEEL) (BEARING HOLE D 15)£19.62 Add to
044112523060/0WASHER M8 8.4 X 24 X 2£2.06 Add to
045112155000/0LOW SELF-LOCKING NUT M8£2.06 Add to
046125160024/2PULLEY SPACER£8.21 Add to
047125160018/1PULLEY SPACER£6.71 Add to
048112691400/0HEX-HEAD SCREW M8 X 50£1.76 Add to
049112691115/0HEX-HEAD SCREW M8 x 40£2.06 Add to
050125601588/0PULLEY£31.75 Add to
051122671653/0WASHER 8.3 x 20 x 3£2.06 Add to
052112155000/0LOW SELF-LOCKING NUT M8£2.06 Add to
053118400919/2TRANSAXLE HYDRO-GEAR T2£921.23 Add to
054112691600/0HEX-HEAD SCREW M8x70 UNI 5737 ACC.8.8£1.91 Add to
055112154210/0SELF-LOCK WINGED NUT M8 DIN 6927£2.06 Add to
056382785201/0SUPPORT BRACKET£17.72 Add to
057112691700/0SCREW M8 x 55£1.91 Add to
058112155000/0LOW SELF-LOCKING NUT M8£2.06 Add to
059112793701/0HEX-HEAD SCREW M8 x 30£1.76 Add to
060112523060/0WASHER M8 8.4 X 24 X 2£2.06 Add to
061112155000/0LOW SELF-LOCKING NUT M8£2.06 Add to
062325318257/0DUMP VALVE LEVER£6.42 Add to
063112791213/1SCREW M6 X 18£1.74 Add to
064112154210/0SELF-LOCK WINGED NUT M8 DIN 6927£2.06 Add to
069125160058/0SPACER£4.37 Add to
070125670005/2SPINDLE WASHER£3.89 Add to
074114361451/0DUMP VALVE DECAL LABEL [HYDRO]£3.55 Add to