TRANSMISSION ASS.Y

TRANSMISSION ASS.Y assembly details for Stiga Tornado Pro 9118 XWS (2T3025681/17) 2018 model

Parts list

Match the number with the image on the left and click "Add" button to add the item to your basket

Please note, that the prices are for individual items

Items might appear more than once on the drawing, please check and adjust the quantity you require.

RefNoDescriptionPrice
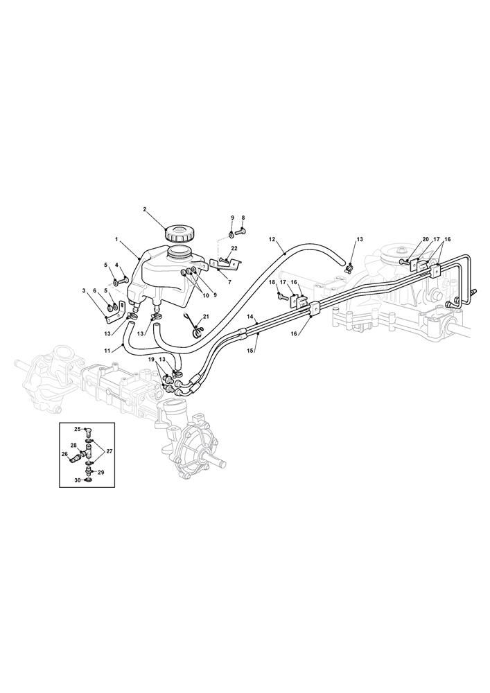
001325735127/0OIL TANK£37.89 Add to
002125795002/0FUEL CAP£28.04 Add to
003325755059/0TANK BRACKET [OBSOLETE]£8.32 Add to
004112789100/0HEX-HEAD SCREW M5 x 30£2.06 Add to
005112521320/0WASHER M5 5.3 x 10 x 1£2.06 Add to
006112154330/0LOW SELF-LOCKING NUT M5£2.06 Add to
007325774687/0OIL TANK SUPPORT BRACKET£13.08 Add to
008112789100/0HEX-HEAD SCREW M5 x 30£2.06 Add to
009112521320/0WASHER M5 5.3 x 10 x 1£2.06 Add to
010112154330/0LOW SELF-LOCKING NUT M5£2.06 Add to
011325869076/0CONNECTING TUBE£42.53 Add to
012325869077/0CONNECTING TUBE£42.53 Add to
016325721000/0SUPPORT£3.00 Add to
017325547249/0PLATE£2.87 Add to
018112735712/0VITE TCB M6x35 EJOT 6502451809 ZNN 12.9£2.06 Add to
019125651001/0TUBE CONNECTION£14.73 Add to
020112674700/0SCREW M6 X 35£2.06 Add to
021112674700/0SCREW M6 X 35£2.06 Add to
022112735599/0SELF-TAPPING SCREW M6 x 16£2.06 Add to
025112365000/0NUT M16x1,5 RQBF16B£7.51 Add to
026125033107/0QUICK COUPLING 1/4 MALE£22.76 Add to
027112524300/0LOW SELF-LOCKING NUT M8 UNI7474 (WZ)£1.79 Add to
028112396000/0LOW SELF-LOCKING NUT M8 UNI7474 (WZ)£12.82 Add to
029125653000/0LOW SELF-LOCKING NUT M8 UNI7474 (WZ)£14.45 Add to
030112524500/0LOW SELF-LOCKING NUT M8 UNI7474 (WZ)£1.79 Add to