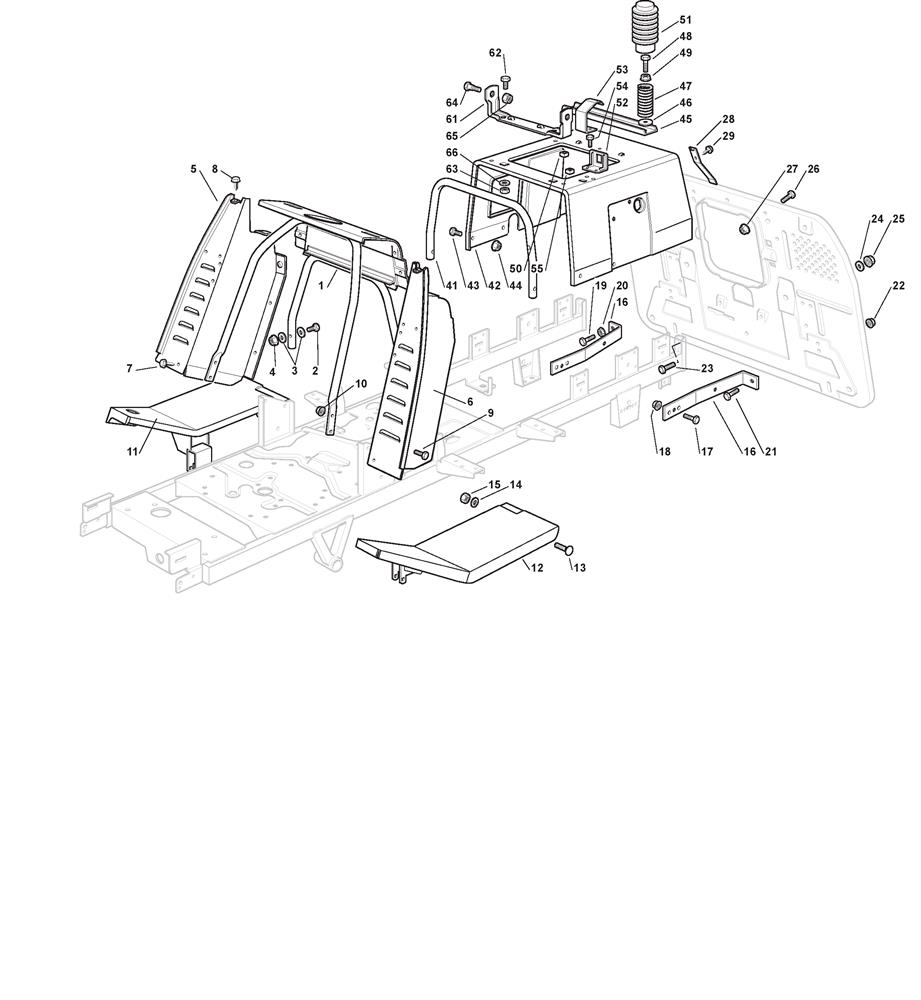
FRAME

FRAME assembly details for Stiga Estate Pro 9122 XWSY (2T1530281/ST1) 2018 model

Parts list

Match the number with the image on the left and click "Add" button to add the item to your basket

Please note, that the prices are for individual items

Items might appear more than once on the drawing, please check and adjust the quantity you require.

RefNoDescriptionPrice
001382785247/2DASHBOARD SUPPORT FRAME£230.29 Add to
002112674550/0SCREW TE M6 x 30£2.06 Add to
003112523040/0WASHER M6 6.6 x 18 x 1.6£2.06 Add to
004112292102/0FLANGED HEXAGONAL NUT M6£2.06 Add to
005382785022/10RIGHT DASHBOARD SUPPORT£42.53 Add to
006382785021/9LEFT DASHBOARD SUPPORT£41.16 Add to
007112735110/0FLANGED SELF-TAP SCREW 4.8 X 13£2.81 Add to
008112735110/0FLANGED SELF-TAP SCREW 4.8 X 13£2.81 Add to
009112791400/0SCREW TE M6x20 UNI 5739 ACC.4.8£1.79 Add to
010112292102/0FLANGED HEXAGONAL NUT M6£2.06 Add to
011325500046/2RIGHT FOOTBOARD£46.61 Add to
012325500047/1LEFT FOOTBOARD£45.26 Add to
013112728689/0SCREW KA50 x 12£1.79 Add to
014112523040/0WASHER M6 6.6 x 18 x 1.6£2.06 Add to
015112523030/0WASHER M5 5.5 x 20 x 1.6£2.06 Add to
016325774273/2REINFORCING BRACKET£9.28 Add to
017112793102/0SCREW TE M8x20 UNI 5739 ACC.8.8£2.06 Add to
018112293201/0HEXAGON NUT M8 WITH EXAGONAL FLANGE£2.06 Add to
019119216047/0HEX-HEAD SCREW M8 X 35£2.06 Add to
020112293200/0HEXAGON NUT M8 UNI 5588 ACC.6S£1.86 Add to
021112792611/0SCREW TE M8x16 UNI 5739 ACC.8.8£2.06 Add to
022112293201/0HEXAGON NUT M8 WITH EXAGONAL FLANGE£2.06 Add to
023112794300/0SCREW TE M10 x 30£1.91 Add to
024112521360/0WASHER M10 10.5 x 20 x 2£2.06 Add to
025112156602/0LOW SELF-LOCKING NUT M10£1.79 Add to
026112791011/0SCREW TE M6x14 UNI 5739 ACC.8.8£1.79 Add to
027112292102/0FLANGED HEXAGONAL NUT M6£2.06 Add to
028125430238/1SPRING£4.52 Add to
029112731580/0SELF-TAP SCREW TE 4.8 x 9.5 C15 BZ£2.06 Add to
041325869085/0SUPPORT ROD£20.45 Add to
042325785133/5SEAT SUPPORT£65.02 Add to
043112791011/0SCREW TE M6x14 UNI 5739 ACC.8.8£1.79 Add to
044112292102/0FLANGED HEXAGONAL NUT M6£2.06 Add to
045325650067/1REINFORCING PLATE£6.27 Add to
046112523070/0WASHER M8 8.5 x 32 x 2.5£2.06 Add to
047125430205/1SEAT SHOCK ABSORBER SPRING£6.01 Add to
048125943001/1SCREW£2.06 Add to
049112293201/0HEXAGON NUT M8 WITH EXAGONAL FLANGE£2.06 Add to
050112360420/0NUT£2.06 Add to
051325737002/0PROTECTION COVER£6.01 Add to
052325755025/3SEAT SWITCH SUPPORT£6.14 Add to
053325430255/0SEAT PROTECTION SPRING£4.37 Add to
054112735110/0FLANGED SELF-TAP SCREW 4.8 X 13£2.81 Add to
055112437502/1FAST FIX PLATE£2.06 Add to
061382774305/0SEAT SUPPORT BRACKET£11.76 Add to
062112691115/0HEX-HEAD SCREW M8 x 40£2.06 Add to
063112155000/0LOW SELF-LOCKING NUT M8£2.06 Add to
064122524970/3SEAT FULCRUM PIN FROM S/N 88153£2.06 Add to
065112155010/0SELF-LOCKING NUT M8 A-LOK ACC.6S£2.47 Add to
066112523070/0WASHER M8 8.5 x 32 x 2.5£2.06 Add to