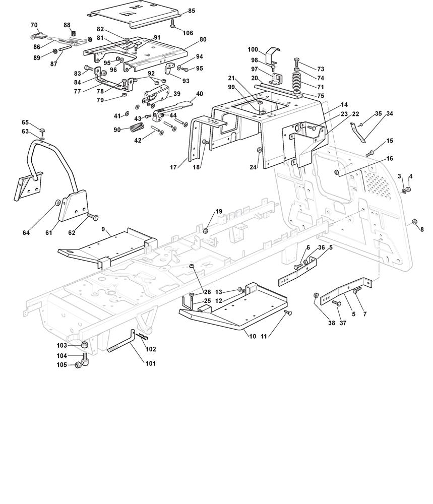
FRAME

FRAME assembly details for Stiga Estate 7122 HWS (2T1310281/ST1) 2018 model

Parts list

Match the number with the image on the left and click "Add" button to add the item to your basket

Please note, that the prices are for individual items

Items might appear more than once on the drawing, please check and adjust the quantity you require.

RefNoDescriptionPrice
003112585100/0WASHER GROWER M10 UNI 1751£2.06 Add to
0049739-1031-22NUT M10£2.32 Add to
005325774273/2REINFORCING BRACKET£9.28 Add to
006119216047/0HEX-HEAD SCREW M8 X 35£2.06 Add to
007112793102/0SCREW TE M8x20 UNI 5739 ACC.8.8£2.06 Add to
008112293201/0HEXAGON NUT M8 WITH EXAGONAL FLANGE£2.06 Add to
009382510041/2RIGHT FOOTBOARD SUPPORT£79.98 Add to
010382510043/2LEFT FOOTBOARD SUPPORT£77.93 Add to
011112815245/0SCREW M6 x 45£2.06 Add to
012112523040/0WASHER M6 6.6 x 18 x 1.6£2.06 Add to
013112154510/0LOW SELF-LOCKING NUT M6 UNI7474 ACC.6S£2.06 Add to
014325785133/5SEAT SUPPORT£65.02 Add to
015112791011/0SCREW TE M6x14 UNI 5739 ACC.8.8£1.79 Add to
016112292102/0FLANGED HEXAGONAL NUT M6£2.06 Add to
017325650065/1REINFORCING BRACKET£9.54 Add to
018112791200/1SCREW TE M6 x 16£1.79 Add to
019112292102/0FLANGED HEXAGONAL NUT M6£2.06 Add to
020325650067/1REINFORCING PLATE£6.27 Add to
021112360420/0NUT£2.06 Add to
022325785137/1SUPPORT PLATE£30.26 Add to
023112791200/1SCREW TE M6 x 16£1.79 Add to
024112292102/0FLANGED HEXAGONAL NUT M6£2.06 Add to
025125580019/1BELT GUIDE£4.37 Add to
026112292102/0FLANGED HEXAGONAL NUT M6£2.06 Add to
034125430238/1SPRING£4.52 Add to
035112731580/0SELF-TAP SCREW TE 4.8 x 9.5 C15 BZ£2.06 Add to
036112293200/0HEXAGON NUT M8 UNI 5588 ACC.6S£1.86 Add to
037112800815/0SCREW TE FL M8 x 16£2.06 Add to
038112293201/0HEXAGON NUT M8 WITH EXAGONAL FLANGE£2.06 Add to
039325774575/0FULCRUM CLAMP£9.41 Add to
040382318315/0SPRING LEVER£10.91 Add to
041112604896/0STARLOCK WASHER D=6£2.06 Add to
042122517866/0PIN£2.06 Add to
043112735661/0SCREW TCB TORX M6 x 10£2.06 Add to
044112154510/0LOW SELF-LOCKING NUT M6 UNI7474 ACC.6S£2.06 Add to
061382650045/0CHASSIS SUPPORT FRAME£42.53 Add to
062112792611/0SCREW TE M8x16 UNI 5739 ACC.8.8£2.06 Add to
063112521330/0WASHER M6 6.4 X 12 X 1.6£2.06 Add to
064112292102/0FLANGED HEXAGONAL NUT M6£2.06 Add to
0659943-0516-16SCREW£2.40 Add to
070322394505/0WHEEL LEVER KNOB [BLACK]£2.87 Add to
071125430205/1SEAT SHOCK ABSORBER SPRING£6.01 Add to
073125943001/1SCREW£2.06 Add to
074112293201/0HEXAGON NUT M8 WITH EXAGONAL FLANGE£2.06 Add to
075112523070/0WASHER M8 8.5 x 32 x 2.5£2.06 Add to
077382774305/0SEAT SUPPORT BRACKET£11.76 Add to
078112792611/0SCREW TE M8x16 UNI 5739 ACC.8.8£2.06 Add to
079112293201/0HEXAGON NUT M8 WITH EXAGONAL FLANGE£2.06 Add to
080382785301/0FIXED SEAT SUPPORT£45.26 Add to
081125430203/1SPRING£3.69 Add to
082112731580/0SELF-TAP SCREW TE 4.8 x 9.5 C15 BZ£2.06 Add to
083122524970/3SEAT FULCRUM PIN FROM S/N 88153£2.06 Add to
084112155010/0SELF-LOCKING NUT M8 A-LOK ACC.6S£2.47 Add to
085325785147/2MOVING SEAT SUPPORT£38.26 Add to
087125510000/0PIN£1.79 Add to
088125430202/1SPRING£2.06 Add to
089112604897/0STARLOCK WASHER D=5£2.06 Add to
090125430291/0OPC SPRING£12.55 Add to
091112789000/0SCREW TE M5 x 12£2.06 Add to
092112154330/0LOW SELF-LOCKING NUT M5£2.06 Add to
093325060049/0SEAT SWITCH CAM£2.74 Add to
094112815050/0SCREW M5 x 25£2.06 Add to
095112521320/0WASHER M5 5.3 x 10 x 1£2.06 Add to
096112154330/0LOW SELF-LOCKING NUT M5£2.06 Add to
097325755025/3SEAT SWITCH SUPPORT£6.14 Add to
098112789000/0SCREW TE M5 x 12£2.06 Add to
0999739-0531-22NUT M5£2.47 Add to
100325430255/0SEAT PROTECTION SPRING£4.37 Add to
101125510119/0TIE ROD (FROM 01/06/2020 ONLY ON STEEL FORECARRIAGE EQUALIZER ASSY)£13.77 Add to
102124487997/0SPRING CLIP D=1.8£2.06 Add to
103112155000/0LOW SELF-LOCKING NUT M8£2.06 Add to
104125510040/2PIN£7.11 Add to
105112155000/0LOW SELF-LOCKING NUT M8£2.06 Add to
1069959-0820-16FLANGED SCREW M8 x 20 8.8 DIN 6921£2.06 Add to