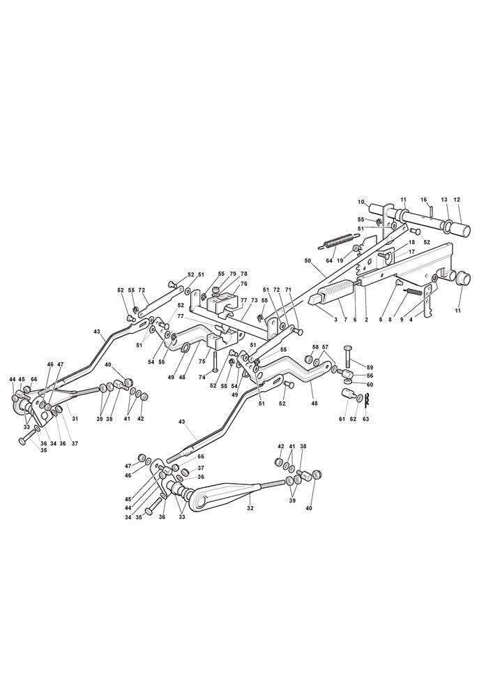
CUTTING PLATE LIFTING

CUTTING PLATE LIFTING assembly details for Stiga Estate 7102 HWSY (2T0980281/ST1) 2018 model

Parts list

Match the number with the image on the left and click "Add" button to add the item to your basket

Please note, that the prices are for individual items

Items might appear more than once on the drawing, please check and adjust the quantity you require.

RefNoDescriptionPrice
002382318139/1DECK LIFTING LEVER£42.53 Add to
003125605000/1BUTTON£2.74 Add to
004325470901/1DOG PLATE£11.36 Add to
005125510011/1PIN£2.06 Add to
006125033002/1PUSH ROD£4.52 Add to
007325394536/0KNOB£2.06 Add to
008125430208/1SPRING£3.83 Add to
009112604899/0STARLOCK WASHER RPCO 308 D=8£2.06 Add to
010382000551/0LIFTING AXLE£24.41 Add to
011122034523/0BUSH£2.06 Add to
012125160025/1SPACER£6.55 Add to
013322672153/0ANTI-FRICTION WASHER 20.2 x 30 x 0.8£2.06 Add to
016112620206/0PIN£1.79 Add to
017325735506/2HEIGHT ADJUST QUADRANT£21.35 Add to
018112792611/0SCREW TE M8x16 UNI 5739 ACC.8.8£2.06 Add to
019112293201/0HEXAGON NUT M8 WITH EXAGONAL FLANGE£2.06 Add to
031382318155/0FRONT R/H FULCRUM LEVER£25.75 Add to
032382318157/0FRONT L/H FULCRUM LEVER£23.64 Add to
033125040605/0BUSH£2.06 Add to
034325318161/1LEVER£7.92 Add to
035112691700/0SCREW M8 x 55£1.91 Add to
036112521350/0WASHER M8 8.4 x 16 x 1.6£2.06 Add to
037112155000/0LOW SELF-LOCKING NUT M8£2.06 Add to
038125510056/1PIN£5.15 Add to
039112295200/0HEXAGON NUT M10£1.79 Add to
040112156602/0LOW SELF-LOCKING NUT M10£1.79 Add to
041325670008/1ANTI-FRICTION WASHER 10.8 x 19 x 0.8£2.06 Add to
042112156602/0LOW SELF-LOCKING NUT M10£1.79 Add to
043382000477/3CONNECTING ROD£17.80 Add to
044112155000/0LOW SELF-LOCKING NUT M8£2.06 Add to
045125510055/1PIN£3.69 Add to
046112521350/0WASHER M8 8.4 x 16 x 1.6£2.06 Add to
047112155000/0LOW SELF-LOCKING NUT M8£2.06 Add to
048325318153/2REAR CUTTER DECK LEVER£12.40 Add to
049112609255/0CIRCLIP D=19£2.06 Add to
050325033071/0CONNECTING ROD£12.14 Add to
051325670011/0ANTI-FRICTION WASHER 8.2 x 19 x 0.8£2.06 Add to
052125510053/2PIN£2.06 Add to
054112521350/0WASHER M8 8.4 x 16 x 1.6£2.06 Add to
055112436050/0PIN PLATE D=8 (EUROFIX FX70308PH)£1.83 Add to
055112436050/0PIN PLATE D=8 (EUROFIX FX70308PH)£1.83 Add to
056125510056/1PIN£5.15 Add to
057325670008/1ANTI-FRICTION WASHER 10.8 x 19 x 0.8£2.06 Add to
058112156602/0LOW SELF-LOCKING NUT M10£1.79 Add to
059112794980/0SCREW 10 x 100£2.06 Add to
060112295200/0HEXAGON NUT M10£1.79 Add to
061125510070/1PIN£5.46 Add to
062112523090/0WASHER M10 11 x 40 x 2.5£1.91 Add to
063124487998/0R CLIP D=2£2.06 Add to
064125430218/1DECK LIFT SPRING£6.14 Add to
066112293200/0HEXAGON NUT M8 UNI 5588 ACC.6S£1.86 Add to
071125510048/1FIXING PIN£2.32 Add to
072325318223/0CONNECTING LIFT LEVER£7.10 Add to
073382000585/0CUTTING DECK LIFTING CONTROL AXLE£35.98 Add to
074112815271/0SCREW M6 x 70£2.06 Add to
075325785355/0LOWER BRACKET£2.78 Add to
076325785354/0UPPER BRACKET£2.47 Add to
077325034003/0SPACER£2.18 Add to
078112523040/0WASHER M6 6.6 x 18 x 1.6£2.06 Add to
079112154510/0LOW SELF-LOCKING NUT M6 UNI7474 ACC.6S£2.06 Add to