Chassis High End

Chassis High End assembly details for Stiga Estate 5092 HW (2T0430681/ST1) 2018 model

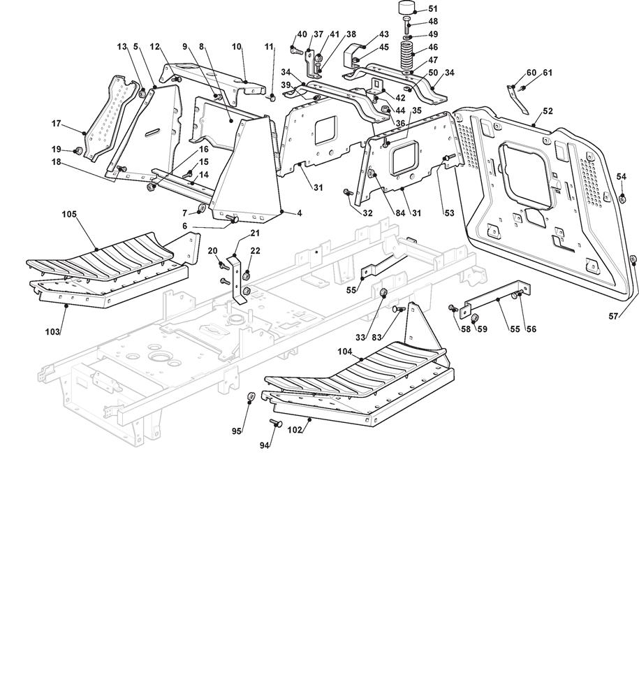
Parts list

Match the number with the image on the left and click "Add" button to add the item to your basket

Please note, that the prices are for individual items

Items might appear more than once on the drawing, please check and adjust the quantity you require.

RefNoDescriptionPrice
004325785243/1LEFT DASHBOARD SUPPORT£30.24 Add to
005325785245/0RIGHT DASHBOARD SUPPORT£22.63 Add to
0069897-0820-16SCREW M8 x 20£2.32 Add to
007112293201/0HEXAGON NUT M8 WITH EXAGONAL FLANGE£2.06 Add to
008382785151/2REAR DASHBOARD SUPPORT£17.18 Add to
009112735110/0FLANGED SELF-TAP SCREW 4.8 X 13£2.81 Add to
010325785255/0CENTRAL DASHBOARD SUPPORT£8.73 Add to
011112735110/0FLANGED SELF-TAP SCREW 4.8 X 13£2.81 Add to
012112815200/0SCREW TTDQ M6X16£2.06 Add to
013112292102/0FLANGED HEXAGONAL NUT M6£2.06 Add to
014325785241/0BATTERY SUPPORT£7.51 Add to
015112735120/0FLANGED SELF-TAP SCREW 6.3 x 16£2.06 Add to
016112292102/0FLANGED HEXAGONAL NUT M6£2.06 Add to
017382785153/2FRONT DASHBOARD SUPPORT£15.69 Add to
018112815200/0SCREW TTDQ M6X16£2.06 Add to
019112292102/0FLANGED HEXAGONAL NUT M6£2.06 Add to
020112793102/0SCREW TE M8x20 UNI 5739 ACC.8.8£2.06 Add to
021325785499/0SUPPORT BRACKET£6.42 Add to
022112293201/0HEXAGON NUT M8 WITH EXAGONAL FLANGE£2.06 Add to
031325785249/0SEAT SUPPORT PLATE£32.29 Add to
032112815200/0SCREW TTDQ M6X16£2.06 Add to
033112292102/0FLANGED HEXAGONAL NUT M6£2.06 Add to
034325785257/1SEAT SUPPORT BRACKET£12.96 Add to
0359897-0820-16SCREW M8 x 20£2.32 Add to
036112293201/0HEXAGON NUT M8 WITH EXAGONAL FLANGE£2.06 Add to
037325755039/0BRACKET£5.87 Add to
038112792611/0SCREW TE M8x16 UNI 5739 ACC.8.8£2.06 Add to
039112293201/0HEXAGON NUT M8 WITH EXAGONAL FLANGE£2.06 Add to
040122524970/3SEAT FULCRUM PIN FROM S/N 88153£2.06 Add to
041112155010/0SELF-LOCKING NUT M8 A-LOK ACC.6S£2.47 Add to
042325755043/0ANGLE BRACKET£2.74 Add to
043325430253/0SPRING£4.64 Add to
044112789000/0SCREW TE M5 x 12£2.06 Add to
045112154330/0LOW SELF-LOCKING NUT M5£2.06 Add to
046125430257/1SEAT SHOCK ABSORBER SPRING£10.77 Add to
047112523070/0WASHER M8 8.5 x 32 x 2.5£2.06 Add to
048112760515/0HEXAGONAL SCREW TC M8 x 20£0.79 Add to
049122671653/0WASHER 8.3 x 20 x 3£2.06 Add to
050112360425/0SQUARE NUT M8£2.18 Add to
051325122000/2PROTECTION CAP£2.06 Add to
052382547041/1REAR PLATE [BLACK]£103.85 Add to
053112792611/0SCREW TE M8x16 UNI 5739 ACC.8.8£2.06 Add to
054112293201/0HEXAGON NUT M8 WITH EXAGONAL FLANGE£2.06 Add to
055325650119/0REINFORCEMENT BRACKET£13.91 Add to
056112792611/0SCREW TE M8x16 UNI 5739 ACC.8.8£2.06 Add to
057112293201/0HEXAGON NUT M8 WITH EXAGONAL FLANGE£2.06 Add to
058112792611/0SCREW TE M8x16 UNI 5739 ACC.8.8£2.06 Add to
059112293201/0HEXAGON NUT M8 WITH EXAGONAL FLANGE£2.06 Add to
060125430276/0SPRING PLATE£4.52 Add to
061112735110/0FLANGED SELF-TAP SCREW 4.8 X 13£2.81 Add to
083112792611/0SCREW TE M8x16 UNI 5739 ACC.8.8£2.06 Add to
084112293201/0HEXAGON NUT M8 WITH EXAGONAL FLANGE£2.06 Add to
094112815200/0SCREW TTDQ M6X16£2.06 Add to
095112292102/0FLANGED HEXAGONAL NUT M6£2.06 Add to
102382510083/0LEFT COMPLETE FOOTB.NJ92£77.95 Add to
103382510081/0RIGHT COMPLETE FOOTB.NJ92£80.68 Add to
104325110327/0LEFT FOOTBOARD COVER£17.72 Add to
105325110326/0RIGHT FOOTBOARD COVER£16.91 Add to