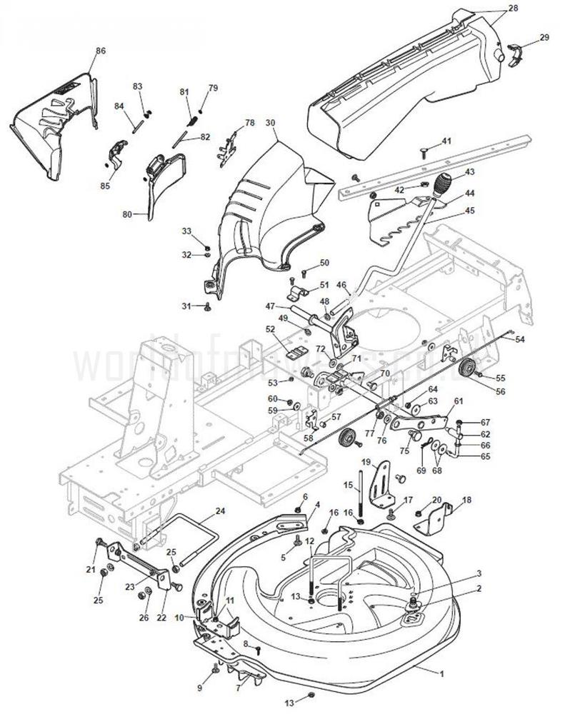
DECK LIFT

DECK LIFT assembly details for Stiga 2T0078281/14 COMBI 1066 HQ (B&S 950 ES) 2015 model

Parts list

Match the number with the image on the left and click "Add" button to add the item to your basket

Please note, that the prices are for individual items

Items might appear more than once on the drawing, please check and adjust the quantity you require.

RefNoDescriptionPrice
001384564114/0CUTTING DECK CASING 66cm [BLACK]£181.97 Add to
002325033086/0WASHING CONNECTION SD 98£3.60 Add to
003119035000/0O RING 10.77 x 2.62£5.46 Add to
004384650107/0CUTTER DECK SIDE SUPPORT BLACK£22.91 Add to
005112815200/0SCREW TTDQ M6X16£2.06 Add to
006112292102/0FLANGED HEXAGONAL NUT M6£2.06 Add to
007327488001/0AIR INTAKE GRILL£4.78 Add to
008112735402/0FLANGED HEX-HEAD SCREW D=6 x 18 WZ£2.06 Add to
0099897-0820-16SCREW M8 x 20£2.32 Add to
010327772175/0WZ NR66 FRONT LIFT.DECK STIRRUP£10.23 Add to
011112154510/0LOW SELF-LOCKING NUT M6 UNI7474 ACC.6S£2.06 Add to
012127294008/0BELT GUIDE BLADE PULLEY£16.36 Add to
013112292102/0FLANGED HEXAGONAL NUT M6£2.06 Add to
015127580077/0BELT BLADE GUIDE PIN£5.73 Add to
016112293201/0HEXAGON NUT M8 WITH EXAGONAL FLANGE£2.06 Add to
0179897-0820-16SCREW M8 x 20£2.32 Add to
018327772179/0WZ LEFT NR66 REAR LIFT.DECK STIRRUP£7.10 Add to
019327772177/0WZ RIGHT NR66 REAR LIFT.DECK STIRRUP£5.87 Add to
020112154210/0SELF-LOCK WINGED NUT M8 DIN 6927£2.06 Add to
021127510121/0HANDLE FULCRUM FRONT DECK PLATE NR66£5.73 Add to
022327543043/0WZ DECK FRONT FULCRUM PLATE NR66£9.82 Add to
023112154210/0SELF-LOCK WINGED NUT M8 DIN 6927£2.06 Add to
024127840056/0FRONT TIE ROD£14.34 Add to
025112293200/0HEXAGON NUT M8 UNI 5588 ACC.6S£1.86 Add to
026112585100/0WASHER GROWER M10 UNI 1751£2.06 Add to
028384108054/0DISCHARGE CHUTE ASSEMBLY£48.34 Add to
029325774499/0DISCHARGE CHUTE RELEASE CLAMP£2.87 Add to
030327107504/0DISCHARGE CHUTE NR66 (3 IN 1)£28.90 Add to
031112815200/0SCREW TTDQ M6X16£2.06 Add to
032325160039/0SPACER£2.06 Add to
033112292102/0FLANGED HEXAGONAL NUT M6£2.06 Add to
0419897-0820-16SCREW M8 x 20£2.32 Add to
042112293200/0HEXAGON NUT M8 UNI 5588 ACC.6S£1.86 Add to
043125394510/0CONTROL KNOB [BLACK]£4.35 Add to
044327734063/0DECK HEIGHT ADJUST QUADRANT (6 POS.)£15.99 Add to
045327315135/0DECK LIFTING LEVER£22.76 Add to
046127430595/0BLADE ENGAGE SPRING£4.64 Add to
047384001035/1LIFT DECK LEVER AXLE£34.35 Add to
048112521370/0WASHER M12 13 24 x 2.5£2.06 Add to
049122020050/0CIRCLIP D=12£2.06 Add to
050112791400/0SCREW TE M6x20 UNI 5739 ACC.4.8£1.79 Add to
051325547231/0LIFTING DECK AXLE PLATE£5.05 Add to
052325785350/0AXLE FEED PEDA SUPPORT SD98 HYDRO£2.06 Add to
053112154510/0LOW SELF-LOCKING NUT M6 UNI7474 ACC.6S£2.06 Add to
054384004605/0DECK ENGAGE CABLE£13.86 Add to
055119216047/0HEX-HEAD SCREW M8 X 35£2.06 Add to
056125601579/0LIFTING DECK PULLEY£3.15 Add to
057125040636/1BUSH£3.15 Add to
058327543037/0WZ LIFT.DECK CABLE GUIDE PLATE NR66£3.69 Add to
059112523060/0WASHER M8 8.4 X 24 X 2£2.06 Add to
060112293201/0HEXAGON NUT M8 WITH EXAGONAL FLANGE£2.06 Add to
061384001037/0LIFTING DECK REAR AXLE ASS'Y£30.79 Add to
062127510125/0LEFT TIE ROD DECK FIX PIN NR66£5.73 Add to
063322672152/0ANTI-FRICTION WASHER 8.2 x 30 x 0.8£1.91 Add to
064112293201/0HEXAGON NUT M8 WITH EXAGONAL FLANGE£2.06 Add to
065127840057/0LEFT DECK TIE ROD NR66£14.58 Add to
066112295200/0HEXAGON NUT M10£1.79 Add to
068322672152/0ANTI-FRICTION WASHER 8.2 x 30 x 0.8£1.91 Add to
069125110803/0COTTER PIN D=8 HONDA RL£4.23 Add to
070127510114/0FRONT RH HOOK DECK PIN£9.14 Add to
071325670008/1ANTI-FRICTION WASHER 10.8 x 19 x 0.8£2.06 Add to
072112521360/0WASHER M10 10.5 x 20 x 2£2.06 Add to
075127510123/0REAR DECK FULCRUM PIN£7.10 Add to
076112521360/0WASHER M10 10.5 x 20 x 2£2.06 Add to
077112156602/0LOW SELF-LOCKING NUT M10£1.79 Add to
078327772231/0WZ SD DOOR STIRRUP FULCRUM£7.63 Add to
079112604896/0STARLOCK WASHER D=6£2.06 Add to
080327486200/0SIDE DISCHARGE DOOR NR66 (PLASTIC)£8.73 Add to
081122450456/1DEFLECTOR SPRING£3.69 Add to
082127510129/0SD DEVICE FULCRUM PIN NR66SD£2.87 Add to
083127430599/0SAFETY SPRING NR 66£8.04 Add to
084127510128/0SAFETY DEVICE PIN NR66£2.87 Add to
085327745000/0RED SAFETY CLOSURE£4.78 Add to
086327107506/0DISCHARGE CHUTE NR66 SD£24.95 Add to