Engine - Carburettor, Tank

Engine - Carburettor, Tank assembly details for Stiga MULTICLIP 50 SXE (291502548/ST1) 2020 model

Parts list

Match the number with the image on the left and click "Add" button to add the item to your basket

Please note, that the prices are for individual items

Items might appear more than once on the drawing, please check and adjust the quantity you require.

RefNoDescriptionPrice
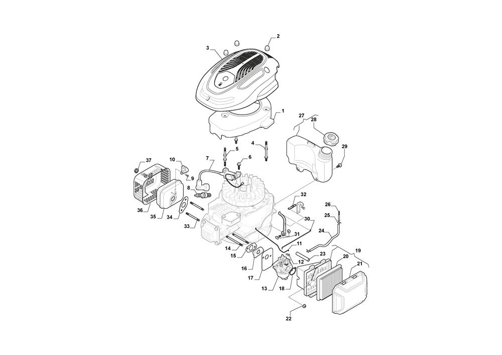
001118551788/0FAN COVER£41.16 Add to
002112292102/0FLANGED HEXAGONAL NUT M6£2.06 Add to
003118551469/0ENGINE COVER£28.59 Add to
004118550302/0STUD BOLT (OBSOLETE)N/A
005118550906/0STUD BOLT£5.52 Add to
007118551474/0IGNITION COIL£53.42 Add to
008RC12YCSPARK PLUG£8.11 Add to
009112789000/0SCREW TE M5 x 12£2.06 Add to
010118551456/0AUTO-CHOKE CONTROL£22.93 Add to
011118551459/0CHOKE CONTROL ROD£8.73 Add to
012118551352/0RETAINING CLIP£3.41 Add to
013118551450/1CARBURETTOR 170cc£76.59 Add to
014118550930/0STUD BOLT£5.92 Add to
015118550929/0GASKET£2.06 Add to
016118550928/0CARBURETTOR INSULATOR£3.41 Add to
017118550927/0GASKET£5.19 Add to
018118551124/0GASKET£5.19 Add to
019118551462/0AIR FILTER ASSEMBLY£33.62 Add to
020118550257/0PAPER AIR FILTER£9.24 Add to
021118551463/0AIR FILTER COVER£23.31 Add to
022112292102/0FLANGED HEXAGONAL NUT M6£2.06 Add to
023118551479/0BREATHER FUEL PIPE£8.04 Add to
024118551480/0FUEL PIPE£7.36 Add to
025118550918/0PIPE CLIP£2.06 Add to
026118550314/0FUEL FILTER£4.78 Add to
027118551452/0FUEL TANK ASSY£42.53 Add to
028118551455/0FUEL TANK CAP£14.32 Add to
029112791400/0SCREW TE M6x20 UNI 5739 ACC.4.8£1.79 Add to
030118551457/0THROTTLE ROD£7.92 Add to
031118550933/0GOVERNOR ARM£6.55 Add to
032118551458/0GOVERNOR SPRING£2.18 Add to
033118550930/0STUD BOLT£5.92 Add to
034118550898/0MUFFLER GASKET£2.87 Add to
035118551465/0MUFFLER£34.35 Add to
036118551466/0MUFFLER GUARD£24.95 Add to
037118550806/0NUT£2.14 Add to