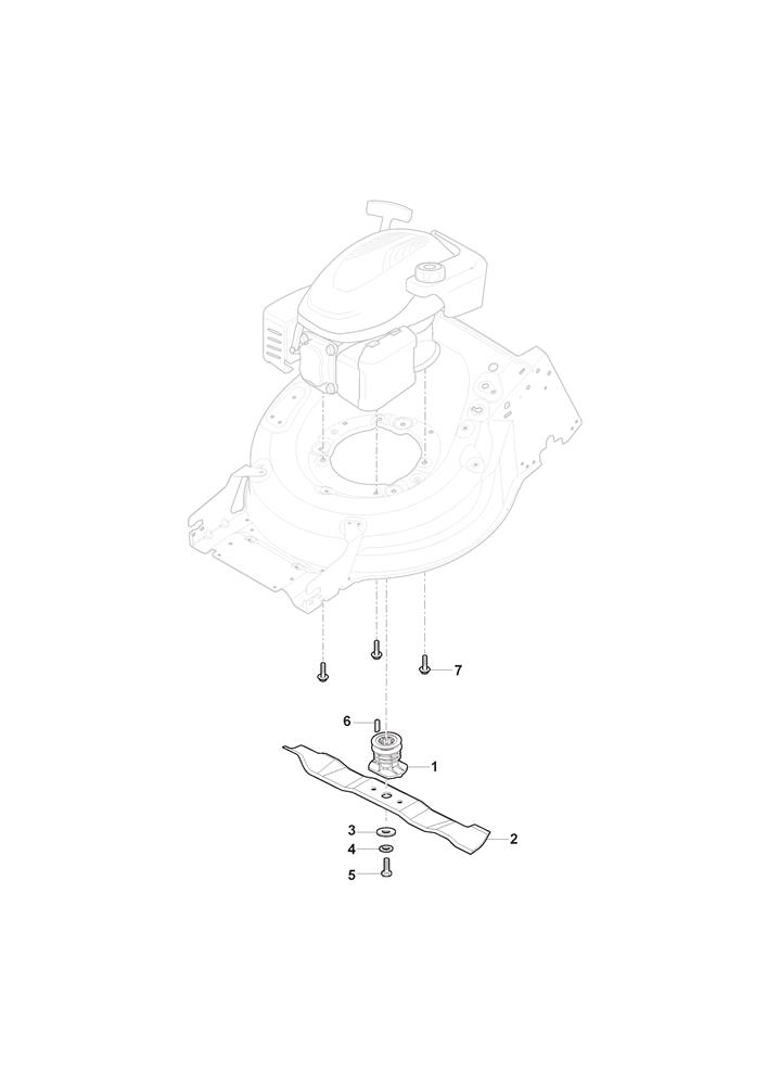
Blade assembly details for Stiga COMBI 55 SQ B 675 EXi Series R.S (294556828/S17) 2020 model
Parts list
Match the number with the image on the left and click "Add" button to add the item to your basket
Please note, that the prices are for individual items
Items might appear more than once on the drawing, please check and adjust the quantity you require.
The items I ordered duly arrived exactly on 14 days after ordering. A quicker delivery would have been appreciated.
Peter Babbington
29/10/2025
Prompt delivery, thanks. Good kit...
Tom Andrew
29/10/2025
Really great service as usual, my order arrived promptly and once again my trusty Mountfield is back in action. Thank you
Stephen McLaren
29/10/2025
I ordered some spare parts and accessories for my Mountfield petrol lawn mower.
The website was excellent and showed the parts I required on a exploded diagram of my mower with all their component numbers. Ordering the required parts was easy and straight forward.
The only downside is the length of time it took for them to arrive, just over 2 weeks. So although the parts are advertised as available it does not necessarily mean that they are actually in stock. It does say in the terms and conditions that it can take up to 14 working days for your parts to arrive.
Just something I'll bear in mind when using this company in the future.
Otherwise it was a great buying experience.
Stuart Tinslay
29/10/2025
All our prices include VAT