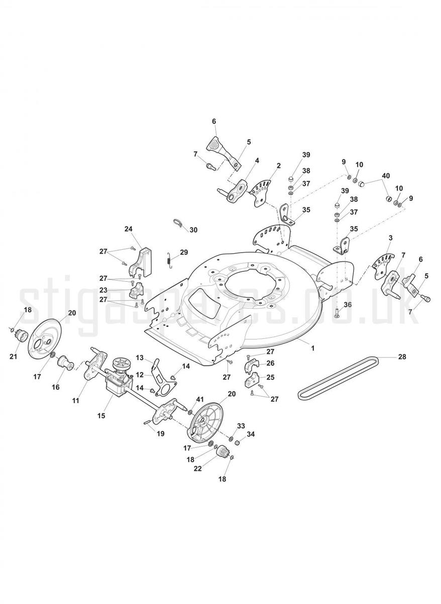
Deck And Height Adjusting

Deck And Height Adjusting assembly details for Stiga MULTICLIP 47 S BLUE 298472048 2017 model

Parts list

Match the number with the image on the left and click "Add" button to add the item to your basket

Please note, that the prices are for individual items

Items might appear more than once on the drawing, please check and adjust the quantity you require.

RefNoDescriptionPrice
001381004781/1STEEL DECK MCS 47 GREY STIGA£137.74 Add to
002322735595/1HEIGHT ADJUST QUADRANT R/H£3.00 Add to
003322735597/1HEIGHT ADJUST QUADRANT L/H£2.54 Add to
004381005161/0WHEEL STUB AXLE CR D=240£13.64 Add to
005322321537/0HEIGHT ADJUST LEVER£5.37 Add to
006122394501/0HEIGHT ADJUST KNOB£2.06 Add to
007122519811/0WHEEL BOLT£2.06 Add to
008112523070/0WASHER M8 8.5 x 32 x 2.5£2.06 Add to
009112583500/0WASHER M8 UNI 1751 WZ£2.06 Add to
010112293200/0HEXAGON NUT M8 UNI 5588 ACC.6S£1.86 Add to
011381302899/0FRONT WHEELS AXLE£22.49 Add to
012322321546/0HEIGHT ADJUST LEVER£10.09 Add to
013122394501/0HEIGHT ADJUST KNOB£2.06 Add to
014112735661/0SCREW TCB TORX M6 x 10£2.06 Add to
015181003113/0GEARBOX RED. 6:1£166.13 Add to
015181003123/0GEARBOX [GREY] 7:1£150.67 Add to
016322042066/0AXLE BUSH£3.00 Add to
017112521371/0WASHER M12 13 x 20 x 2£2.06 Add to
018112608600/0CIRCLIP D=12£2.08 Add to
019122753000/0PIN D=5.2 x 25.65£2.06 Add to
020322600204/0INNER WHEEL COVER D=180£3.69 Add to
021122570110/1RIGHT PINION Z10 GEAR(METAL)was Plastic£8.52 Add to
022122570120/1LEFT PINION Z10 GEAR(METAL)was Plastic£8.75 Add to
023322785476/0LOWER RH SUPPORT SHAFT BUSH£3.69 Add to
024322785477/0UPPER RH SUPPORT SHAFT BUSH£5.06 Add to
025322785478/0LOWER LH SUPPORT£3.49 Add to
026322785479/0UPPER LH SUPPORT SHAFT BUSH£3.49 Add to
027112728697/0SELF-TAPPING SCREW TORX K50 x 16£2.06 Add to
028135063800/0TRAPEZOIDAL BELT Z 27 LP=710(BRONZE GEAR)£8.40 Add to
028135063802/0TRAPEZOIDAL BELT Z 27 1/2 LP=725(PLASTIC GEAR)£8.40 Add to
029122450439/0TENSION SPRING£3.69 Add to
030133320022/0FASTPOINT BAND ART. 0384.AA01 L=160£2.06 Add to
031112521350/0WASHER M8 8.4 x 16 x 1.6£2.06 Add to
032112293201/0HEXAGON NUT M8 WITH EXAGONAL FLANGE£2.06 Add to
033112521350/0WASHER M8 8.4 x 16 x 1.6£2.06 Add to
034112155015/0SELF-GRIP NUT M8(FROM 1ST SEPT 2015)£2.06 Add to
035322608569/0REINFORCEMENT BRACKET£3.15 Add to
036112815200/0SCREW TTDQ M6X16£2.06 Add to
037112582100/0LOCK WASHER M6£2.06 Add to
038112292100/0HEXAGON NUT M6£1.47 Add to
039118203853/0BLACK NUT CAP M6£3.00 Add to
040118203854/0NUT CAP M8 [BLACK]£2.06 Add to
041122671661/0WASHER ZINCED 12.4 x 20 x 1£1.79 Add to