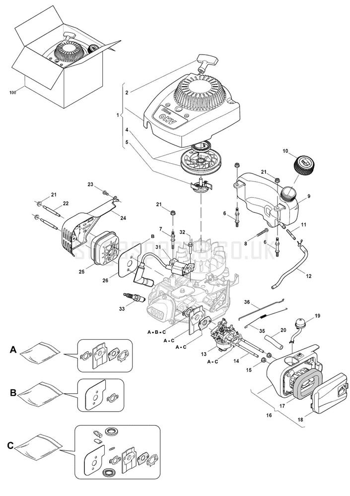
ENGINE-RS100 RECOIL-FUEL TANK

ENGINE-RS100 RECOIL-FUEL TANK assembly details for Stiga MULTICLIP 47S BLUE (RS100 OHV) 298472048/S15 2015 model

Parts list

Match the number with the image on the left and click "Add" button to add the item to your basket

Please note, that the prices are for individual items

Items might appear more than once on the drawing, please check and adjust the quantity you require.

RefNoDescriptionPrice
001118550693/0RECOIL ASSEMBLY 100cc£45.26 Add to
002118550694/0RECOIL HANDLE£3.83 Add to
004118550695/0RECOIL PULLEY AND SPRING£14.05 Add to
005118550696/0STARTER PAWL SET£6.95 Add to
006118550713/0LONG STUD BOLT£5.87 Add to
007118550714/0STUD BOLT£3.41 Add to
008112689515/0HEX-HEAD SCREW M6 x 45£2.06 Add to
009118550712/0FUEL TANK£16.36 Add to
00A118550699/0CARBURETTOR GASKET KIT£4.03 Add to
00B118550731/0CYLINDER HEAD GASKET KIT£6.63 Add to
00C118550730/0ENGINE GASKET SET£16.50 Add to
010118550711/0FUEL TANK CAP£5.05 Add to
011118550715/0FUEL FILTER£2.10 Add to
012118550716/0FUEL TUBE£3.74 Add to
013118550697/0CARBURETTOR£49.34 Add to
014118550706/0STUD£3.83 Add to
015112292102/0FLANGED HEXAGONAL NUT M6£2.06 Add to
016118550702/0AIR FILTER ASSEMBLY (OBSOLETE)N/A
017118550704/0FOAM AIR FILTER£3.12 Add to
018118550703/0AIR FILTER COVER£7.63 Add to
019118550698/0PRIMER PUMP£12.94 Add to
020118550705/0BREATHER FUEL PIPE£2.74 Add to
021112292102/0FLANGED HEXAGONAL NUT M6£2.06 Add to
022118550710/0STUD BOLT£3.83 Add to
023112735699/0SCREW M6 x 12£1.79 Add to
024118550709/0MUFFLER GUARD£21.26 Add to
025118550708/0MUFFLER£17.45 Add to
026118550707/0MUFFLER GASKET£3.56 Add to
031118550719/0IGNITION COIL£28.90 Add to
032112792099/0HEX HEAD SCREW M6 x 30£1.79 Add to
033118550658/0SPARK PLUG [K7RTC]£7.56 Add to
035118550720/0THROTTLE VALVE SPRING£2.06 Add to
036118550721/0GOVERNER ROD£2.06 Add to
100118550732/0ENGINE 100cc OHV [RS100]£315.28 Add to