ENGINE-RS100 (2)

ENGINE-RS100 (2) assembly details for Stiga COLLECTOR 43 (RS100 OHV) 295431048/S14 2015 model

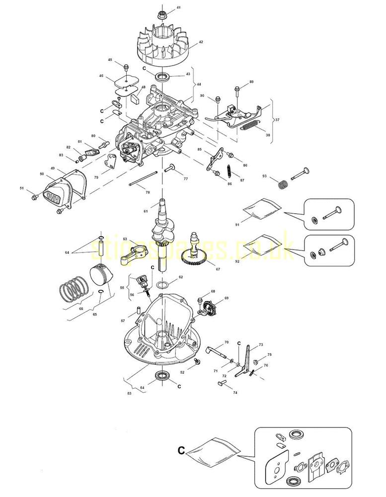
Parts list

Match the number with the image on the left and click "Add" button to add the item to your basket

Please note, that the prices are for individual items

Items might appear more than once on the drawing, please check and adjust the quantity you require.

RefNoDescriptionPrice
037118550728/0BRAKE/STOP SWITCH ASSEMBLY£21.40 Add to
038118550727/0SPRING£2.47 Add to
041118550717/0FLYWHEEL NUT£2.06 Add to
042118550718/0FLYWHEEL ASSEMBLY£56.53 Add to
043118550661/0OIL SEAL£3.83 Add to
044118550729/0CYLINDER HEAD ASSEMBLY£163.80 Add to
045112735699/0SCREW M6 x 12£1.79 Add to
046118550659/0COVER PLATE£4.90 Add to
048118550660/0OIL FILTER£3.55 Add to
049118550680/0CYLINDER HEAD GASKET£2.61 Add to
050118550681/0CYLINDER HEAD COVER£9.00 Add to
051112735699/0SCREW M6 x 12£1.79 Add to
052112791500/0SCREW TE M6x25 UNI 5739 ACC.8.8£2.06 Add to
053118550672/0CRANKCASE COVER£67.05 Add to
054118550668/0OIL SEAL£4.27 Add to
055118550669/0OIL DIPSTICK ASSEMBLY£2.47 Add to
056118550670/0O RING£1.79 Add to
057118550664/0PIN£3.15 Add to
061118550674/0CRANKSHAFT£73.87 Add to
062118550673/0WASHER (OBSOLETE) (OBSOLETE)N/A
063118550675/0CONNECTING ROD£17.72 Add to
064118550678/0PISTON PIN£4.52 Add to
065118550677/0PISTON ASSEMBLY£39.80 Add to
066118550679/0PISTON RING SET£13.71 Add to
067118550682/0CAMSHAFT£18.53 Add to
068112735699/0SCREW M6 x 12£1.79 Add to
069118550662/0SPEED GOVERNOR ASSEMBLY£8.84 Add to
070118550665/0GOVERNOR ARM SHAFT£3.96 Add to
071118550666/0WASHER (OBSOLETE) (OBSOLETE)N/A
072118550671/0OIL SEAL£2.74 Add to
073118550723/0GOVERNOR ARM£5.24 Add to
074118550726/0GOVERNOR SUPPORT BOLT (OBSOLETE)N/A
075118550722/0NUT (OBSOLETE)N/A
076118550667/0PIN£2.06 Add to
077118550683/0TAPPET VALVE£5.46 Add to
078118550684/0LIFTER VALVE£8.73 Add to
079118550685/0PLATE (OBSOLETE)N/A
080118550686/0VALVE ADJUSTING BOLT£4.27 Add to
081118550687/0ROCKER VALVE£5.05 Add to
082118550688/0NUT£4.37 Add to
083118550689/0NUT£2.06 Add to
085118550724/0THROTTLE CONTROL PLATE (OBSOLETE) (OBSOLETE)N/A
086112735699/0SCREW M6 x 12£1.79 Add to
087118550725/0GOVERNOR SPRING£2.06 Add to
089112791500/0SCREW TE M6x25 UNI 5739 ACC.8.8£2.06 Add to
090112735699/0SCREW M6 x 12£1.79 Add to
091118550692/0EXHAUST VALVE£19.09 Add to
092118550691/0INTAKE VALVE£20.87 Add to
093118550690/0SPRING£4.10 Add to
C118550730/0ENGINE GASKET SET£16.50 Add to