CASING

CASING assembly details for Stiga 13-2938-42 Park 125 Combi Pro 2009 model

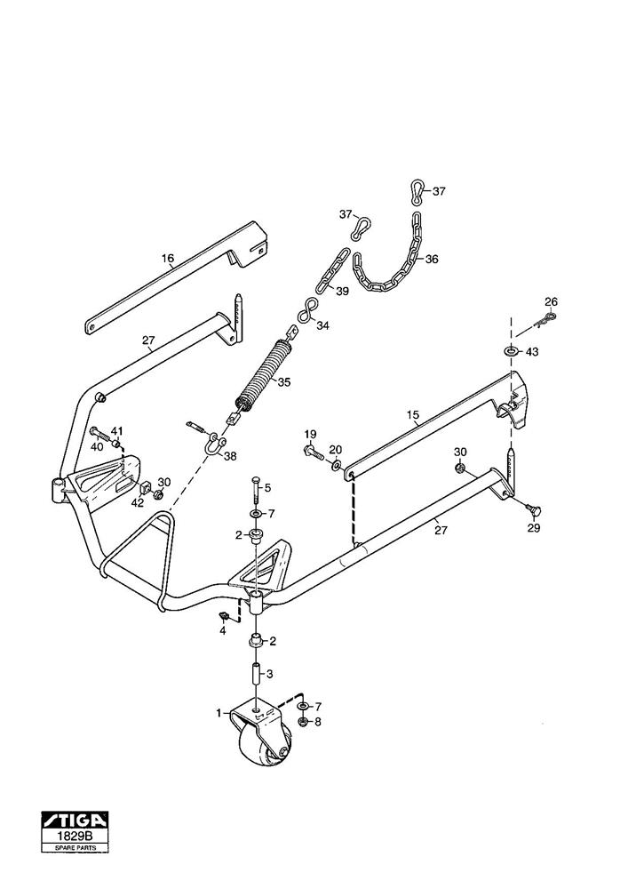
Parts list

Match the number with the image on the left and click "Add" button to add the item to your basket

Please note, that the prices are for individual items

Items might appear more than once on the drawing, please check and adjust the quantity you require.

RefNoDescriptionPrice
001387561537/0DECK CASING 125C [GREY]£850.20 Add to
0021134-6110-03PROTECTION FRAME [GREY]£480.54 Add to
0041134-3434-01ROLLER£13.77 Add to
0051134-0041-04BUSH£11.46 Add to
0069897-1060-12SCREW M10 x 60£3.28 Add to
0079739-1031-22NUT M10£2.32 Add to
0081134-7520-01WEAR PLATE L/H£91.78 Add to
0091134-7520-02WEAR PLATE R/H£91.78 Add to
011112800815/0SCREW TE FL M8 x 16£2.06 Add to
012112293201/0HEXAGON NUT M8 WITH EXAGONAL FLANGE£2.06 Add to
0161134-5885-01RUBBER FLAP£11.98 Add to
017112800815/0SCREW TE FL M8 x 16£2.06 Add to
0181134-4185-01FLANGE WASHER£6.71 Add to
019112293201/0HEXAGON NUT M8 WITH EXAGONAL FLANGE£2.06 Add to
0201134-5409-02MULCH PLUG [BLACK]£141.12 Add to
021122399900/03 SPOKE HANDWHEEL [BLACK]£2.06 Add to
0229997-0840-16SCREW M6S M8 x 40£2.06 Add to
0239897-1060-12SCREW M10 x 60£3.28 Add to
0241134-5595-01BLIND RIVET NUT£8.32 Add to
0251134-5553-02GUIDE PLATE (STRAIGHT)£35.71 Add to
0261134-5554-02GUIDE PLATE (CURVED)£38.44 Add to
027112800815/0SCREW TE FL M8 x 16£2.06 Add to
028112293201/0HEXAGON NUT M8 WITH EXAGONAL FLANGE£2.06 Add to
0991134-5594-01LABEL KIT-125 COMBI PRO£31.49 Add to