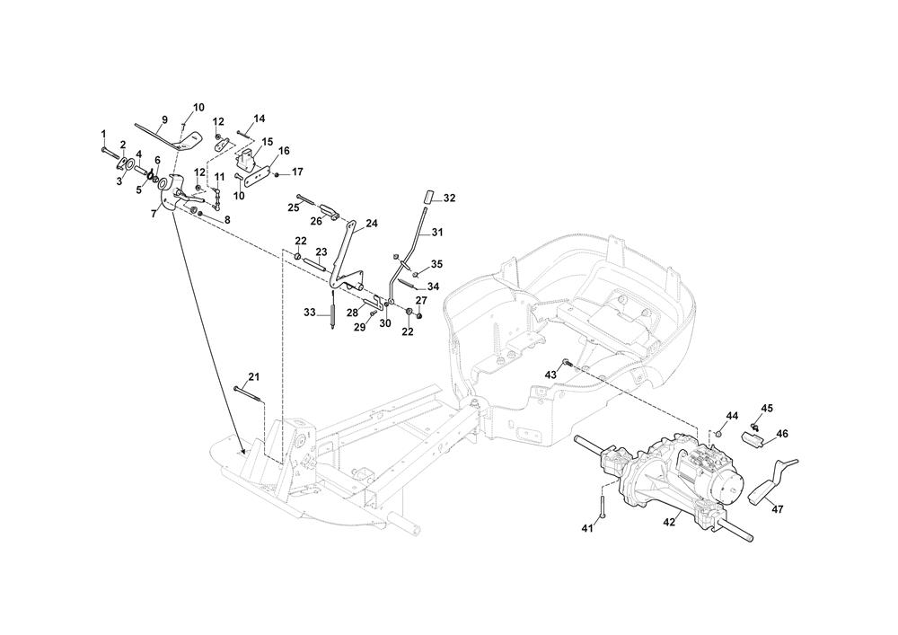
Transmission

Transmission assembly details for Stiga E-PARK 220 (2F5828001/ST1) 2019 model

Parts list

Match the number with the image on the left and click "Add" button to add the item to your basket

Please note, that the prices are for individual items

Items might appear more than once on the drawing, please check and adjust the quantity you require.

RefNoDescriptionPrice
001112691900/0HEX-HEAD SCREW£1.91 Add to
002387547049/0SPRING RETAINING PLATE£25.39 Add to
003337670204/0WASHER£6.95 Add to
005137430115/0HELICAL SPRING£11.37 Add to
0061134-6313-01BEARING£7.36 Add to
007387773557/0PEDAL BRACKET£89.56 Add to
008112155000/0LOW SELF-LOCKING NUT M8£2.06 Add to
009337506741/0HYDROSTATIC PEDAL£34.35 Add to
0109893-0616-16SCREW M6 x 16£2.47 Add to
011387640801/0BEI SENSOR ROD ASSY PKEL£35.71 Add to
012112154330/0LOW SELF-LOCKING NUT M5£2.06 Add to
013137036340/0SENSOR LEVER£41.44 Add to
016337774129/0SENSOR SUPPORT BRACKET£8.70 Add to
017112150000/0SELF-LOCKING NUT M4£1.79 Add to
0219997-0811-02SCREW M6S M8 x 110£3.69 Add to
0221134-6313-01BEARING£7.36 Add to
025112794988/0SCREW M8 x 70 GEOMET 321A£6.55 Add to
0261137-0959-01PARKING BRAKE PEDAL£4.78 Add to
027112154220/0SELF-LOCK FLANGED NUT M8£3.03 Add to
0281137-0825-01LOCKING ARM£8.73 Add to
0299893-0616-16SCREW M6 x 16£2.47 Add to
0301137-0872-01SPACER£2.06 Add to
0321137-0952-01KNOB£2.06 Add to
0331131-1507-00SPRING£34.35 Add to
0341137-1092-01SPRING£2.18 Add to
035112604899/0STARLOCK WASHER RPCO 308 D=8£2.06 Add to
042118400995/0LT ELECTRIC TRANSAXLE HG 1110-1001£2,439.50 Add to
043112691400/0HEX-HEAD SCREW M8 X 50£1.76 Add to
044112155000/0LOW SELF-LOCKING NUT M8£2.06 Add to
0459943-0516-16SCREW£2.40 Add to
0461134-3399-01SWITCH£45.26 Add to
047337774159/1BRAKE LEVER BRACKET£48.13 Add to