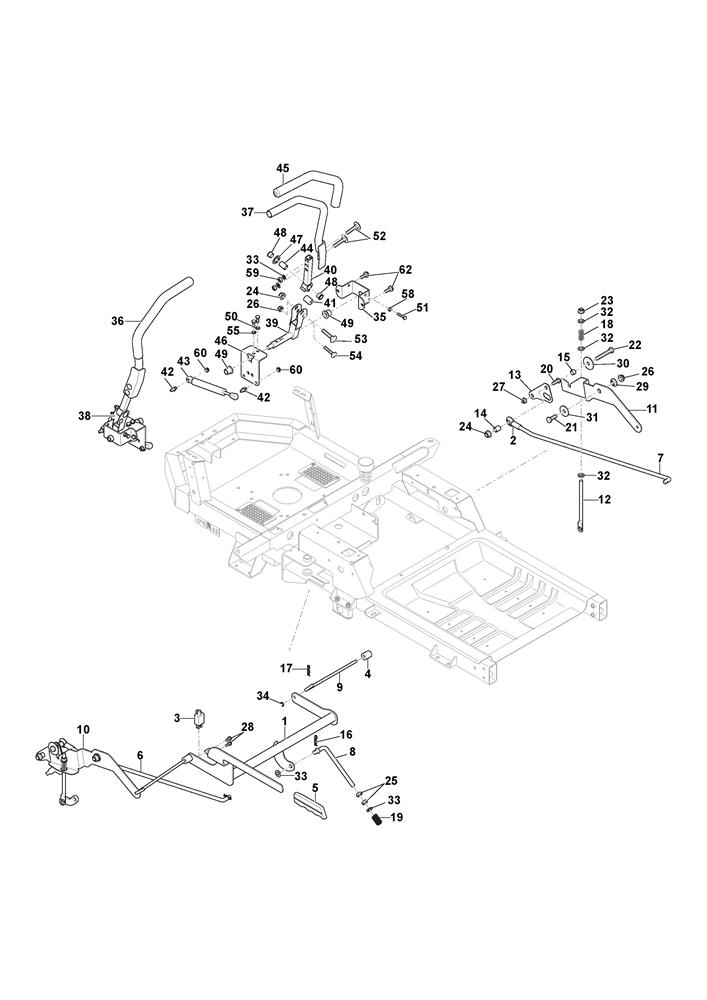
Steering Controls, Parking Brake

Steering Controls, Parking Brake assembly details for Stiga ZT 5132 T (2F1020821/S17) 2018 model

Parts list

Match the number with the image on the left and click "Add" button to add the item to your basket

Please note, that the prices are for individual items

Items might appear more than once on the drawing, please check and adjust the quantity you require.

RefNoDescriptionPrice
001118830240/0BRAKE LEVER£44.87 Add to
002118830207/0ROD END JOINT .38 R/H£42.53 Add to
003118830032/0MICROSWITCH [DOUBLE POLE N.O./N.O.]£32.99 Add to
004118830049/0TRUNNION PIN£14.57 Add to
005118830138/0PARKING BRAKE GRIP£10.91 Add to
006118830233/0R/H STEERING LINK ROD£34.10 Add to
007118830234/0L/H STEERING LINK ROD£34.10 Add to
008118830241/0BRAKE LEVER ROD£73.21 Add to
009118830242/0BRAKE ARM LINK ROD£19.09 Add to
010118830243/0R/H INTERLOCK BRAKE LINK£23.72 Add to
011118830245/0L/H INTERLOCK BRAKE LINK£23.72 Add to
012118830246/0BRAKE COG LINK£15.13 Add to
013118830256/0PLATE£3.89 Add to
014118830544/0SPACER£6.14 Add to
015118830545/0SPACER£3.89 Add to
016118830659/0R CLIP£2.71 Add to
017118830165/0HAIR PIN 0.08 x .18 x 1.18£7.78 Add to
018118830192/0COMPRESSION SPRING£13.64 Add to
019118830343/0SPRING£15.41 Add to
020118830573/0BOLT£4.10 Add to
021118830564/0BOLT£3.69 Add to
022118830578/0BOLT£2.87 Add to
023118830642/0NUT£2.47 Add to
024118830646/0NUT£3.28 Add to
025118830648/0NUT£2.71 Add to
026118830679/0NUT£5.21 Add to
027118830934/0FLANGED NUT LK.375-16 GRF ZCCN/A POA
028118830586/0SCREW£2.71 Add to
029118830024/0FLANGED BUSH .325 x .499 x .26 x .88£7.10 Add to
030118830626/0WASHER£4.52 Add to
031118830630/0WASHER£3.49 Add to
032118830615/0WASHER£2.47 Add to
033118830613/0WASHER£6.69 Add to
034118830156/0CIRCLIP .250 x .025£6.14 Add to
035118830278/0STEERING PIVOT BRACKET£10.91 Add to
036118830254/0STEERING HANDLE R/H£51.64 Add to
037118830255/0STEERING HANDLE L/H£51.64 Add to
039118830273/0LOWER STEERING ARM L/H£50.70 Add to
040118830274/0UPPER CONTROL ARM£51.81 Add to
041118830202/0BUSH£6.95 Add to
042118830033/0BALL STUD£20.29 Add to
043118830063/0DAMPER£88.85 Add to
044118830082/0SPACER .375 x .625 x .970£5.21 Add to
045118830090/0HANDLEBAR 15" FOAM GRIP£21.83 Add to
046118830222/0STEERING BRACKET£24.95 Add to
047118830264/0WASHER£8.73 Add to
048118830151/0FLANGED BUSH£5.21 Add to
049118830304/0BUSH£7.23 Add to
050118830552/0BOLT£2.71 Add to
051118830553/0SCREW£12.14 Add to
052118830587/0BOLT£5.87 Add to
053118830588/0BOLT£7.78 Add to
054118830589/0BOLT£8.45 Add to
055118830602/0WASHER£2.71 Add to
058118830649/0NUT£2.71 Add to
059118830651/0NUT£6.69 Add to
060118830161/0LOCK NUT .31-18£2.71 Add to
062118830672/0SELF-TAPPING SCREW£2.87 Add to