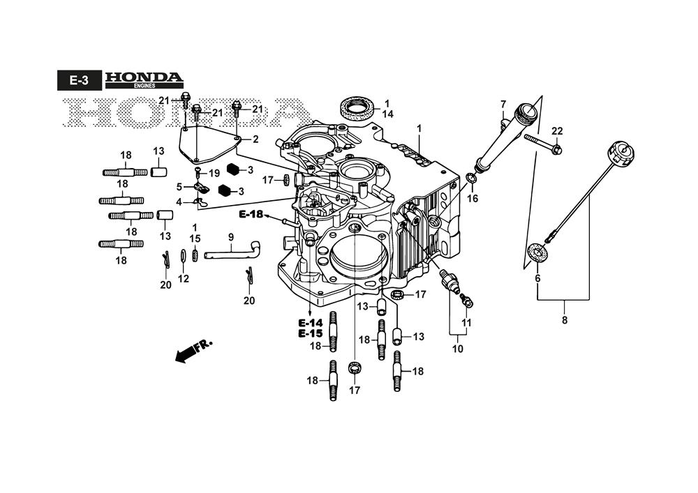
Crankcase assembly details for Stiga Park Pro 540 IX (13-6471-11) 2018 model
Parts list
Match the number with the image on the left and click "Add" button to add the item to your basket
Please note, that the prices are for individual items
Items might appear more than once on the drawing, please check and adjust the quantity you require.
| Ref | No | Description | Price | |
|---|
| 001 | 118551711/0 | CRANKCASE ASSY. | £2,051.13 | Add to |
| 002 | 118551749/0 | COVER, BREATHER | £22.63 | Add to |
| 003 | 118551752/0 | FILTER, BREATHER | £12.00 | Add to |
| 004 | 118551903/0 | VALVE, OIL OUTLET | £5.19 | Add to |
| 005 | 118551904/0 | PLATE, STOPPER | £3.69 | Add to |
| 007 | 118551911/0 | EXTENSION, OIL FILLER | £39.80 | Add to |
| 008 | 118551916/0 | GAUGE ASSY., OIL LEVEL | £38.44 | Add to |
| 009 | 118551975/0 | SHAFT, GOVERNOR ARM | £58.87 | Add to |
| 010 | 118552206/0 | SWITCH, OIL PRESSURE | £75.23 | Add to |
| 014 | 118552251/0 | OIL SEAL, 38X58X9 | £16.50 | Add to |
| 016 | 118552261/0 | O-RING, 14.8X2.4 | £4.10 | Add to |
| 017 | 118552269/0 | PACKING, OIL PASS | £7.92 | Add to |
Very happy with the service provided. I rang in order to check that I was ordering the correct part before placing my order online and the person that I was spoke to was extremely helpful and knowledgeable. Delivery was very quick. I'd be happy to use this company again if the need should arise.
Rod Nickerson
22/05/2026
All good. Parts as described and perfect fit and working well. Thank you.
Alan Prangnell
22/05/2026
Great system making for easy identification of part required with seamless progress through ordering and in to payment, prompt despatch and reliable Royal Mail stackable service.
Richard Swann
21/05/2026
Your range of spare parts is awesome and so easy to identify on your website.
I would strongly recommend World of Mowers to anyone seeking spares particularly for Stiga products and at a reasonable price.
Max Hunt
private owner
max Hunt
21/05/2026
All our prices include VAT