Hydraulic Lift

Hydraulic Lift assembly details for Stiga Park Pro 340 IX (13-6451-11) 2018 model

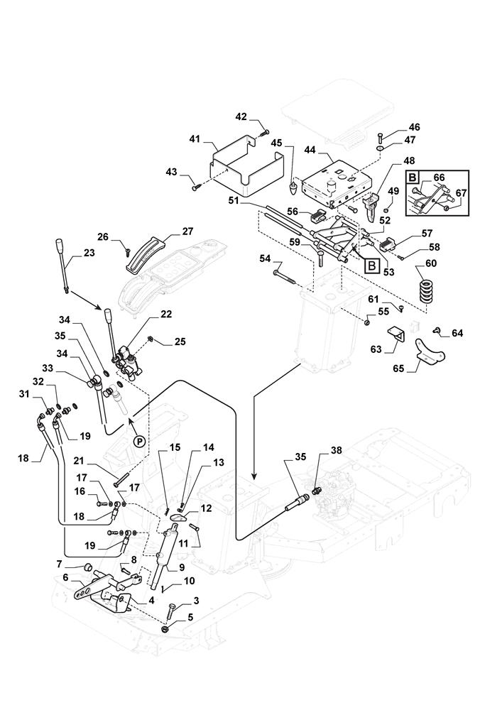
Parts list

Match the number with the image on the left and click "Add" button to add the item to your basket

Please note, that the prices are for individual items

Items might appear more than once on the drawing, please check and adjust the quantity you require.

RefNoDescriptionPrice
0039959-0825-16SCREW FLANGED TE M6SF M8 x 25£2.06 Add to
004387773503/0SUPPORT BRACKET£82.05 Add to
005112154210/0SELF-LOCK WINGED NUT M8 DIN 6927£2.06 Add to
006387256051/0LIFT LEVER ASSEMBLY£124.29 Add to
0071134-2684-01BUSH£7.10 Add to
0081134-4817-01PIN£12.96 Add to
0091137-0071-01HYDRAULIC CYLINDER£368.20 Add to
0109599-0054-02SPLIT PIN£2.32 Add to
0111134-4816-01PIN£13.64 Add to
0121134-4815-01CYLINDER BRACKET£58.87 Add to
013112521330/0WASHER M6 6.4 X 12 X 1.6£2.06 Add to
0149893-0616-16SCREW M6 x 16£2.47 Add to
0159598-0002-02SPRING PIN 2.5mm L=47mm£2.06 Add to
0161134-4826-01BANJO BOLT£15.81 Add to
0171134-4947-01COPPER WASHER 10 x 14 x 1.5£5.73 Add to
0181137-0193-01HYDRAULIC HOSE 90° 3/16"£89.43 Add to
0191137-0193-01HYDRAULIC HOSE 90° 3/16"£89.43 Add to
021112727799/0SCREW TCB TORX M6 x 35£2.18 Add to
022187145001/0HAND OPERATED VALVE£490.85 Add to
023187318253/0OPERATING LEVER£51.32 Add to
025112292102/0FLANGED HEXAGONAL NUT M6£2.06 Add to
026112728706/0SELF-TAPPING SCREW K40 x 16£2.06 Add to
0311134-4824-01ADAPTER£12.00 Add to
0321134-4948-01SEAL WASHER 1/4"£2.59 Add to
0331134-6323-01BANJO BOLT 3/8"£10.50 Add to
0341134-4948-02SEAL WASHER 3/8"£2.06 Add to
0351137-0197-01HYDRAULIC HOSE£71.14 Add to
0381134-4282-01HYDRAULIC NIPPLE£46.61 Add to
0411137-0038-01COVER£41.10 Add to
042112728697/0SELF-TAPPING SCREW TORX K50 x 16£2.06 Add to
0439943-0516-16SCREW£2.40 Add to
0451137-0064-01RUBBER CONE£42.53 Add to
047112523040/0WASHER M6 6.6 x 18 x 1.6£2.06 Add to
049112154510/0LOW SELF-LOCKING NUT M6 UNI7474 ACC.6S£2.06 Add to
0511137-0263-01TUBE£9.68 Add to
0521137-0260-01LINK ASSEMBLY A£65.69 Add to
0531137-0261-01LINK ASSEMBLY B£67.05 Add to
055112155000/0LOW SELF-LOCKING NUT M8£2.06 Add to
0561137-0033-02BLOCK£3.41 Add to
0571137-0033-01BLOCK£3.41 Add to
058112728697/0SELF-TAPPING SCREW TORX K50 x 16£2.06 Add to
0599897-0880-12SCREW MVBF 8 x 80£2.32 Add to
0601134-4160-01SEAT SPRING£24.95 Add to
0619893-0616-16SCREW M6 x 16£2.47 Add to
0649893-0616-16SCREW M6 x 16£2.47 Add to
0661134-0240-00SCREW£9.14 Add to
067112155000/0LOW SELF-LOCKING NUT M8£2.06 Add to