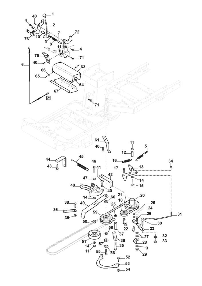
PTO

PTO assembly details for Stiga Park 720 W (2F6020621/S16)) 2018 model

Parts list

Match the number with the image on the left and click "Add" button to add the item to your basket

Please note, that the prices are for individual items

Items might appear more than once on the drawing, please check and adjust the quantity you require.

RefNoDescriptionPrice
0011134-2551-01GEAR KNOB£11.59 Add to
0039699-0090-02WASHER 8.4 x 18 x 1.5£2.32 Add to
0049959-0820-16FLANGED SCREW M8 x 20 8.8 DIN 6921£2.06 Add to
0054231-0013-00SPRING£8.87 Add to
0061134-3573-03PTO CABLE£37.40 Add to
0071134-4065-01CONTROL SHAFT£22.08 Add to
0081134-4079-01SPRING£8.73 Add to
0099695-0011-00WASHER 16 x 22 x 1£2.47 Add to
0101134-4080-03CONTROL SLEEVE£8.73 Add to
011112154220/0SELF-LOCK FLANGED NUT M8£3.03 Add to
0121134-1565-10SPACER£8.73 Add to
0131134-2018-02TENSION ARM£39.29 Add to
014112523060/0WASHER M8 8.4 X 24 X 2£2.06 Add to
015112691800/0HEX-HEAD SCREW M8 x 60£2.06 Add to
0161135-3307-01BRAKE SPRING£23.72 Add to
017112794300/0SCREW TE M10 x 30£1.91 Add to
018387605008/0TENSION PULLEY [GREY]£35.71 Add to
019112295200/0HEXAGON NUT M10£1.79 Add to
0211134-9173-01PTO DRIVE BELT [KEVLAR]£31.63 Add to
0221134-4163-02SHOULDER BOLT£8.87 Add to
023387318251/0BRAKE ARM£32.99 Add to
0259739-1031-22NUT M10£2.32 Add to
026112818700/0SCREW M8 x 25£2.81 Add to
027112521360/0WASHER M10 10.5 x 20 x 2£2.06 Add to
0281134-4164-03BRAKE PAD£32.99 Add to
029112155000/0LOW SELF-LOCKING NUT M8£2.06 Add to
0301134-4170-01PIVOT BOLT£14.32 Add to
031137033100/0BRAKE ROD£22.63 Add to
032112521330/0WASHER M6 6.4 X 12 X 1.6£2.06 Add to
033112154510/0LOW SELF-LOCKING NUT M6 UNI7474 ACC.6S£2.06 Add to
034112604897/0STARLOCK WASHER D=5£2.06 Add to
035112794950/0SCREW M10 x 80£4.11 Add to
036337546547/0PLATE£5.64 Add to
0371134-0041-03BUSH£11.59 Add to
038112793102/0SCREW TE M8x20 UNI 5739 ACC.8.8£2.06 Add to
039112293201/0HEXAGON NUT M8 WITH EXAGONAL FLANGE£2.06 Add to
0409893-0616-16SCREW M6 x 16£2.47 Add to
041325160039/0SPACER£2.06 Add to
0421134-3958-01BELT GUIDE£17.45 Add to
0439945-0816-16SCREW M8 X 16£2.54 Add to
0441134-5112-01SPRING ATTACHMENT BRACKET£27.27 Add to
0451134-5111-01SPRING£18.53 Add to
046112691900/0HEX-HEAD SCREW£1.91 Add to
047122041980/0SPACER ROLLER BUSH£2.06 Add to
048337600000/1PULLEY PROTECTION GUARD£7.73 Add to
0491137-1124-01TENSION WHEEL ARM£83.40 Add to
0501134-1888-04SPACER£9.41 Add to
051387605007/0TENSION ROLLER PULLEY£56.84 Add to
0529959-0612-16SCREW M6SF M6 x 12 TL£1.79 Add to
0531134-3654-01GUARD£35.71 Add to
054112292102/0FLANGED HEXAGONAL NUT M6£2.06 Add to
0559959-1025-16SCREW M6SF M10 x 25 TL£3.00 Add to
0561134-0222-00TENSION WASHER£14.45 Add to
0579699-0109-02WASHER 10.5 x 40 x 2£2.32 Add to
058112521360/0WASHER M10 10.5 x 20 x 2£2.06 Add to
059387605002/0DOUBLE CENTRE PULLEY ASSEMBLY£84.77 Add to
0601134-5548-01SPACER£14.32 Add to
0631134-3990-01ATTACHMENT-SIDE PANEL£164.18 Add to
064112154220/0SELF-LOCK FLANGED NUT M8£3.03 Add to
0659840-8013-16SCREW 4.8 x 13£2.06 Add to
0669699-0099-02WASHER 5.2 x 14 x 1.0£2.18 Add to
0671134-4130-01LOWER COVER YELLOW STIGA£41.16 Add to
0721134-4156-01INNER PANEL BRACKET£60.24 Add to
0751134-6328-01SPACER£19.93 Add to
0761134-6327-01FRONT PLATE£21.82 Add to