Engine, Exhaust, Belts,

Engine, Exhaust, Belts, assembly details for Stiga ZT 3107 T (2F1020611/S17) 2017 model

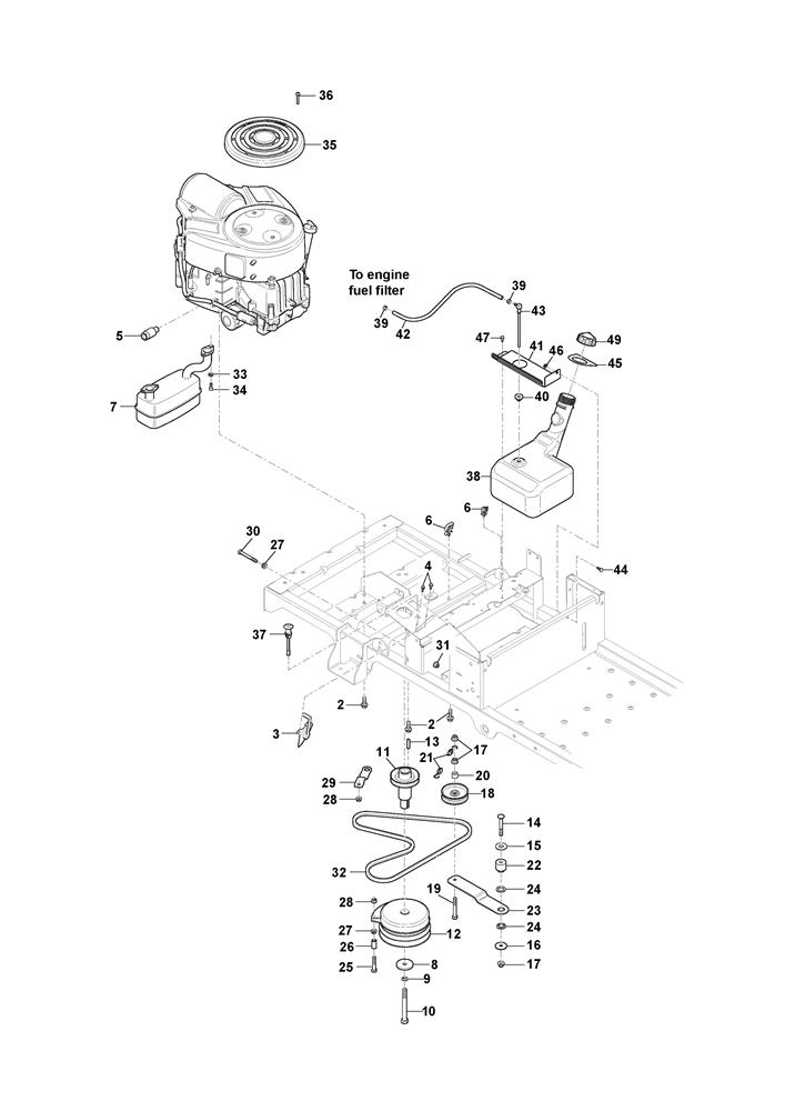
Parts list

Match the number with the image on the left and click "Add" button to add the item to your basket

Please note, that the prices are for individual items

Items might appear more than once on the drawing, please check and adjust the quantity you require.

RefNoDescriptionPrice
002118830675/0SCREW£6.14 Add to
003118830167/0THROTTLE CABLE£67.70 Add to
004118830676/0SCREW£2.71 Add to
005118830062/0OIL DRAIN PLUG£15.81 Add to
006118830021/0HOSE CLAMP£5.05 Add to
007118830026/0MUFFLER£246.02 Add to
008118830627/0WASHER£16.36 Add to
009118830604/0WASHER£2.61 Add to
010118830582/0BOLT£15.00 Add to
011118830073/0CRANKSHAFT EXTENSION£99.76 Add to
012118830070/0MAGNET CLUTCH£654.37 Add to
013118830658/0KEY£7.23 Add to
014118830600/0BOLT£4.37 Add to
015118830622/0WASHER£2.74 Add to
016118830623/0WASHER£7.36 Add to
017118830656/0NUT£2.71 Add to
018118830171/0ENGINE CLUTCH PULLEY£50.70 Add to
019118830576/0BOLT£4.52 Add to
020118830199/0BUSH 0.391 x 0.688 x 0.52£10.09 Add to
021118830193/0EXTENSION SPRING£26.18 Add to
022118830069/0SPACER£12.00 Add to
023118830068/0BRAKE ARM£25.99 Add to
024118830067/0BUSH£9.54 Add to
025118830554/0SCREW£5.19 Add to
026118830072/0RUBBER SPACER 5/16 ID x 1.0£6.14 Add to
027118830645/0NUT£5.05 Add to
028118830161/0LOCK NUT .31-18£2.71 Add to
029118830065/0CLUTCH STOP BRACKET£26.18 Add to
030118830574/0BOLT£4.52 Add to
031118830679/0NUT£5.21 Add to
0321134-9212-01TRANSMISSION BELT [KEVLAR] ZTR 42£50.70 Add to
033118830602/0WASHER£2.71 Add to
034118830558/0BOLT£7.23 Add to
035118830028/0TOP ENGINE COVER [B&S]£55.89 Add to
036118830585/0BOLT£2.61 Add to
037118830166/0CHOKE CABLE (SNAP-IN)£76.59 Add to
038118830044/0FUEL TANK£147.66 Add to
039118830029/0FUEL LINE CLAMP£2.71 Add to
040118830175/0GROMMET£7.23 Add to
041118830053/0FUEL TANK BRACKET£21.26 Add to
042118830541/0FUEL HOSE L=35£2.71 Add to
043118830092/0FUEL PICKUP ASSEMBLY£25.99 Add to
044118830594/0BOLT£2.71 Add to
045118830055/0TANK NECK SEAL£7.23 Add to
046118830632/0NUT£4.23 Add to
047118830326/0SELF-TAPPING SCREW£2.71 Add to
049118830025/0FUEL CAP£27.27 Add to