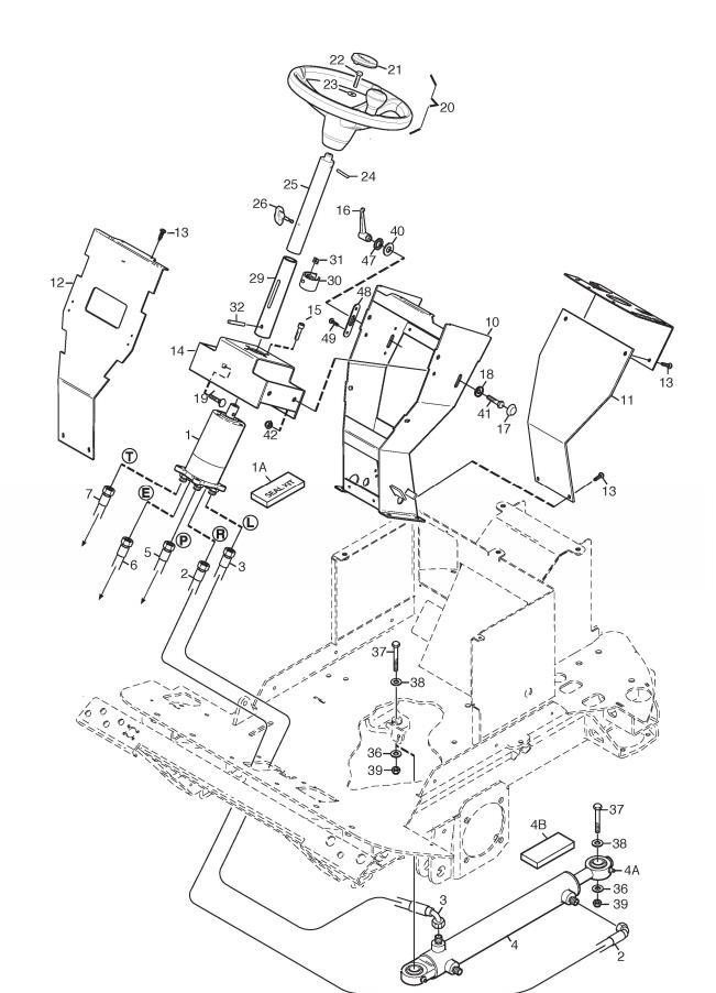
Steering

Steering assembly details for Stiga TITAN 540 D 2017 (13-7454-11) 2017 model

Parts list

Match the number with the image on the left and click "Add" button to add the item to your basket

Please note, that the prices are for individual items

Items might appear more than once on the drawing, please check and adjust the quantity you require.

RefNoDescriptionPrice
0011134-7214-01STEERING BOOSTER£1,090.44 Add to
0011139-2081-01SEAL KIT£197.87 Add to
0021137-0185-13HYDRAULIC HOSE 90° ¼"£47.50 Add to
0031137-0186-08HYDRAULIC HOSE 45° ¼"£57.72 Add to
0041139-2083-01SEAL KIT£129.74 Add to
004112379511/0STRAIGHT GREASE NIPPLE M6 x 1£2.06 Add to
0051137-0195-03HYDRAULIC HOSE£116.11 Add to
0061137-0196-05HYDRAULIC HOSE L=1350mm 45° 3/8"£53.75 Add to
0111134-7198-01REAR PLATE-STEERING CONSOLE£54.79 Add to
0121137-0670-01FRONT PLATE£98.29 Add to
0139893-0616-16SCREW M6 x 16£2.47 Add to
0141134-6995-01BRACKET-STEERING SERVO£124.29 Add to
015112800815/0SCREW TE FL M8 x 16£2.06 Add to
0161134-7123-01LOCK LEVER-ADJUSTABLE£35.71 Add to
0179403-0053-01COVER CAP£5.66 Add to
0199897-0820-16SCREW M8 x 20£2.32 Add to
020337961200/0STEERING WHEEL [BLACK]£287.40 Add to
021337580550/0STEERING WHEEL PLATE£8.75 Add to
022112793102/0SCREW TE M8x20 UNI 5739 ACC.8.8£2.06 Add to
023112583500/0WASHER M8 UNI 1751 WZ£2.06 Add to
024112620299/0SPIROL FLEXIBLE PIN 6 x 45£1.91 Add to
025387520101/1UPPER STEERING COLUMN£95.67 Add to
026337394201/0WING NUT£13.64 Add to
0291134-5216-01INNER STEERING TUBE£87.50 Add to
0301134-5177-01SLIDE COLLAR£13.64 Add to
0319710-0631-12SQUARE NUT£3.55 Add to
037112691800/0HEX-HEAD SCREW M8 x 60£2.06 Add to
038112523060/0WASHER M8 8.4 X 24 X 2£2.06 Add to
039112293201/0HEXAGON NUT M8 WITH EXAGONAL FLANGE£2.06 Add to
0409699-0090-02WASHER 8.4 x 18 x 1.5£2.32 Add to
041112800815/0SCREW TE FL M8 x 16£2.06 Add to
042112293201/0HEXAGON NUT M8 WITH EXAGONAL FLANGE£2.06 Add to
047081-470-01LOCK WASHER 5/16" - NLA£2.06 Add to
0481135-2514-01WEAR PLATE£28.89 Add to
0499893-0616-16SCREW M6 x 16£2.47 Add to
0529893-0616-16SCREW M6 x 16£2.47 Add to