Protection, Belt

Protection, Belt assembly details for Stiga PARK 540 PX 2017 (2F6230611/S16) 2017 model

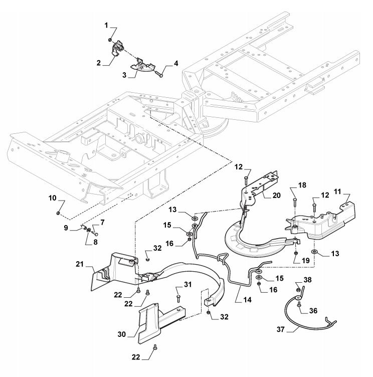
Parts list

Match the number with the image on the left and click "Add" button to add the item to your basket

Please note, that the prices are for individual items

Items might appear more than once on the drawing, please check and adjust the quantity you require.

RefNoDescriptionPrice
001112154510/0LOW SELF-LOCKING NUT M6 UNI7474 ACC.6S£2.06 Add to
002337600010/0RIGHT PULLEY GUARD£4.52 Add to
003337600011/0LEFT PULLEY GUARD£4.37 Add to
004112792099/0HEX HEAD SCREW M6 x 30£1.79 Add to
007112735669/0SCREW TCB TORX M6 x 50£2.06 Add to
008112523050/0WASHER M6 6.6 x 24 x 2£2.06 Add to
0091134-1565-14SPACER£2.18 Add to
010112154510/0LOW SELF-LOCKING NUT M6 UNI7474 ACC.6S£2.06 Add to
011337060001/1REAR LEFT BELT GUARD£7.23 Add to
012112792099/0HEX HEAD SCREW M6 x 30£1.79 Add to
013112524010/0WASHER M8 8.4 x 24 x 4£1.91 Add to
014337785113/0CENTRAL SUPPORT ROD£58.87 Add to
015112521330/0WASHER M6 6.4 X 12 X 1.6£2.06 Add to
016112154510/0LOW SELF-LOCKING NUT M6 UNI7474 ACC.6S£2.06 Add to
018112791500/0SCREW TE M6x25 UNI 5739 ACC.8.8£2.06 Add to
019112154510/0LOW SELF-LOCKING NUT M6 UNI7474 ACC.6S£2.06 Add to
020337060000/2REAR RIGHT BELT GUARD£7.92 Add to
021337060002/0FRONT RIGHT BELT GUARD£11.04 Add to
0229893-0616-16SCREW M6 x 16£2.47 Add to
030337060004/0FRONT LEFT BELT GUARD£7.10 Add to
031112791500/0SCREW TE M6x25 UNI 5739 ACC.8.8£2.06 Add to
032112154510/0LOW SELF-LOCKING NUT M6 UNI7474 ACC.6S£2.06 Add to
036112727796/0SCREW TCB TORX M5 x 12£2.06 Add to
037137294105/0CENTRAL BELT GUIDE£33.42 Add to
038112154330/0LOW SELF-LOCKING NUT M5£2.06 Add to