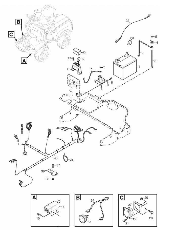
Electrical Parts

Electrical Parts assembly details for Stiga PARK 420 P 2017 (2F6220511/S16) 2017 model

Parts list

Match the number with the image on the left and click "Add" button to add the item to your basket

Please note, that the prices are for individual items

Items might appear more than once on the drawing, please check and adjust the quantity you require.

RefNoDescriptionPrice
0021134-5994-01BATTERY LOOP£9.82 Add to
0031134-5995-01BATTERY LOOP£6.55 Add to
0041134-4481-02WING NUT£6.14 Add to
005112154510/0LOW SELF-LOCKING NUT M6 UNI7474 ACC.6S£2.06 Add to
006118736112/0SOLENOID£39.80 Add to
0079743-5121-32LOCK NUT 5/16"£1.79 Add to
0089852-8013-16SCREW£2.47 Add to
009112523040/0WASHER M6 6.6 x 18 x 1.6£2.06 Add to
0101134-4970-02CABLE£23.45 Add to
0111134-3491-01FUSE HOLDER£13.90 Add to
012133340040/0FUSE 10A£2.47 Add to
012A1134-3496-06FUSE 20A£2.06 Add to
012B1134-3496-07FUSE 30A£5.05 Add to
0131134-3631-01COVER-FUSE HOLDER£12.96 Add to
0141134-3399-02SWITCH£45.26 Add to
0159943-0516-16SCREW£2.40 Add to
019387149302/02 POLE FEMALE CONNECTOR£11.33 Add to
021112735105/0SELF-TAP SCREW TE 3.5 x 16£2.06 Add to
0221134-0234-02BATTERY CABLE (+)£24.95 Add to
0231134-2310-01GUARD CAP (+)£9.28 Add to
024133320027/0FASTPOINT BAND ART. 0387.AA01 L=290£2.06 Add to
0271137-0075-01ATTACHMENT BRACKET£9.94 Add to
0289959-0820-16FLANGED SCREW M8 x 20 8.8 DIN 6921£2.06 Add to
029112293201/0HEXAGON NUT M8 WITH EXAGONAL FLANGE£2.06 Add to
033118459102/0LED-LAMP GE 10/3 5W£25.99 Add to
0341134-7505-01WIRE HARNESS£129.74 Add to
040187040310/0WIRING HARNESS [PARK 420/520/540/740]£306.88 Add to