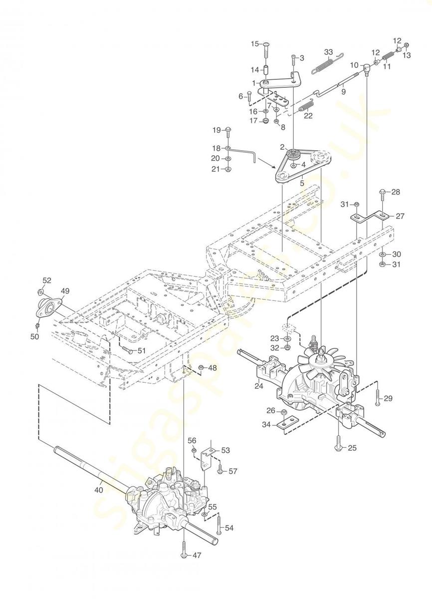
Transaxel Transmission

Transaxel Transmission assembly details for Stiga Stiga Park 540 PX 2F6230611 2016 model

Parts list

Match the number with the image on the left and click "Add" button to add the item to your basket

Please note, that the prices are for individual items

Items might appear more than once on the drawing, please check and adjust the quantity you require.

RefNoDescriptionPrice
0011134-4000-02TENSION ARM£48.50 Add to
002387605012/0TENSION PULLEY£59.68 Add to
0039924-1035-16SCREW MF6S M10 x 35£6.27 Add to
004112295200/0HEXAGON NUT M10£1.79 Add to
0051134-9058-01TRANSMISSION BELT£23.04 Add to
006112791500/0SCREW TE M6x25 UNI 5739 ACC.8.8£2.06 Add to
007112292102/0FLANGED HEXAGONAL NUT M6£2.06 Add to
008112154510/0LOW SELF-LOCKING NUT M6 UNI7474 ACC.6S£2.06 Add to
0091134-3377-02CONTROL ROD£16.91 Add to
0101134-4171-01PIVOT PIN£17.45 Add to
0111134-4183-01COMPRESSION SPRING£8.73 Add to
0121134-3456-01BUSH£6.14 Add to
013112154510/0LOW SELF-LOCKING NUT M6 UNI7474 ACC.6S£2.06 Add to
0141134-1565-08SPACER£9.94 Add to
0159930-0870-16***N/A POA
016112523060/0WASHER M8 8.4 X 24 X 2£2.06 Add to
017112293201/0HEXAGON NUT M8 WITH EXAGONAL FLANGE£2.06 Add to
0181134-3289-02BELT GUIDE£21.40 Add to
0199959-0820-16FLANGED SCREW M8 x 20 8.8 DIN 6921£2.06 Add to
020112523060/0WASHER M8 8.4 X 24 X 2£2.06 Add to
0211137-0155-01SPACER£4.52 Add to
0221134-6414-01SPRING£5.73 Add to
023112523040/0WASHER M6 6.6 x 18 x 1.6£2.06 Add to
0241137-0125-01TRANSAXLE K574F£2,957.57 Add to
0259960-0860-12SCREW M8 x 60£2.32 Add to
026112293201/0HEXAGON NUT M8 WITH EXAGONAL FLANGE£2.06 Add to
0271134-3913-01STRUT BRACKET£17.59 Add to
0289959-0825-16SCREW FLANGED TE M6SF M8 x 25£2.06 Add to
029112691200/0HEX-HEAD SCREW M8 x 45£2.06 Add to
0309699-0090-02WASHER 8.4 x 18 x 1.5£2.32 Add to
031112293201/0HEXAGON NUT M8 WITH EXAGONAL FLANGE£2.06 Add to
032112154510/0LOW SELF-LOCKING NUT M6 UNI7474 ACC.6S£2.06 Add to
0334231-0013-00SPRING£8.87 Add to
0401134-6029-01FRONT TRANSAXLE (KTM10M)£2,211.84 Add to
0479960-0860-12SCREW M8 x 60£2.32 Add to
048112293201/0HEXAGON NUT M8 WITH EXAGONAL FLANGE£2.06 Add to
0491134-5703-01FLANGE BEARING UNIT£24.95 Add to
050112379511/0STRAIGHT GREASE NIPPLE M6 x 1£2.06 Add to
0519997-1040-16SCREW M6S 10 x 40£7.23 Add to
0529731-1031-22LOCK NUT M6MF M10£2.47 Add to
0531134-5670-01SUPPORT BRACKET£18.74 Add to
0549997-0880-16ScrewN/A POA
0559699-0090-02WASHER 8.4 x 18 x 1.5£2.32 Add to
056112293201/0HEXAGON NUT M8 WITH EXAGONAL FLANGE£2.06 Add to
0571134-4242-01SPACER WASHER£4.78 Add to