Steering

Steering assembly details for Stiga VILLA 13 HST (13-2729-75) 2015 model

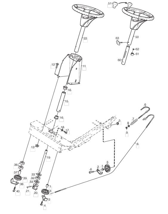
Parts list

Match the number with the image on the left and click "Add" button to add the item to your basket

Please note, that the prices are for individual items

Items might appear more than once on the drawing, please check and adjust the quantity you require.

RefNoDescriptionPrice
0011134-0041-01BUSH£9.41 Add to
0021134-3022-01BRACKET£62.97 Add to
0031134-9025-01STEERING PULLEY [2 PCS]£20.09 Add to
0049997-1040-16SCREW M6S 10 x 40£7.23 Add to
0059739-1031-22NUT M10£2.32 Add to
0061134-9154-01STEERING CABLE£52.06 Add to
0071134-1310-01SPRING£19.22 Add to
008112523060/0WASHER M8 8.4 X 24 X 2£2.06 Add to
009112293201/0HEXAGON NUT M8 WITH EXAGONAL FLANGE£2.06 Add to
0129897-0820-16SCREW M8 x 20£2.32 Add to
013112293201/0HEXAGON NUT M8 WITH EXAGONAL FLANGE£2.06 Add to
0151134-1305-05LOWER STEERING COLUMN£47.97 Add to
0161134-1901-01PLASTIC BUSH£12.27 Add to
0179893-0616-16SCREW M6 x 16£2.47 Add to
018112523040/0WASHER M6 6.6 x 18 x 1.6£2.06 Add to
0191134-5495-01STEERING ROD£92.95 Add to
0201134-1933-01STEERING PULLEY£57.47 Add to
0219595-0262-00LOCATING PIN£2.06 Add to
0221134-5496-01STEERING WHEEL ASSEMBLY£211.50 Add to
0321134-3047-01SPACER£8.04 Add to
033112521390/0WASHER M16 17 x 30 x 3£1.91 Add to
0361134-3047-01SPACER£8.04 Add to
0371134-0041-05BUSH£11.46 Add to
0381134-3022-01BRACKET£62.97 Add to
0391134-9025-01STEERING PULLEY [2 PCS]£20.09 Add to
040112692395/2SCREW M10 x 60£3.49 Add to
0511134-3769-01STEERING WHEEL BUTTON KIT£37.08 Add to