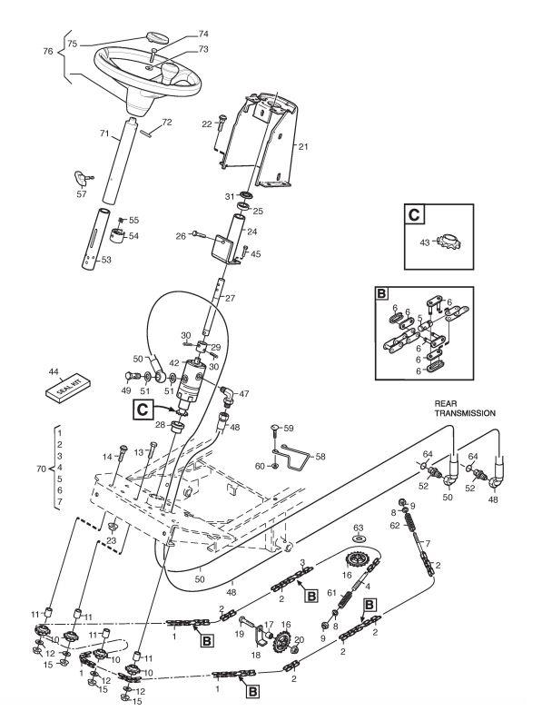
Steering

Steering assembly details for Stiga PARK 520 DP 2015 (13-6318-31) 2015 model

Parts list

Match the number with the image on the left and click "Add" button to add the item to your basket

Please note, that the prices are for individual items

Items might appear more than once on the drawing, please check and adjust the quantity you require.

RefNoDescriptionPrice
001187000351/0STEERING CHAIN 83M ELITE PC-PCH W/SERVO£35.71 Add to
002187000352/0STEERING CHAIN 41M ELITE FM W/SERVO£28.90 Add to
0031134-6374-04CHAIN (45 LINKS)£16.10 Add to
0041134-3550-01END NIPPLE [L=110]£18.53 Add to
005137510324/0CHAIN CONNECTION PIN£7.10 Add to
006187060100/1STEERING CHAIN LOCK£7.62 Add to
0071134-3550-02END NIPPLE [L=90]£18.27 Add to
0089699-0090-02WASHER 8.4 x 18 x 1.5£2.32 Add to
009112293201/0HEXAGON NUT M8 WITH EXAGONAL FLANGE£2.06 Add to
0101134-2816-01SPROCKET£10.77 Add to
0111134-0041-02BUSH£10.09 Add to
012112521360/0WASHER M10 10.5 x 20 x 2£2.06 Add to
013112794900/0HEX-HEAD SCREW M10 x 50£2.06 Add to
0149897-1040-12SCREW M10 x 40£3.49 Add to
0159739-1031-22NUT M10£2.32 Add to
0161134-3547-01SPROCKET£12.96 Add to
0171134-0041-01BUSH£9.41 Add to
0181134-3022-01BRACKET£62.97 Add to
019112794300/0SCREW TE M10 x 30£1.91 Add to
0209739-1031-22NUT M10£2.32 Add to
0211137-0066-01STEERING COLUMN COVER£139.00 Add to
0229897-0820-16SCREW M8 x 20£2.32 Add to
023112293201/0HEXAGON NUT M8 WITH EXAGONAL FLANGE£2.06 Add to
0241137-0044-01STEERING COLUMN ASSEMBLY£77.55 Add to
0259549-0017-00BALL BEARING£12.14 Add to
0269945-0816-16SCREW M8 X 16£2.54 Add to
0271137-0045-01STEERING ROD£54.04 Add to
028137038014/0STEERING COLUMN BUSH£12.82 Add to
0291134-4118-01COUPLING£22.49 Add to
0309595-0256-01LOCATING PIN£2.47 Add to
0319695-0011-00WASHER 16 x 22 x 1£2.47 Add to
042187305501/1STEERING BOOSTER£681.63 Add to
0431139-2106-01PINION (STEERING BOOSTER)£148.89 Add to
044187305501/1STEERING BOOSTER£681.63 Add to
0459939-0612-16SCREW M6 x 12£2.32 Add to
0471134-7073-01HYDRAULIC COUPLING 90°£34.35 Add to
0481137-0195-02HYDRAULIC HOSE L=1740mm£97.03 Add to
0491134-6323-01BANJO BOLT 3/8"£10.50 Add to
0501137-0214-03HYDRAULIC HOSE L=2050mm£101.13 Add to
0511134-4948-02SEAL WASHER 3/8"£2.06 Add to
052387520119/0LOWER STEERING COLUMN£74.87 Add to
0531137-0070-01INNER STEERING TUBE£61.60 Add to
0541134-5177-01SLIDE COLLAR£13.64 Add to
0559710-0631-12SQUARE NUT£3.55 Add to
057337394201/0WING NUT£13.64 Add to
059112815200/0SCREW TTDQ M6X16£2.06 Add to
060112292102/0FLANGED HEXAGONAL NUT M6£2.06 Add to
0611134-3817-01COMPRESSION SPRING£12.96 Add to
0621134-3817-02COMPRESSION SPRING£12.68 Add to
063337670201/0WASHER£3.64 Add to
0649404-0028-01O RING 11.89 x 1.98£4.78 Add to
070387106407/0STEERING CHAIN ASSEMBLY£302.40 Add to
071387520107/0UPPER STEERING COLUMN£80.36 Add to
072112620299/0SPIROL FLEXIBLE PIN 6 x 45£1.91 Add to
073112583500/0WASHER M8 UNI 1751 WZ£2.06 Add to
074112793102/0SCREW TE M8x20 UNI 5739 ACC.8.8£2.06 Add to
075337580550/0STEERING WHEEL PLATE£8.75 Add to
076337961200/0STEERING WHEEL [BLACK]£287.40 Add to