Engine

Engine assembly details for Stiga PARK 420 P 2015 (13-6320-11) 2015 model

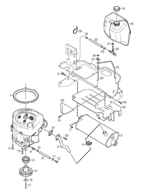
Parts list

Match the number with the image on the left and click "Add" button to add the item to your basket

Please note, that the prices are for individual items

Items might appear more than once on the drawing, please check and adjust the quantity you require.

RefNoDescriptionPrice
0011134-6116-02AIR DUCT£28.90 Add to
0029955-3725-16SCREW 3/8" x 25£2.87 Add to
003118738266/0EXHAUST PIPE B&S INTEK£71.14 Add to
0049578-0011-01TUBE CLAMP£14.58 Add to
0051134-6024-01MUFFLER£425.45 Add to
0069959-0820-16FLANGED SCREW M8 x 20 8.8 DIN 6921£2.06 Add to
007112293201/0HEXAGON NUT M8 WITH EXAGONAL FLANGE£2.06 Add to
0081134-5827-01OIL DRAIN ASSEMBLY£41.16 Add to
0091134-5825-01NIPPLE£58.87 Add to
0109578-0023-04HOSE CLAMP£5.32 Add to
0119578-0023-00HOSE CLAMP£24.95 Add to
0121134-5826-01PLUG£24.95 Add to
0131137-0206-01ENGINE PULLEY£34.35 Add to
0141137-0208-01ENGINE PULLEY£45.26 Add to
0159600-0251-01KEY L=2.5"£6.95 Add to
0161134-5017-02WASHER 40 x 11.5 x 4£3.15 Add to
0179987-5332-16SCREW U6S 7/16" UNF x 32£2.47 Add to
0181134-5938-01FUEL TANK£135.19 Add to
019125795001/1FUEL TANK CAP£8.32 Add to
0201134-3224-01FUEL SHUT-OFF VALVE£24.95 Add to
0211134-3225-01GROMMET£7.57 Add to
0221134-2975-15FUEL HOSE (L=1400)£32.99 Add to
0239578-0023-02HOSE CLAMP£5.73 Add to
0249578-0023-02HOSE CLAMP£5.73 Add to
0251134-5942-01TANK LOOP£9.54 Add to
0261134-5996-01TANK LOOP£7.10 Add to
0271134-4481-02WING NUT£6.14 Add to
028112154510/0LOW SELF-LOCKING NUT M6 UNI7474 ACC.6S£2.06 Add to
029133320027/0FASTPOINT BAND ART. 0387.AA01 L=290£2.06 Add to
0309852-8013-16SCREW£2.47 Add to
0311134-0433-00MUFFLER GASKET£5.87 Add to
0321134-4930-01SCREW£2.32 Add to
0501134-6234-01HEAT DEFLECTOR£17.86 Add to
0519943-0516-16SCREW£2.40 Add to
0521134-6251-01HEAT DEFLECTOR£39.80 Add to
0539959-0612-16SCREW M6SF M6 x 12 TL£1.79 Add to
054112292102/0FLANGED HEXAGONAL NUT M6£2.06 Add to