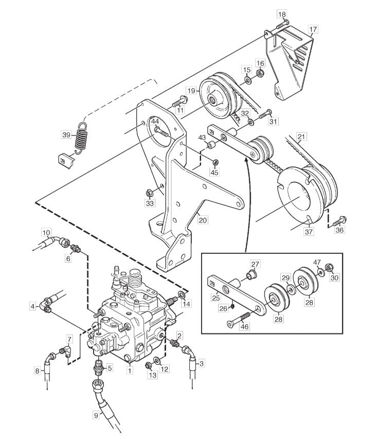
Hydro Pump

Hydro Pump assembly details for Stiga TITAN 740 DC 2014 (13-7461-11) 2014 model

Parts list

Match the number with the image on the left and click "Add" button to add the item to your basket

Please note, that the prices are for individual items

Items might appear more than once on the drawing, please check and adjust the quantity you require.

RefNoDescriptionPrice
0011137-1128-01HYDRAULIC PUMP KPS-23 ALPH£6,800.10 Add to
0021134-5809-01HYDRAULIC COUPLING£17.86 Add to
0031137-0195-17HYDRAULIC HOSE 90° 3/8"£53.75 Add to
0041137-0772-01HYDRAULIC COUPLING£21.26 Add to
0051134-7187-01HYDRAULIC COUPLING£26.93 Add to
006082-043-01HYDRAULIC COUPLING JIC 1 1/16-7/8£7.90 Add to
0081137-0195-03HYDRAULIC HOSE£116.11 Add to
0119997-1035-16SCREW M6S M10 x 35£3.28 Add to
0129699-0030-02WASHER (10 X 26 X 2)£2.14 Add to
013112156602/0LOW SELF-LOCKING NUT M10£1.79 Add to
0141137-0604-01SPACER£26.18 Add to
015122671652/0WASHER 12.3 x 20 x 2£2.74 Add to
0169747-1231-02NUT£2.06 Add to
0189959-0616-16SCREW M6SF M6 X 16£2.06 Add to
0191134-6968-01PULLEY£127.20 Add to
0201137-0517-01HST-PUMP BRACKET£484.04 Add to
0211134-9143-01BELT (KIT OF 2 PCS)£167.90 Add to
0229959-1025-16SCREW M6SF M10 x 25 TL£3.00 Add to
0239959-0820-16FLANGED SCREW M8 x 20 8.8 DIN 6921£2.06 Add to
0251137-0526-01TENSION ARM£99.76 Add to
0279544-0023-01BEARING£2.87 Add to
0281134-6329-02TENSION PULLEY [STEEL]£112.23 Add to
029084-232-01WASHER (OBSOLETE)N/A
030112156602/0LOW SELF-LOCKING NUT M10£1.79 Add to
0319997-1040-12SCREW M6S M10 x 40£3.15 Add to
0329699-0030-02WASHER (10 X 26 X 2)£2.14 Add to
033112156602/0LOW SELF-LOCKING NUT M10£1.79 Add to
0369997-1225-16SCREW M6S M12 x 25£4.52 Add to
0371135-2518-01BELT PULLEY£274.35 Add to
0391137-0599-01SPRING£14.05 Add to
045112156602/0LOW SELF-LOCKING NUT M10£1.79 Add to
0469939-1213-02SCREW£3.69 Add to