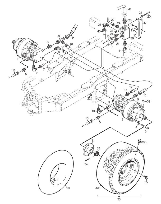
Wheel Engine-Rear

Wheel Engine-Rear assembly details for Stiga TITAN 740 D 2014 (13-7460-11) 2014 model

Parts list

Match the number with the image on the left and click "Add" button to add the item to your basket

Please note, that the prices are for individual items

Items might appear more than once on the drawing, please check and adjust the quantity you require.

RefNoDescriptionPrice
0011137-0961-01WHEEL MOTOR KWM 13S-186D£3,931.64 Add to
0021137-0654-01WHEEL MOTOR KWM 13S-186G£4,285.94 Add to
0039939-1213-02SCREW£3.69 Add to
004122671652/0WASHER 12.3 x 20 x 2£2.74 Add to
0051137-0756-04HYDRAULIC CONNECTOR£22.37 Add to
0061137-0755-01HYDRAULIC CONNECTOR£43.03 Add to
0071137-0196-06HYDRAULIC HOSE L=965mm 45° 3/8"£47.50 Add to
0081137-0756-01HYDRAULIC CONNECTOR£26.23 Add to
0091137-0757-01HYDRAULIC CONNECTOR£23.39 Add to
0121137-0195-14HYDRAULIC HOSE L=360mm 90° 3/8"£35.23 Add to
0131137-0633-01HYDRAULIC HOSE L=1375m 90° 5/8"£124.97 Add to
0151137-0195-16HYDRAULIC HOSE L=1055mm 90° 3/8"£51.81 Add to
0161137-0632-01HYDRAULIC HOSE L=1240mm 5/8"£98.29 Add to
0171137-0555-01BRACKET-HYDRAULIC BLOCK£45.26 Add to
0189893-0616-16SCREW M6 x 16£2.47 Add to
0191137-0574-01CONNECTION BLOCK£241.29 Add to
021112521330/0WASHER M6 6.4 X 12 X 1.6£2.06 Add to
022112292102/0FLANGED HEXAGONAL NUT M6£2.06 Add to
0231134-7073-01HYDRAULIC COUPLING 90°£34.35 Add to
0241134-7156-01HYDRAULIC COUPLING£10.45 Add to
0271134-7161-01HYDRAULIC CONNECTOR£24.20 Add to
0281137-0594-01HYDRAULIC HOSE£94.13 Add to
0291137-0232-03HYDRAULIC HOSE L=3050mm 1/4" 90°£73.49 Add to
0301134-7308-02WHEEL ASSEMBLY 20"£346.76 Add to
030A9545-0127-01TYRE 20 x 10-10£170.61 Add to
030B125950000/0PNEUMATIC VALVE£5.73 Add to
0311134-6971-01WHEEL HUB£124.29 Add to
0321134-6996-01WOODRUFF KEY£7.78 Add to
0339781-2431-32HEX.CASTLE NUT M24 X 2£9.54 Add to
0349599-0101-02COTTER PIN 5 x 45£1.79 Add to
0351134-7041-01WHEEL SCREW£4.91 Add to
0401137-0195-17HYDRAULIC HOSE 90° 3/8"£53.75 Add to
0411137-0217-04HYDRAULIC HOSE L=1820mm 1/2"£88.85 Add to
0999545-0211-01INNER TUBE (FOR 20"" WHEELS)£37.08 Add to