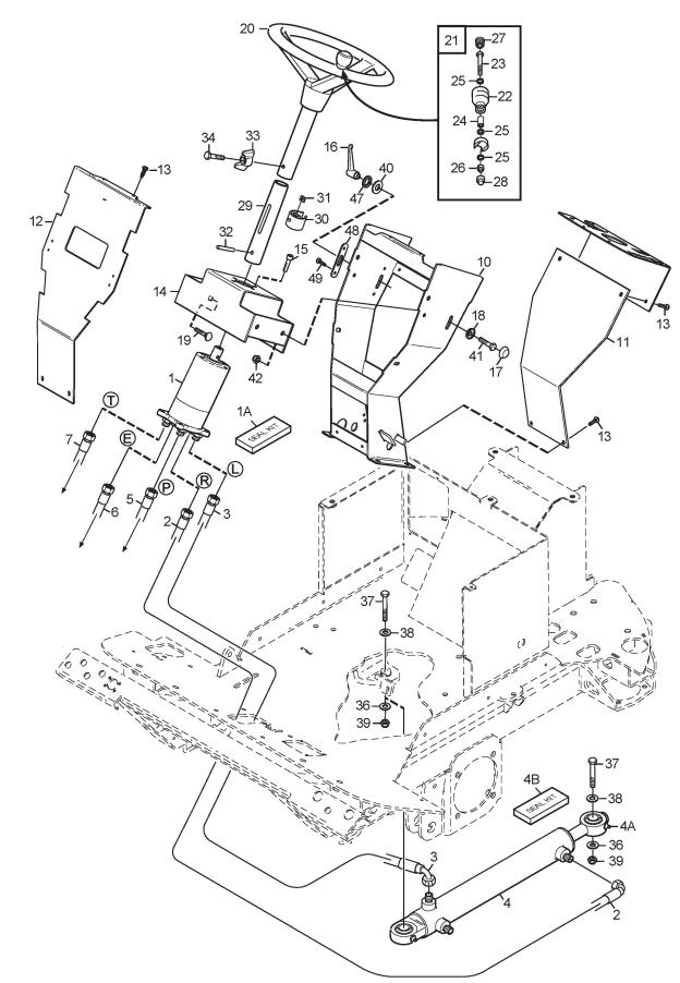
Steering

Steering assembly details for Stiga TITAN 540 D 2014 (13-7454-11) 2014 model

Parts list

Match the number with the image on the left and click "Add" button to add the item to your basket

Please note, that the prices are for individual items

Items might appear more than once on the drawing, please check and adjust the quantity you require.

RefNoDescriptionPrice
0011134-7214-01STEERING BOOSTER£1,090.44 Add to
001A1139-2081-01SEAL KIT£197.87 Add to
0021137-0185-13HYDRAULIC HOSE 90° ¼"£47.50 Add to
0031137-0186-08HYDRAULIC HOSE 45° ¼"£57.72 Add to
004A112379511/0STRAIGHT GREASE NIPPLE M6 x 1£2.06 Add to
004B1139-2083-01SEAL KIT£129.74 Add to
0051137-0195-03HYDRAULIC HOSE£116.11 Add to
0061137-0196-05HYDRAULIC HOSE L=1350mm 45° 3/8"£53.75 Add to
0111134-7198-01REAR PLATE-STEERING CONSOLE£54.79 Add to
0121137-0670-01FRONT PLATE£98.29 Add to
0139893-0616-16SCREW M6 x 16£2.47 Add to
0141134-6995-01BRACKET-STEERING SERVO£124.29 Add to
015112800815/0SCREW TE FL M8 x 16£2.06 Add to
0161134-7123-01LOCK LEVER-ADJUSTABLE£35.71 Add to
0179403-0053-01COVER CAP£5.66 Add to
0199897-0820-16SCREW M8 x 20£2.32 Add to
0201134-5173-02STEERING WHEEL C/W KNOB£191.06 Add to
0211134-3769-01STEERING WHEEL BUTTON KIT£37.08 Add to
0221134-3752-01KNOB HOLDER£7.13 Add to
0239997-0870-16SCREW M6S M8 x 70£2.47 Add to
0241134-1565-06SPACER£11.32 Add to
0259699-0090-02WASHER 8.4 x 18 x 1.5£2.32 Add to
026112293201/0HEXAGON NUT M8 WITH EXAGONAL FLANGE£2.06 Add to
027118566110/0HANDLE CAP D=22 [BLACK]£2.06 Add to
028118203854/0NUT CAP M8 [BLACK]£2.06 Add to
0291134-5216-01INNER STEERING TUBE£87.50 Add to
0301134-5177-01SLIDE COLLAR£13.64 Add to
0319710-0631-12SQUARE NUT£3.55 Add to
0331134-4481-02WING NUT£6.14 Add to
034112792099/0HEX HEAD SCREW M6 x 30£1.79 Add to
037112793900/0HEX-HEAD SCREW M8 x 60£2.06 Add to
038112523060/0WASHER M8 8.4 X 24 X 2£2.06 Add to
039112293201/0HEXAGON NUT M8 WITH EXAGONAL FLANGE£2.06 Add to
0409699-0090-02WASHER 8.4 x 18 x 1.5£2.32 Add to
041112800815/0SCREW TE FL M8 x 16£2.06 Add to
042112293201/0HEXAGON NUT M8 WITH EXAGONAL FLANGE£2.06 Add to
047081-470-01LOCK WASHER 5/16" - NLA£2.06 Add to
0481135-2514-01WEAR PLATE£28.89 Add to
0499893-0616-16SCREW M6 x 16£2.47 Add to