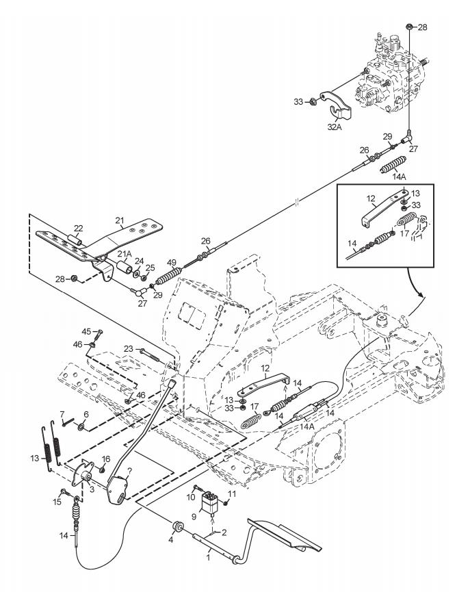
Foot Controls

Foot Controls assembly details for Stiga TITAN 540 D 2014 (13-7454-11) 2014 model

Parts list

Match the number with the image on the left and click "Add" button to add the item to your basket

Please note, that the prices are for individual items

Items might appear more than once on the drawing, please check and adjust the quantity you require.

RefNoDescriptionPrice
0011134-7267-03BRAKE PEDAL£34.35 Add to
0029595-0210-00LOCATING PIN£8.32 Add to
0041134-6313-01BEARING£7.36 Add to
0051137-0702-01BRAKE LOCK£39.61 Add to
006122671652/0WASHER 12.3 x 20 x 2£2.74 Add to
0079599-0080-02COTTER PIN£2.47 Add to
0081134-7401-01SPRING£6.55 Add to
0109997-0520-16SCREW M6S M5 x 20£2.32 Add to
011112154330/0LOW SELF-LOCKING NUT M5£2.06 Add to
0121137-0589-01BRAKE CABLE BRACKET£27.09 Add to
0141137-1137-01BRAKE CABLE DOUBLE ASSEMBLY£179.39 Add to
014A1135-3948-01RUBBER SLEEVE£15.13 Add to
015112789020/0HEX-HEAD SCREW M5 x 25£2.06 Add to
016112154330/0LOW SELF-LOCKING NUT M5£2.06 Add to
0171134-7321-01EXTENSION SPRING£5.76 Add to
0211134-7216-02DRIVE PEDAL£190.93 Add to
021A9548-0027-01BEARING£9.68 Add to
0221134-7217-01SPACER£9.54 Add to
0239997-1050-16SCREW M6S M10 x 50£2.87 Add to
0249699-0030-02WASHER (10 X 26 X 2)£2.14 Add to
0251134-4775-01LOCK NUT£2.47 Add to
0261134-7054-03CONTROL CABLE£179.92 Add to
0261134-7054-03CONTROL CABLE£179.92 Add to
0279570-0004-00ELBOW LINK£26.18 Add to
028112154510/0LOW SELF-LOCKING NUT M6 UNI7474 ACC.6S£2.06 Add to
029112292102/0FLANGED HEXAGONAL NUT M6£2.06 Add to
0321137-0564-01HST CABLE BRACKET£54.48 Add to
0339747-1231-02NUT£2.06 Add to