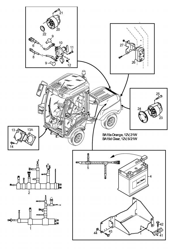
Electrical System (1) assembly details for Stiga TITAN 540 D 2014 (13-7454-11) 2014 model
Parts list
Match the number with the image on the left and click "Add" button to add the item to your basket
Please note, that the prices are for individual items
Items might appear more than once on the drawing, please check and adjust the quantity you require.
Reliable as always - sometimes frustrating that we have to wait for them to get parts from manufacturers, but when they have stock, we get them quickly. Happy with the products and service.
peter ward
16/04/2026
Parts ordered, arrived, fitted, all good.
Bryan Atchison
16/04/2026
Your website showing lawnmower parts is excellent and enabled me to order and receive the spare part I needed. It was delivered in good time too. I did have a query before ordering and tried to contact you by phone over a 2 day period but after several attempts got fed up of listening to your automated response. Are you really that busy that no phone calls are actually answered? I think a call back system would be very helpful to customers and you may even get more sales. I guess many people give up - I nearly did but took a risk in the end.
Michael Hames
15/04/2026
Great people to talk to when I was having problems in knowing what parts to order.
The 2 people that I spoke to were very helpful and friendly.
COLIN JACKSON
14/04/2026
All our prices include VAT