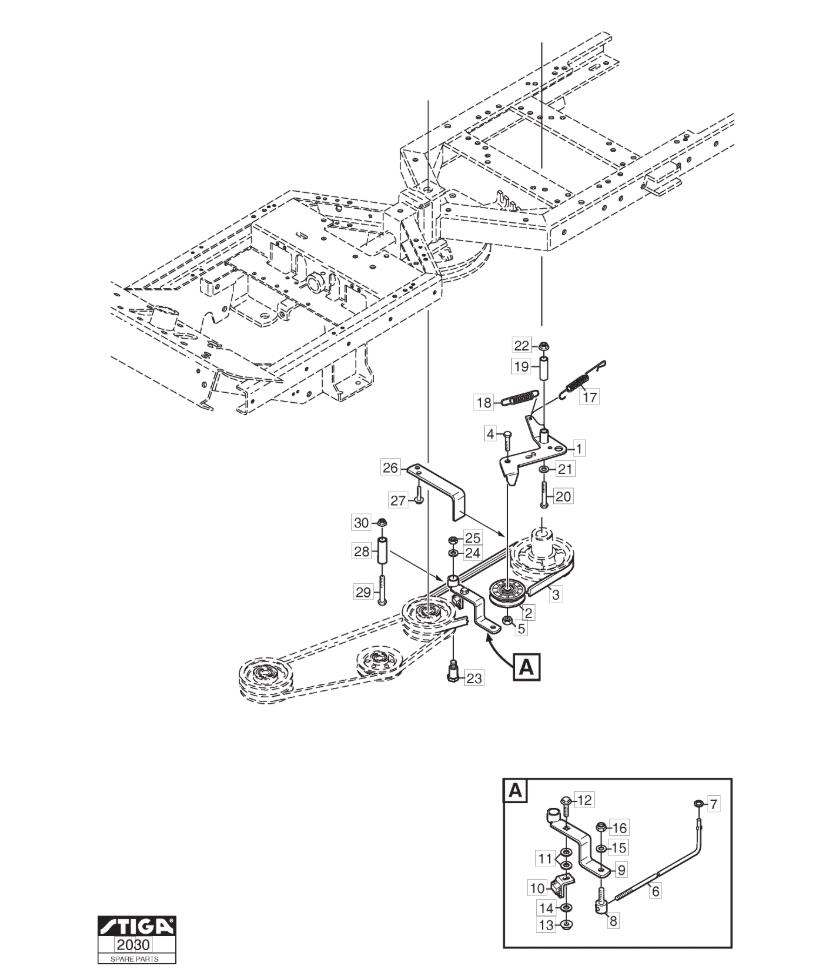
Power Take-off

Power Take-off assembly details for Stiga PARK COMPACT 16 4WD (13-6104-21) 2014 model

Parts list

Match the number with the image on the left and click "Add" button to add the item to your basket

Please note, that the prices are for individual items

Items might appear more than once on the drawing, please check and adjust the quantity you require.

RefNoDescriptionPrice
0011134-2018-02TENSION ARM£39.29 Add to
002387605008/0TENSION PULLEY [GREY]£35.71 Add to
0031134-9173-01PTO DRIVE BELT [KEVLAR]£31.63 Add to
0049997-1030-16SCREW M6S M10 x 30£3.00 Add to
005112295200/0HEXAGON NUT M10£1.79 Add to
0061134-4162-01BRAKE ROD£14.05 Add to
007112604897/0STARLOCK WASHER D=5£2.06 Add to
0081134-4170-01PIVOT BOLT£14.32 Add to
0091134-4111-01BRAKE ARM£31.63 Add to
0101134-4164-03BRAKE PAD£32.99 Add to
011112521360/0WASHER M10 10.5 x 20 x 2£2.06 Add to
0129897-0825-16SCREW M8 x 25£3.15 Add to
013112293201/0HEXAGON NUT M8 WITH EXAGONAL FLANGE£2.06 Add to
0149699-0090-02WASHER 8.4 x 18 x 1.5£2.32 Add to
015112521330/0WASHER M6 6.4 X 12 X 1.6£2.06 Add to
016112154510/0LOW SELF-LOCKING NUT M6 UNI7474 ACC.6S£2.06 Add to
0174231-0013-00SPRING£8.87 Add to
0181135-3307-01BRAKE SPRING£23.72 Add to
0191134-1565-10SPACER£8.73 Add to
020112793900/0HEX-HEAD SCREW M8 x 60£2.06 Add to
020A112691900/0HEX-HEAD SCREW£1.91 Add to
021112523060/0WASHER M8 8.4 X 24 X 2£2.06 Add to
022112293201/0HEXAGON NUT M8 WITH EXAGONAL FLANGE£2.06 Add to
0231134-4163-02SHOULDER BOLT£8.87 Add to
024112521360/0WASHER M10 10.5 x 20 x 2£2.06 Add to
0259739-1031-22NUT M10£2.32 Add to
0261134-3958-01BELT GUIDE£17.45 Add to
0279893-0616-16SCREW M6 x 16£2.47 Add to
0281134-0041-03BUSH£11.59 Add to
0299997-1070-12SCREW M6S (M10 X 70)£3.81 Add to
0309739-1031-22NUT M10£2.32 Add to