Seat

Seat assembly details for Stiga PARK COMPACT 16 (13-6103-22) 2014 model

Parts list

Match the number with the image on the left and click "Add" button to add the item to your basket

Please note, that the prices are for individual items

Items might appear more than once on the drawing, please check and adjust the quantity you require.

RefNoDescriptionPrice
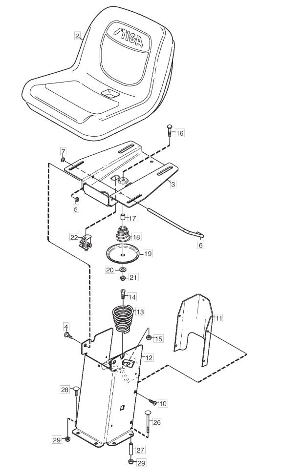
002137722604/0SEAT [VILLA/PC/PCH]£338.69 Add to
0031134-5301-01UPPER SEAT BRACKET£109.29 Add to
0041134-0240-00SCREW£9.14 Add to
005112293201/0HEXAGON NUT M8 WITH EXAGONAL FLANGE£2.06 Add to
0061134-5454-01CATCH ROD£11.18 Add to
007112604899/0STARLOCK WASHER RPCO 308 D=8£2.06 Add to
0109893-0616-16SCREW M6 x 16£2.47 Add to
0111134-5300-01REAR PLATE [YELLOW]£46.61 Add to
0121134-5296-04SEAT BRACKET [YELLOW]£163.80 Add to
013137430116/0SEAT SPRING£26.18 Add to
0149924-1235-19SCREW MF6S M12 x 35£4.23 Add to
0159747-1231-02NUT£2.06 Add to
0169997-0840-16SCREW M6S M8 x 40£2.06 Add to
0171134-1565-06SPACER£11.32 Add to
0181134-5302-01SPRING£8.87 Add to
0191134-5299-01PUSH PLATE£17.86 Add to
0209699-0090-02WASHER 8.4 x 18 x 1.5£2.32 Add to
021112293201/0HEXAGON NUT M8 WITH EXAGONAL FLANGE£2.06 Add to
0221134-3156-02SEAT SWITCH [GREY]£47.97 Add to
0269897-0880-12SCREW MVBF 8 x 80£2.32 Add to
0271134-1565-08SPACER£9.94 Add to
0289897-0820-16SCREW M8 x 20£2.32 Add to
029112293201/0HEXAGON NUT M8 WITH EXAGONAL FLANGE£2.06 Add to