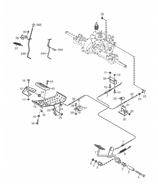
Foot Controls

Foot Controls assembly details for Stiga PARK RESIDENCE 4WD 2013 (13-6378-11) 2013 model

Parts list

Match the number with the image on the left and click "Add" button to add the item to your basket

Please note, that the prices are for individual items

Items might appear more than once on the drawing, please check and adjust the quantity you require.

RefNoDescriptionPrice
0011134-5655-01BRAKE/CLUTCH PEDAL£58.87 Add to
0021134-9024-01PLASTIC BUSH (4 PCS)£19.66 Add to
0031134-5677-02SPACER£11.04 Add to
0049997-1070-12SCREW M6S (M10 X 70)£3.81 Add to
0059699-0030-02WASHER (10 X 26 X 2)£2.14 Add to
0069739-1031-22NUT M10£2.32 Add to
0084231-0013-00SPRING£8.87 Add to
0091134-6467-01CABLE HOLDER£6.55 Add to
0109959-0820-16FLANGED SCREW M8 x 20 8.8 DIN 6921£2.06 Add to
011112293201/0HEXAGON NUT M8 WITH EXAGONAL FLANGE£2.06 Add to
012112293201/0HEXAGON NUT M8 WITH EXAGONAL FLANGE£2.06 Add to
0131134-6353-01IMPLEMENT PEDAL£43.62 Add to
0141134-6313-01BEARING£7.36 Add to
0151134-2700-01BRACKET£17.45 Add to
0169959-0820-16FLANGED SCREW M8 x 20 8.8 DIN 6921£2.06 Add to
017112293201/0HEXAGON NUT M8 WITH EXAGONAL FLANGE£2.06 Add to
0189997-0835-16SCREW M6S 8 x 35£2.32 Add to
019112293201/0HEXAGON NUT M8 WITH EXAGONAL FLANGE£2.06 Add to
0221134-2766-05SPEED CONTROL CABLE£76.59 Add to
0239570-0001-00ELBOW LINK£18.90 Add to
0249739-0531-22NUT M5£2.47 Add to
025112154330/0LOW SELF-LOCKING NUT M5£2.06 Add to
0271134-6317-01WIRE BRACKET£8.73 Add to
028112292102/0FLANGED HEXAGONAL NUT M6£2.06 Add to
029112292102/0FLANGED HEXAGONAL NUT M6£2.06 Add to
0301134-3395-01ATTACHMENT BRACKET£30.26 Add to
0319959-0820-16FLANGED SCREW M8 x 20 8.8 DIN 6921£2.06 Add to
032112293201/0HEXAGON NUT M8 WITH EXAGONAL FLANGE£2.06 Add to
0331134-2021-01CLAMP£7.36 Add to
0341134-5353-01BRAKE ROD£29.61 Add to
0361134-2786-01PLASTIC KNOB£6.42 Add to
0371131-1497-01BRAKE SPRING£10.50 Add to
0381134-4002-01BRAKE ROD ATTACHMENT£12.27 Add to
0399838-9516-12SCREW K50 x 16£2.47 Add to
0431134-6340-02FOOT REST£7.92 Add to
044112292102/0FLANGED HEXAGONAL NUT M6£2.06 Add to
045112292102/0FLANGED HEXAGONAL NUT M6£2.06 Add to